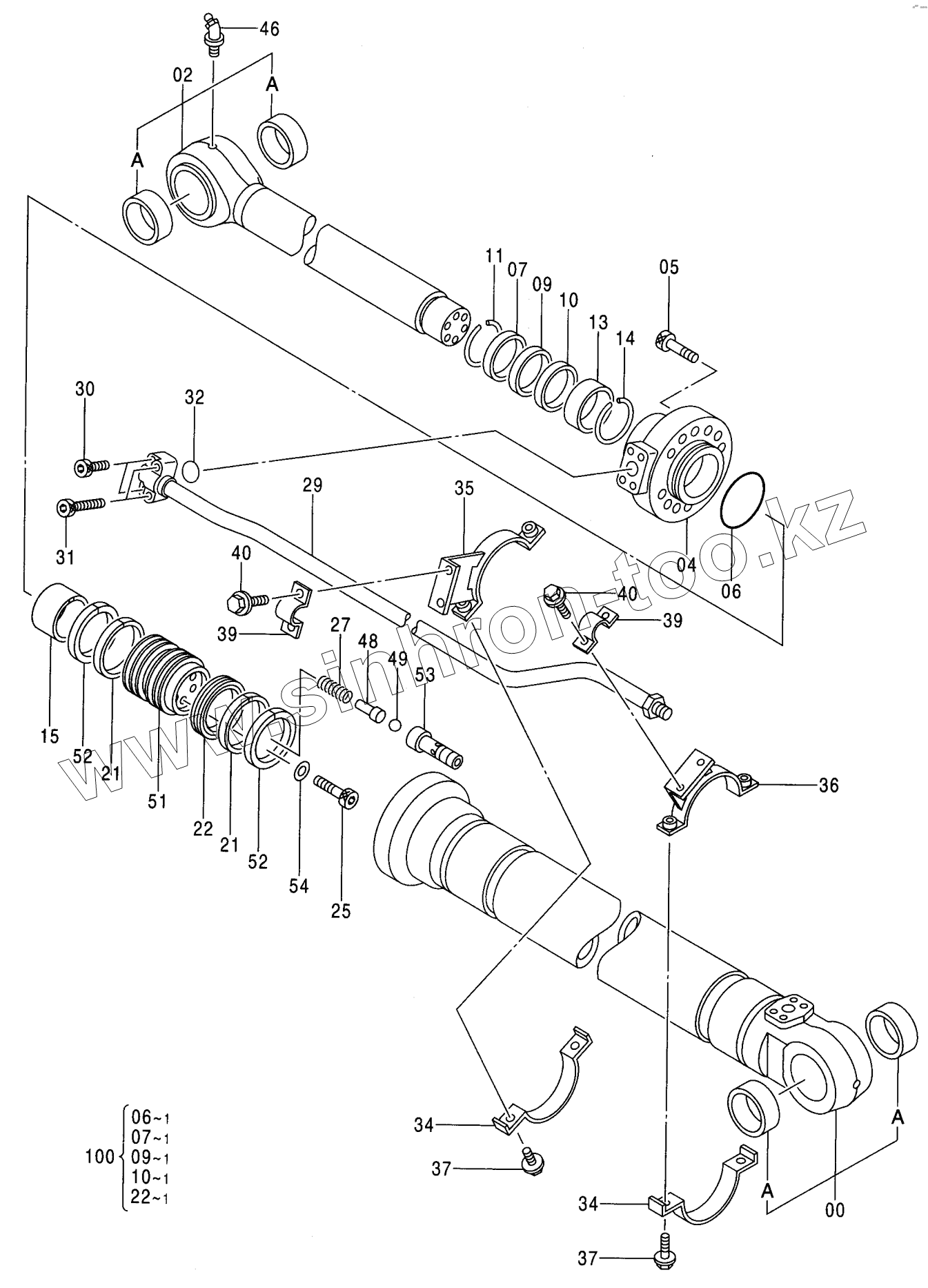
Каталог запасных частей к технике: Hitachi Компоненты ZX-230. CYL., ARM (MONO BOOM)
9205254
9187392
4397790
4397790
4397790
4397790
7037627
9207056
2
2
4
5
6
6
7
7
9
9
10
10
11
13
14
15
21
21
22
22
25
25
27
29
30
31
32
34
34
35
36
37
37
37
39
39
40
40
40
46
48
49
51
51
52
52
53
54
54
100
| Позиция на иллюстрации | Заводской номер детали | Название детали | |
|---|---|---|---|
| 9205254 | 9205254 | CYL. , ARM, | |
| 9187392 | 9187392 | CYL. , ARM, | |
| 4397790 | 4397790 | BUSHING | |
| 4397790 | 4397790 | BUSHING | |
| 7037627 | 7037627 | TUBE, CYL | |
| 9207056 | 9207056 | TUBE, CYL | |
| 2 | 7037630 | ROD, PISTON | |
| 2 | 7042288 | ROD, PISTON | |
| 4 | 1027923 | HEAD, CYL. | |
| 5 | М341880 | BOLT, SOCKET | |
| 6 | 4380144 | O-RING | |
| 7 | 4351498 | SEAL, DUST | |
| 9 | 4411660 | SEAL | |
| 10 | 4411655 | RING | |
| 11 | 4383089 | RING, RETAINING | |
| 13 | 4432450 | BUSHING | |
| 14 | 4268206 | RING, RETAINING | |
| 15 | 3090716 | RING, CUSHION | |
| 21 | 4414671 | RING, WEAR | |
| 22 | 4414670 | RING, SEAL | |
| 25 | 4440217 | BOLT, SOCKET | |
| 25 | 4469687 | BOLT, SOCKET | |
| 27 | 4431827 | SPRING, COMPRES. | |
| 29 | 8079014 | PIPE | |
| 30 | М341245 | BOLT | |
| 31 | М341260 | BOLT, SOCKET | |
| 32 | А811035 | O-RING | |
| 34 | 3088454 | CLAMP | |
| 35 | 8079053 | CLAMP | |
| 36 | 8079054 | CLAMP | |
| 37 | J011035 | BOLT, SEMS | |
| 37 | J271035 | BOLT, SEMS | |
| 39 | 4194152 | CLAMP, PIPE | |
| 40 | J271025 | BOLT, SEMS | |
| 40 | J011025 | BOLT, SEMS | |
| 46 | J75581 | FITTING, GREASE | |
| 48 | 4450961 | STOPPER | |
| 49 | 4450962 | BALL | |
| 51 | 3092204 | PISTON | |
| 51 | 3095080 | PISTON | |
| 52 | 4168233 | RING, TEFLON | |
| 53 | 4455121 | PLUNGER | |
| 54 | 4451001 | WASHER | |
| 54 | 4467407 | WASHER | |
| 100 | 4485613 | KIT, SEAL |
Содержащиеся в справочниках-каталогах запасные части и детали не предлагаются к продаже, а носят исключительно информационный характер