Каталог запасных частей к технике: Hitachi Компоненты ZX-160W. VALVE, HOLDING (POSITIONING) (2P-B00M)
SPOOL
CAP
O-RING
HOLDER
SPRING
WASHER
985099
CAP
PISTON
BODY
0171808
SCREW
NUT
0168308
0866704
0866705
4606416
1
1
2
3
4
5
6
7
20
21
21
21
21
22
22
22
22
23
24
24
24
24
25
25
25
25
26
27
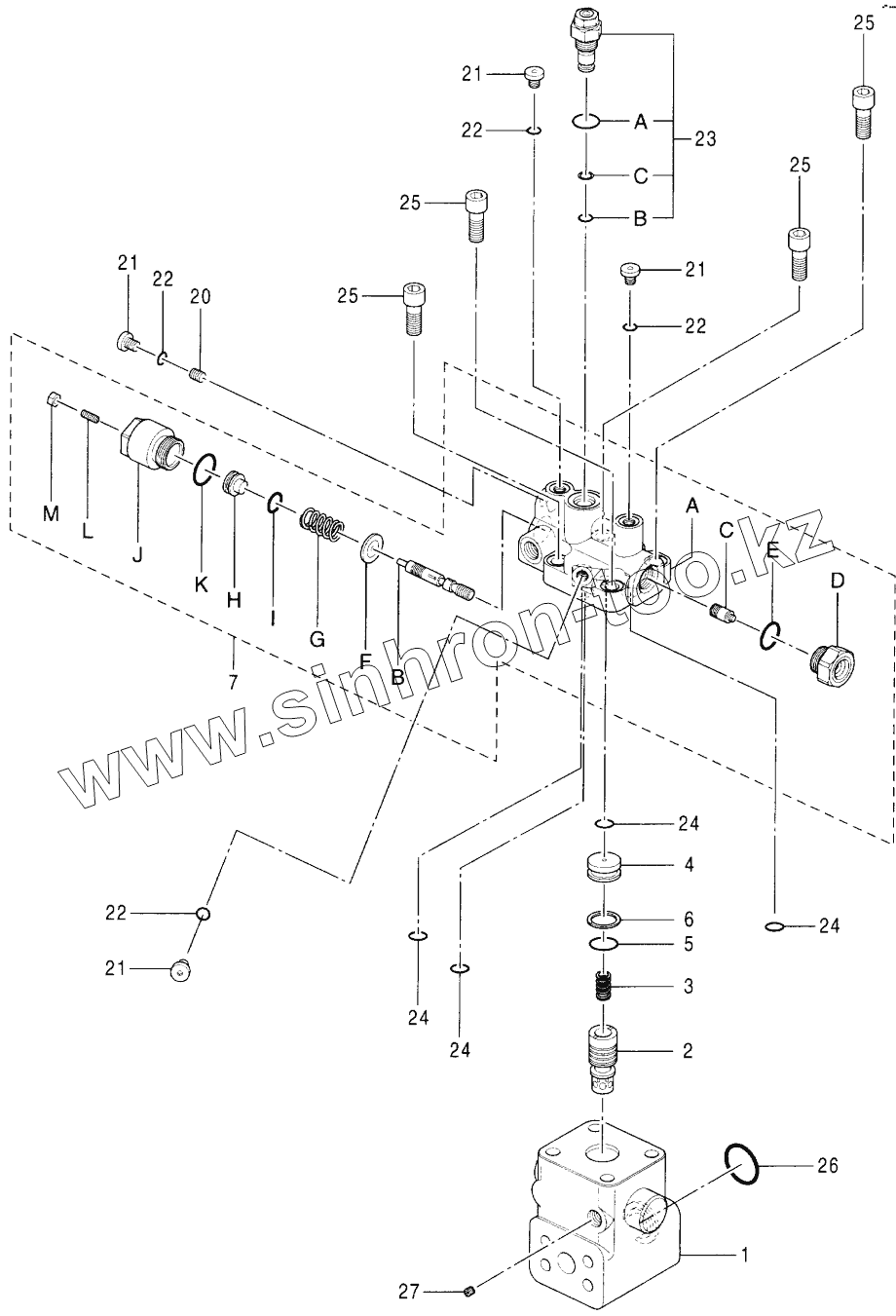
| Позиция на иллюстрации | Заводской номер детали | Название детали | |
|---|---|---|---|
| SPOOL | SPOOL | SPOOL | |
| CAP | CAP | CAP | |
| O-RING | O-RING | O-RING | |
| HOLDER | HOLDER | HOLDER | |
| SPRING | SPRING | SPRING | |
| WASHER | WASHER | WASHER | |
| 985099 | 985099 | O-RING | |
| CAP | CAP | CAP | |
| PISTON | PISTON | PISTON | |
| BODY | BODY | BODY | |
| 0171808 | 0171808 | O-RING | |
| SCREW | SCREW | SCREW | |
| NUT | NUT | NUT | |
| 0168308 | 0168308 | O-RING | |
| 0866704 | 0866704 | O-RING | |
| 0866705 | 0866705 | RING, BACK-UP | |
| 4606416 | 4606416 | VALVE, HOLDING | |
| 1 | BODY | BODY | |
| 2 | POPPET | POPPET | |
| 3 | SPRING | SPRING | |
| 4 | COVER | COVER | |
| 5 | O-RING | O-RING | |
| 6 | RING | RING | |
| 7 | 0899801 | BODY ASS'Y | |
| 20 | ORIFICE | ORIFICE | |
| 21 | 0866702 | PLUG | |
| 22 | 4506408 | O-RING | |
| 23 | 0866703 | VALVE, RELIEF | |
| 24 | 4506412 | O-RING | |
| 25 | 0168006 | BOLT, SOCKET | |
| 26 | 984614 | O-RING | |
| 27 | ORIFICE | ORIFICE |
Содержащиеся в справочниках-каталогах запасные части и детали не предлагаются к продаже, а носят исключительно информационный характер