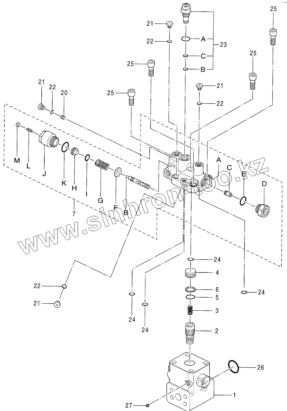
Каталог запасных частей к технике: Hitachi Компоненты ZX-110. VALVE, HOLDING (R) [BOOM]
BODY
4437716
HOLDER
SPRING
WASHER
985099
CAP
PISTON
SPOOL
CAP
0171808
SCREW,SET
NUT
0168308
0866704
0866705
1
1
2
3
4
5
6
7
20
21
21
21
21
22
22
22
22
23
24
24
24
24
25
25
25
25
26
27
71
| Позиция на иллюстрации | Заводской номер детали | Название детали | |
|---|---|---|---|
| BODY | BODY | BODY | |
| 4437716 | 4437716 | VALVE, HOLDING | |
| HOLDER | HOLDER | HOLDER | |
| SPRING | SPRING | SPRING | |
| WASHER | WASHER | WASHER | |
| 985099 | 985099 | O-RING | |
| CAP | CAP | CAP | |
| PISTON | PISTON | PISTON | |
| SPOOL | SPOOL | SPOOL | |
| CAP | CAP | CAP | |
| 0171808 | 0171808 | O-RING | |
| SCREW,SET | SCREW,SET | SCREW, SET | |
| NUT | NUT | NUT | |
| 0168308 | 0168308 | O-RING | |
| 0866704 | 0866704 | O-RING | |
| 0866705 | 0866705 | RING, BACK-UP | |
| 1 | BODY | BODY | |
| 2 | POPPET | POPPET | |
| 3 | SPRING | SPRING | |
| 4 | COVER | COVER | |
| 5 | O-RING | O-RING | |
| 6 | RING,BACK-UP | RING, BACK-UP | |
| 7 | 0899601 | BODY ASS'Y | |
| 20 | ORIFICE | ORIFICE | |
| 21 | 0866702 | PLUG | |
| 22 | 4506408 | O-RING | |
| 23 | 0866703 | VALVE, RELIEF | |
| 24 | 4506412 | O-RING | |
| 25 | 0168006 | BOLT, SOCKET | |
| 26 | 4506430 | O-RING | |
| 27 | ORIFICE | ORIFICE | |
| 71 | O-RING | O-RING |
Содержащиеся в справочниках-каталогах запасные части и детали не предлагаются к продаже, а носят исключительно информационный характер