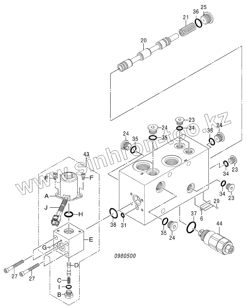
Каталог запасных частей к технике: Hitachi Компоненты ZAXIS 450, 470, 500, 520. VALVE, SOLENOID
6
20
21
23
23
23
24
24
24
24
25
27
27
29
31
34
34
34
35
35
35
35
36
37
38
43
43A
43B
43C
43D
43E
43F
43F
43G
43H
43I
43J
44
| Позиция на иллюстрации | Заводской номер детали | Название детали | |
|---|---|---|---|
| 4639102 | 4639102 | VALVE, SOLENOID | |
| 6 | NAME-PLATE | NAME-PLATE | |
| 20 | SPOOL | SPOOL | |
| 21 | 0980508 | SPRING,COMPRES | |
| 23 | 0314205 | PLUG | |
| 24 | 0309805 | PLUG | |
| 25 | 0343611 | PLUG | |
| 27 | 0228404 | BOLT,SOCKET | |
| 29 | 0794701 | SCREW, DRIVE | |
| 31 | 4113154 | O-RING | |
| 34 | 957366 | O-RING | |
| 35 | 4509180 | O-RING | |
| 36 | 4506418 | O-RING | |
| 37 | U12547U | O-RING | |
| 38 | 0980509 | O-RING | |
| 43 | 4658559 | SOLENOID ASS’Y | |
| 43A | 0980511 | SOLENOID | |
| 43B | 0624902 | PLUG | |
| 43C | 0624904 | SPRING | |
| 43D | SPOOL | SPOOL | |
| 43E | BODY | BODY | |
| 43F | 0624906 | BOLT,SOCKET | |
| 43G | BALL, STEEL | BALL, STEEL | |
| 43H | 954495 | O-RING | |
| 43I | 4506320 | O-RING | |
| 43J | 0980510 | TUBE | |
| 44 | 4658560 | VALVE, RELIEF |
Содержащиеся в справочниках-каталогах запасные части и детали не предлагаются к продаже, а носят исключительно информационный характер