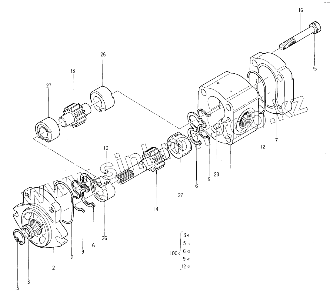
Каталог запасных частей к технике: Hitachi Компоненты EX-300-2. GEAR PUMP
2
3
3
5
5
6
6
6
7
9
9
9
10
12
12
12
13
14
15
16
26
26
27
27
28
100
| Позиция на иллюстрации | Заводской номер детали | Название детали | |
|---|---|---|---|
| 4181700 | 4181700 | PUMP, GEAR | |
| 1 | HOUSING | HOUSING | |
| 2 | 4206157 | FRANGE | |
| 3 | 4206158 | SEAUOIL | |
| 5 | 447068 | RING, RETAINING | |
| 6 | 4206159 | SEAL | |
| 7 | 4206160 | COVER | |
| 9 | 4206161 | RING, BACK-UP | |
| 10 | 4206162 | KEY | |
| 12 | 4206163 | O-RING | |
| 13 | GEAR | GEAR | |
| 14 | GEAR | GEAR | |
| 15 | 4206164 | WASHER, PLANE | |
| 16 | 4206165 | BOLT | |
| 26 | BUSHING | BUSHING | |
| 27 | BUSHING | BUSHING | |
| 28 | 4206166 | PIN | |
| 100 | 4206167 | KIT, SEAL |
Содержащиеся в справочниках-каталогах запасные части и детали не предлагаются к продаже, а носят исключительно информационный характер