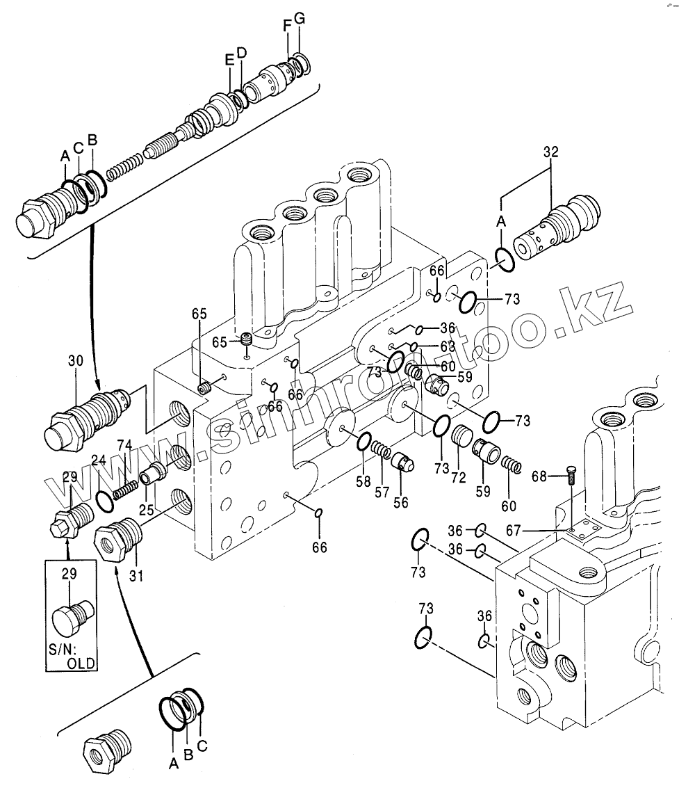
Каталог запасных частей к технике: Hitachi Компоненты EX-300-2. CONTROL VALVE (4/4)
24
25
25
25
29
29
29
29
29
30
30A
30B
30C
30D
30E
30F
30G
31
31A
31B
31C
32
32A
36
36
36
36
56
57
58
59
59
60
60
63
65
65
66
66
66
66
67
68
72
73
73
73
73
73
73
74
| Позиция на иллюстрации | Заводской номер детали | Название детали | |
|---|---|---|---|
| 4314749 | 4314749 | VALVE, CONTROL | |
| 24 | 111715 | O-RING | |
| 25 | 459531 | POPPET | |
| 25 | 496312 | POPPET | |
| 29 | 496302 | PLUG | |
| 29 | 496323 | PLUG | |
| 30 | 4282693 | VALVE | |
| 30A | O-RING | O-RING | |
| 4282906 | 4282906 | SEAL ASSY | |
| 30B | O-RING | O-RING | |
| 30C | RING,BACK-UP | RING, BACK-UP | |
| 30D | O-RING | O-RING | |
| 30E | RING,BACK-UP | RING, BACK-UP | |
| 30F | O-RING | O-RING | |
| 30G | RING,BACK-UP | RING, BACK-UP | |
| 31 | 496501 | PLUG ASS'Y | |
| 31A | O-RING | O-RING | |
| 4324536 | 4324536 | KIT, SEAL | |
| 31B | RING,BACK-UP | RING, BACK-UP | |
| 31C | O-RING | O-RING | |
| 32 | 309709 | VALVE, RELIEF | |
| 32A | 111715 | O-RING | |
| 36 | 4226442 | O-RING | |
| 56 | 309604 | POPPET | |
| 57 | 309605 | SPRING | |
| 58 | 4226443 | O-RING | |
| 59 | 309608 | POPPET | |
| 60 | 309606 | SPRING | |
| 63 | 4226444 | O-RING | |
| 65 | 94-2010 | PLUG | |
| 66 | 4226445 | O-RING | |
| 67 | NAME-PLATE | NAME-PLATE | |
| 68 | SCREW,DRIVE | SCREW, DRIVE | |
| 72 | 309607 | SEAT | |
| 73 | 4226446 | O-RING | |
| 74 | 309728 | SPRING |
Содержащиеся в справочниках-каталогах запасные части и детали не предлагаются к продаже, а носят исключительно информационный характер