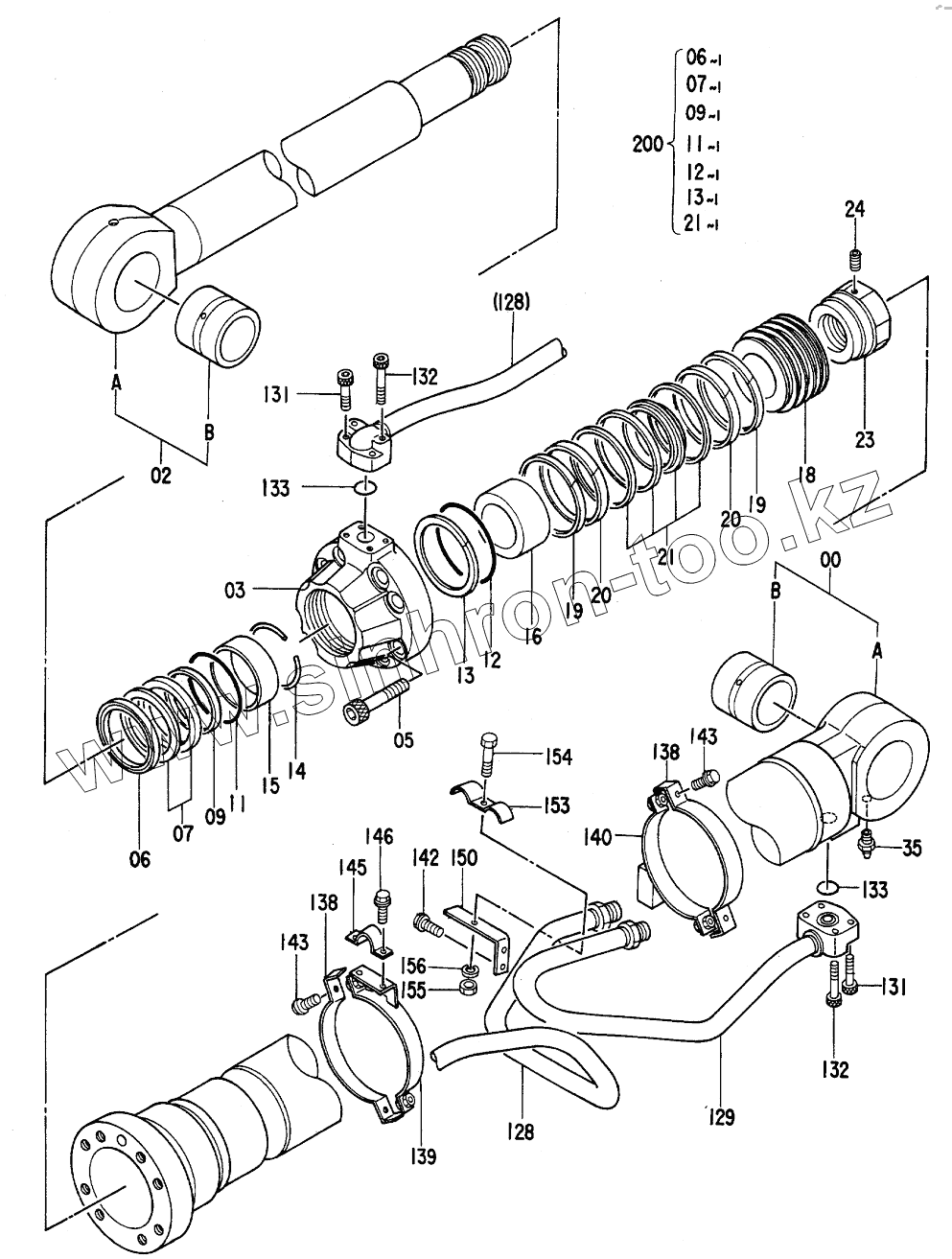
Каталог запасных частей к технике: Hitachi Компоненты EX-300. CYL.,BOOM (L)
9110537
9110529
3036658
7018985
3036658
C9121229
7017421
9111166
7018979
2
3
5
6
6
7
7
9
9
11
11
12
12
13
13
14
15
16
18
19
19
20
20
21
21
23
24
35
128
128
129
131
131
132
132
133
133
138
138
139
140
142
143
143
145
146
150
153
154
155
156
200
| Позиция на иллюстрации | Заводской номер детали | Название детали | |
|---|---|---|---|
| 9110537 | 9110537 | CYL., BOOM | |
| 9110529 | 9110529 | CYL., BOOM | |
| 3036658 | 3036658 | BUSHING | |
| 7018985 | 7018985 | ROD, PISTON | |
| 3036658 | 3036658 | BUSHING | |
| C9121229 | C9121229 | TUBE, CYL. | |
| 7017421 | 7017421 | TUBE, CYL. | |
| 9111166 | 9111166 | CYL. | |
| 7018979 | 7018979 | TUBE, CYL. | |
| 2 | 7017179 | ROD, PISTON | |
| 3 | 1016388 | HEAD, CYL. | |
| 5 | M342480 | BOLT, SOCKET | |
| 6 | 4131730 | SEAL, DUST | |
| 7 | 4168227 | SEAL | |
| 9 | 4131728 | RING | |
| 11 | 4131276 | O-RING | |
| 12 | 4087852 | O-RING | |
| 13 | 487862 | RING, BACK-UP | |
| 14 | 4267139 | RING, RETAINING | |
| 15 | 4272963 | BUSHING | |
| 16 | 4194626 | RING, CUSHION | |
| 18 | 3036603 | PISTON | |
| 19 | 4185247 | RING, TEFLON | |
| 20 | 4185249 | RING, WEAR | |
| 21 | 4185245 | RING, SEAL | |
| 23 | 3039348 | NUT | |
| 24 | 4201806 | SCREW, SET | |
| 35 | J75481 | FITTING, GREASE | |
| 128 | 8036937 | PIPE | |
| 129 | 8037795 | PIPE | |
| 131 | M341245 | BOLT, SOCKET | |
| 132 | M341260 | BOLT, SOCKET | |
| 133 | A811035 | O-RING | |
| 138 | 3043349 | CLAMP | |
| 139 | 8043036 | CLAMP | |
| 140 | 8043039 | CLAMP | |
| 142 | J011030 | BOLT, SEMS | |
| 143 | J011035 | BOLT, SEMS | |
| 145 | 4174241 | CLAMP, PIPE | |
| 146 | J011025 | BOLT, SEMS | |
| 150 | 4195485 | SUPPORT | |
| 153 | 4229234 | CLAMP, PIPE | |
| 154 | J901265 | BOLT | |
| 155 | J950012 | NUT | |
| 156 | А590912 | WASHER, SPRING | |
| 200 | 9078845 | KIT, SEAL |
Содержащиеся в справочниках-каталогах запасные части и детали не предлагаются к продаже, а носят исключительно информационный характер