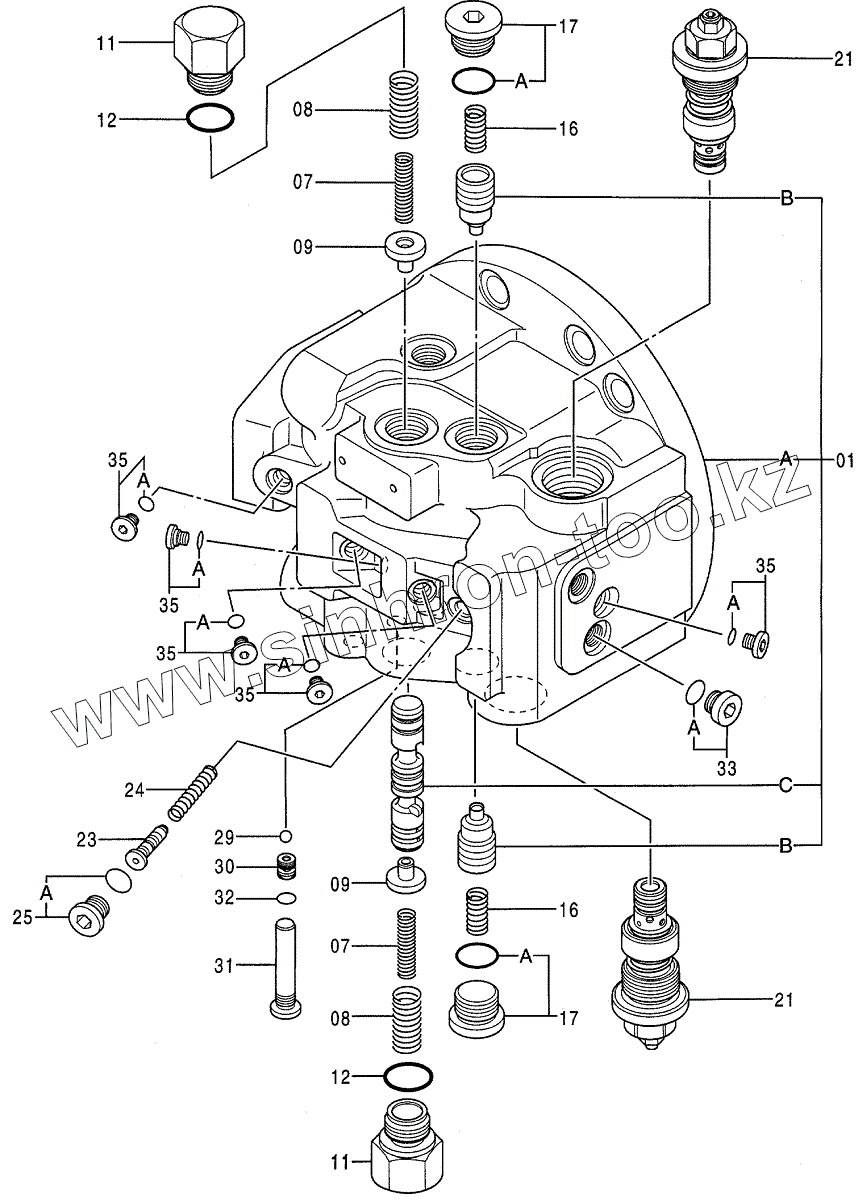
Каталог запасных частей к технике: Hitachi Компоненты EX-200-3(LC, H). VALVE, BRAKE, 9119999A
01
01A
01B
01B
01C
07
07
08
08
09
09
11
11
12
12
16
16
17
17
17A
17A
21
21
23
24
25
25A
29
30
31
32
33
33A
35
35
35
35
35
35A
35A
35A
35A
35A
| Позиция на иллюстрации | Заводской номер детали | Название детали | |
|---|---|---|---|
| 9119999 | 9119999 | VALVE, BRAKE | |
| 9131604 | 9131604 | VALVE, BRAKE | |
| 01 | 7026950 | CASING | |
| 01A | HEAD | HEAD | |
| 01B | POPPET | POPPET | |
| 01C | SPOOL | SPOOL | |
| 07 | 4261491 | SPRING, COMPRES. | |
| 08 | 4261492 | SPRING, COMPRES | |
| 09 | 4275279 | STOPPER | |
| 11 | 4275287 | PLUG | |
| 12 | 4506424 | O-RING | |
| 16 | 4174072 | SPRING, COMPRES. | |
| 17 | 9089488 | PLUG | |
| 17A | 4506424 | O-RING | |
| 21 | 9134147 | VALVE, RELIEF | |
| 23 | 4322610 | SPOOL | |
| 24 | 4185136 | SPRING, COMPRES. | |
| 25 | 9089486 | PLUG | |
| 25A | 4509180 | O-RING | |
| 29 | 4509493 | BALL | |
| 30 | 4311662 | SEAT | |
| 31 | 4312159 | PLUG | |
| 32 | 957366 | O-RING | |
| 33 | 9089485 | PLUG | |
| 33A | 957366 | O-RING | |
| 35 | 9089484 | PLUG | |
| 35A | 4506408 | O-RING |
Содержащиеся в справочниках-каталогах запасные части и детали не предлагаются к продаже, а носят исключительно информационный характер