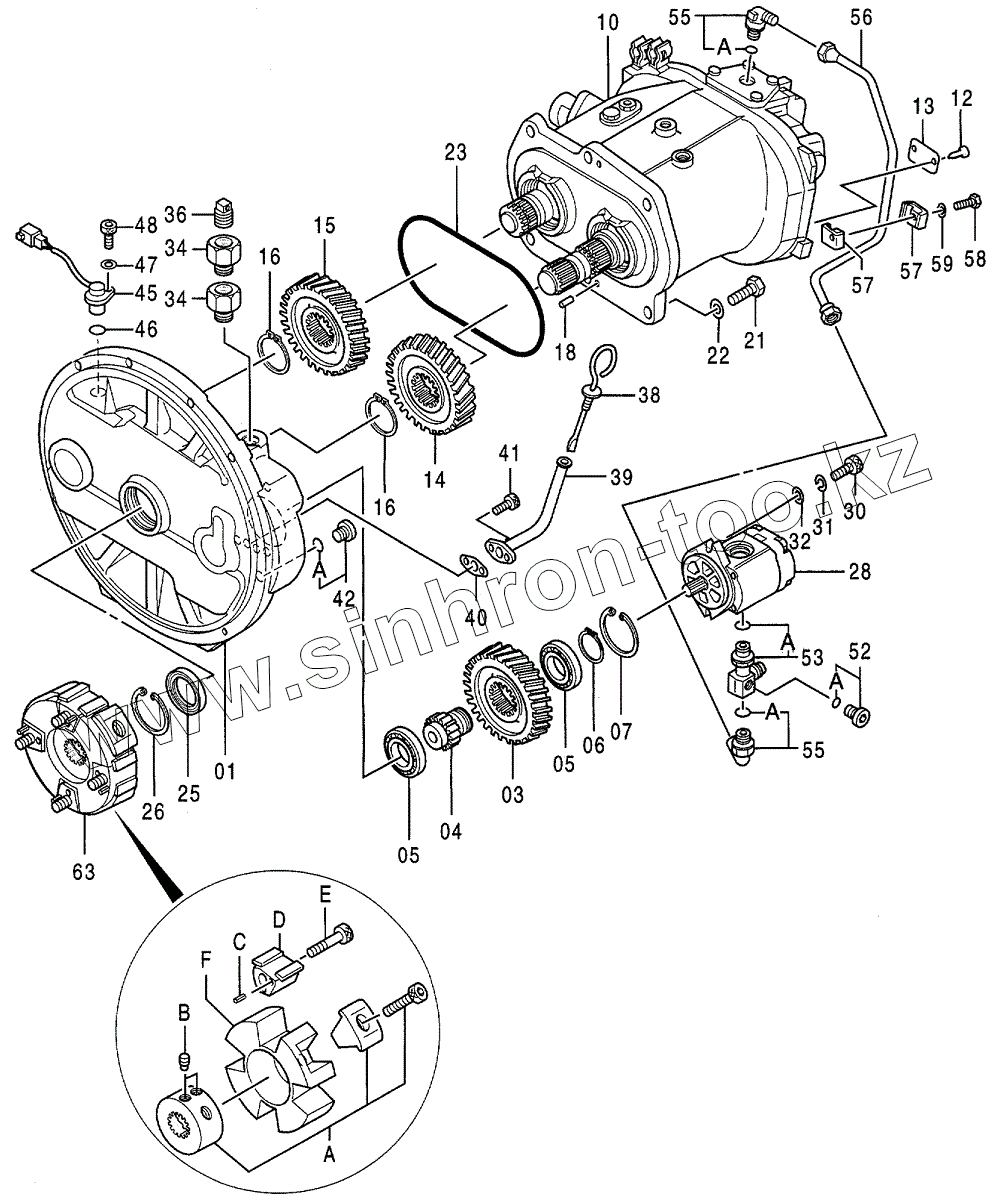
Каталог запасных частей к технике: Hitachi Компоненты EX-200-3(LC, H). PUMP, DOUBLE, 9118971A
01
03
04
05
05
06
07
10
12
13
14
15
16
16
18
21
22
23
25
26
28
30
31
32
34
34
36
38
38
39
40
41
42
42A
45
46
47
48
52
52A
53
53A
55
55
55A
55A
56
57
57
58
59
63
63A
63B
63C
63D
63E
63F
| Позиция на иллюстрации | Заводской номер детали | Название детали | |
|---|---|---|---|
| 9118971 | 9118971 | PUMP, DOUBLE | |
| 9133006 | 9133006 | PUMP, DOUBLE | |
| 01 | 1018749 | CASING, GEAR | |
| 03 | 3063840 | GEAR | |
| 04 | 3055594 | SHAFT | |
| 05 | 958740 | BRG. | |
| 06 | 962002 | RING, RETAINING | |
| 07 | 991725 | RING, RETAINING | |
| 10 | PUMP;UNIT | PUMP, UNIT | |
| 12 | M492564 | SCREW, DRIVE | |
| 13 | 3069408 | NAME-PLATE | |
| 14 | 3063842 | GEAR | |
| 15 | 3063843 | GEAR | |
| 16 | 4274552 | RING | |
| 18 | 4099290 | PIN | |
| 21 | M211645 | BOLT | |
| 22 | A590916 | WASHER, SPRING | |
| 23 | 4317619 | O-RING | |
| 25 | 4310055 | SEAL | |
| 26 | 991725 | RING, RETAINING | |
| 28 | 4276918 | PUMP | |
| 30 | M341028 | BOLT, SOCKET | |
| 31 | 984054 | WASHER, SPRING | |
| 32 | 4114402 | WASHER | |
| 34 | 4317633 | ADAPTER | |
| 36 | 4234782 | PLUG | |
| 38 | 4242263 | GAUGE, LEVEL | |
| 38 | 4340855 | GAUGE, LEVEL | |
| 39 | 9736788 | PIPE | |
| 40 | 4243160 | PACKING | |
| 41 | M340816 | BOLT, SOCKET | |
| 42 | 9134111 | PLUG | |
| 42A | 4509180 | O-RING | |
| 45 | 4265372 | SENSOR, REVOL. | |
| 46 | 4306888 | O-RING | |
| 47 | A590106 | WASHER | |
| 48 | M340616 | BOLT, SOCKET | |
| 52 | 9134110 | PLUG | |
| 52A | 957366 | O-RING | |
| 53 | 4278547 | ADAPTER | |
| 53A | 4506418 | O-RING | |
| 55 | 4179837 | FITTING, PIPE | |
| 55A | 957366 | O-RING | |
| 56 | 3063845 | PIPE | |
| 57 | 9736515 | CLAMP | |
| 58 | J900830 | BOLT | |
| 59 | A590908 | WASHER, SPRING | |
| 63 | 4310056 | COUPLING | |
| 63A | 4340960 | HUB | |
| 63B | 4334899 | SCREW, SET | |
| 63C | 4101345 | PIN, SPRING | |
| 63D | 4334892 | INSERT | |
| 63E | 4334894 | BOLT, SOCKET | |
| 63F | 4334891 | ELEMENT |
Содержащиеся в справочниках-каталогах запасные части и детали не предлагаются к продаже, а носят исключительно информационный характер