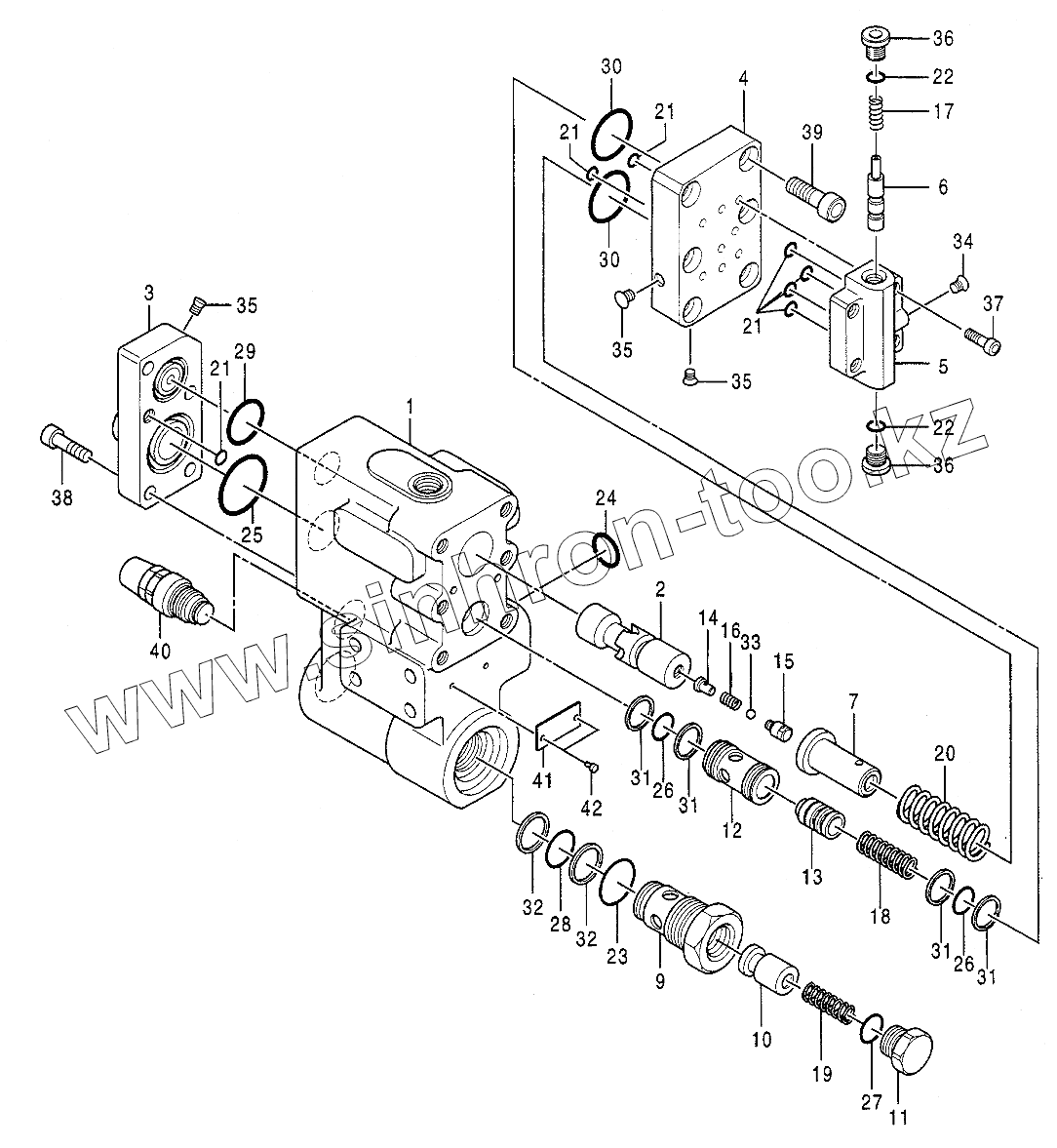
Каталог запасных частей к технике: Hitachi Компоненты EX-120-2. VALVE, HOLDING Serial №D93/10-
1
2
3
4
5
6
7
9
10
11
12
13
14
15
16
17
18
19
20
21
21
21
21
22
22
23
24
25
26
26
27
28
29
30
30
31
31
31
31
32
32
33
34
35
35
35
36
36
37
38
39
40
41
42
| Позиция на иллюстрации | Заводской номер детали | Название детали | |
|---|---|---|---|
| 4311302 | 4311302 | VALVE, HOLDING | |
| 1 | BODY | BODY | |
| 2 | SPOOL | SPOOL | |
| 3 | COVER | COVER | |
| 4 | COVER | COVER | |
| 5 | BODY | BODY | |
| 6 | SPOOL | SPOOL | |
| 7 | 0620401 | SEAT, SPRING | |
| 9 | GUIDE | GUIDE | |
| 10 | PLUNGER | PLUNGER | |
| 11 | 0620402 | PLUG | |
| 12 | BUSHING | BUSHING | |
| 13 | PISTON | PISTON | |
| 14 | SЕАТ | SЕАТ | |
| 15 | PLUG | PLUG | |
| 16 | SPRING | SPRING | |
| 17 | 0620303 | SPRING | |
| 18 | 0620304 | SPRING | |
| 19 | 0498602 | SPRING | |
| 20 | 0620403 | SPRING | |
| 21 | 4506407 | O-RING | |
| 22 | 957366 | O-RING | |
| 23 | 4506429 | O-RING | |
| 24 | А811030 | O-RING | |
| 25 | А811040 | O-RING | |
| 26 | 0294414 | O-RING | |
| 27 | 0215216 | O-RING | |
| 28 | 0230905 | O-RING | |
| 29 | 0264107 | O-RING | |
| 30 | 0620404 | O-RING | |
| 31 | 0620306 | RING, BACK-UP | |
| 32 | 0620405 | RING, BACK-UP | |
| 33 | ВАLL | ВАLL, SТЕЕL | |
| 34 | PLUG | PLUG | |
| 35 | PLUG | PLUG | |
| 36 | 0215221 | PLUG | |
| 37 | 0620307 | BOLT, SOCKET | |
| 38 | 0254011 | BOLT, SOCKET | |
| 39 | 0215615 | BOLT, SOCKET | |
| 40 | 4324747 | VALVE, RELIEF | |
| 41 | 0408308 | NAME-PLATE | |
| 42 | 0242006 | SCREW, DRIVE |
Содержащиеся в справочниках-каталогах запасные части и детали не предлагаются к продаже, а носят исключительно информационный характер