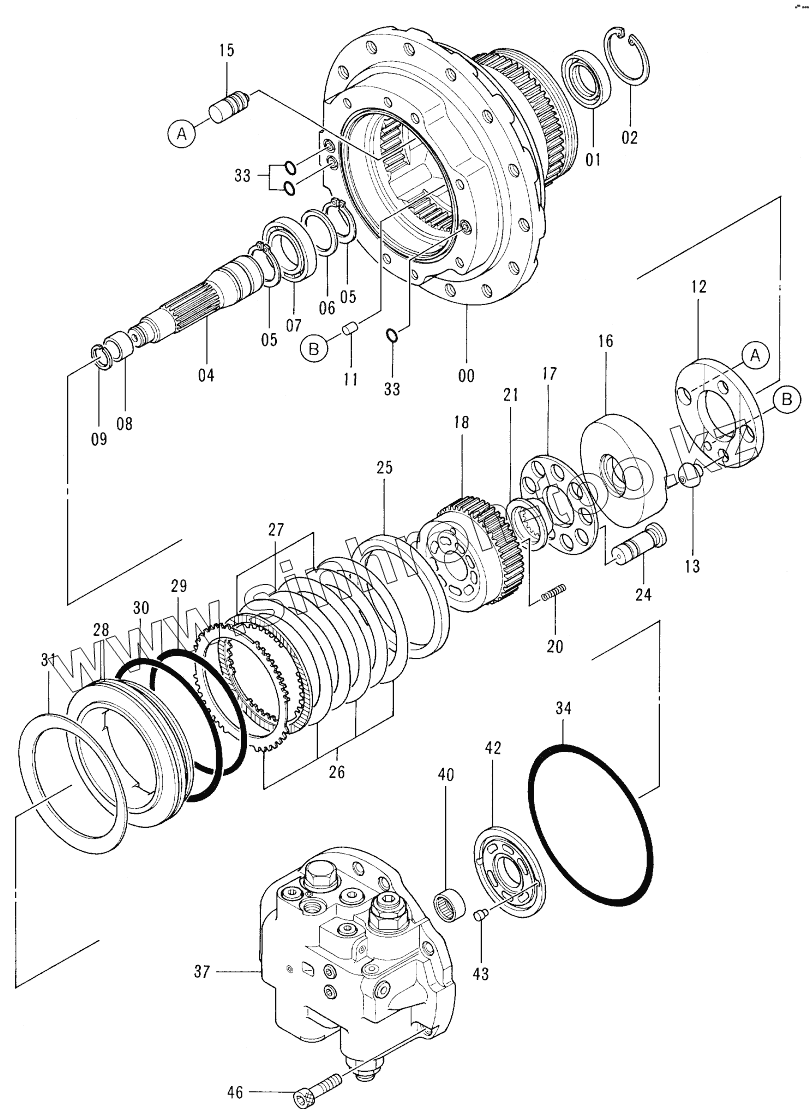
Каталог запасных частей к технике: Hitachi Компоненты EX-100-2. MOTOR, OIL (TRAVEL) 30001-H01177
1015120
9096731
1
2
4
5
5
6
7
8
9
11
12
13
15
16
17
18
20
21
24
25
26
27
28
29
30
31
33
33
34
37
40
42
43
46
| Позиция на иллюстрации | Заводской номер детали | Название детали | |
|---|---|---|---|
| 1015120 | 1015120 | HOUSING | |
| 9096731 | 9096731 | MOTOR, OIL | |
| 1 | 4212841 | SEAUOIL | |
| 2 | 991725 | RING, RETAINING | |
| 4 | 3047919 | SHAFT | |
| 5 | 959499 | RING, RETAINING | |
| 6 | 4251146 | PLATE | |
| 7 | 4250923 | BRG., ROL. | |
| 8 | 4248340 | RACE, INNER | |
| 9 | 4229543 | RING, RETAINING | |
| 11 | 4212842 | PIN, KNOCK | |
| 12 | 3050567 | PLATE | |
| 13 | 4252764 | PIN | |
| 15 | 4264312 | PISTON, SERVO | |
| 16 | 3049956 | PLATE, SWASH | |
| 17 | 3058406 | RETAINER | |
| 18 | 2028344 | ROTOR | |
| 20 | 4247991 | SPRING, COMPRES. | |
| 21 | 4248342 | BUSHING | |
| 24 | 8050709 | PISTON | |
| 25 | 4266511 | SPACER | |
| 26 | 3032432 | PLATE | |
| 27 | 3043240 | PLATE, FRICTION | |
| 28 | 3051501 | PISTON | |
| 29 | 4232766 | D-RING | |
| 30 | 4232767 | O-RING | |
| 31 | 3043242 | SPRING, DISC | |
| 33 | 4506415 | O-RING | |
| 34 | 4244542 | O-RING | |
| 37 | 9099928 | VALVE, BRAKE | |
| 40 | 4234840 | BRG., NEEDLE | |
| 42 | 3047922 | PLATE, VALVE | |
| 43 | 4271350 | PIN, KNOCK | |
| 46 | М341232 | BOLT, SOCKET |
Содержащиеся в справочниках-каталогах запасные части и детали не предлагаются к продаже, а носят исключительно информационный характер