Вернуться на главную
Поиск
Каталоги запчастей к технике
Спецтехника
Hitachi
EX-70
PIPING, RETURN
Каталог запасных частей к технике: Hitachi EX-70. PIPING, RETURN
zoom-in
zoom-out
enlarge
shrink
circle-right
circle-left
file-text2
info
cart
Тип техники
Не выбрано
Легковые автомобили
Грузовые автомобили и прицепы
Автобусы
Сельхозтехника
Спецтехника
Двигатели
Мототехника
Марка
Не выбрано
Ammann
BOMAG
CARMIX
CASE IH
Changlin
ChengGong
Dimex
Doosan
DYNAPAC
Foton
HAMM
Hidromek
Hitachi
Hyundai
JCB
JLG
John Deere
Komatsu
LIEBHERR
LiuGong
Lonking (LongGong)
Luneng
MANITOU
Mitsuber
New Holland
PENGPU
RM-Terex
SANY
SDLG
SEM
Shantui
Shehwa HBXG
Soosan
TIGARBO
VOGELE
Volvo
WAY
WIRTGEN
XCMG
XGMA
Xiamen
YTO
Yuchai
Zoomlion
Автокран
АЗСМ
Алтайлесмаш
Амкодор
АОМЗ
Атек
АТЗ
Балканкар Рекорд
БелАЗ
Беловеж
Борекс
Брянский Арсенал
Булат
ВЭКС
ГАЗ
Геомаш
Гидромаш
Донекс
Дормаш
Дормашина
Дорэлектромаш
ДЭЗ
ЕлАЗ
ЗЗГТ
Ижнефтемаш
Канаш-электрокар
КЗКТ
ККЗ
Клевер
Клинцовский автокрановый завод
КМЗ
КМЗ 1 Мая
Ковровец
Коммаш
Кранэкс
КЭЗ
КЭМЗ
ЛЗА
МАЗ
МЗИК
МЗКМ
МЗКТ
Михневский РМЗ
МоАЗ
Мозырский МЗ
МТЗ
ОЗП
Онежец
ПАО "ТЗА"
ППС Детва
Промтрактор
ПТЗ
Раскат
СпецАгрегат
ТВЭКС
ТТМ
УВЗ
Угличмаш
УЗТМ
ХТЗ
ЧЗКМ
ЧСДМ
ЧТЗ
ЭКСКО
ЭКСМАШ
ЮрМаш
Модель
Не выбрано
EX-100-2 (2000)
EX-100-3 (2008)
EX-100WD (2008)
EX-120 (2008)
EX-120-2 (2008)
EX-160WD (2008)
EX-200 (2008)
EX-200-2 (2008)
EX-200-3
EX-220 (2008)
EX-220-2 (2008)
EX-270 (2008)
EX-300 (2008)
EX-300-2 (2000)
EX-400 Type A (2006)
EX-400 Type B (2006)
EX-60 (2003)
EX-60-2 (2000)
EX-60-3 (2008)
EX-70 (2017)
LX-110-7 (2008)
LX-130-7 (2008)
LX-150-2 (2008)
LX-160-7 (2008)
LX190-7/LX230-7 (2008)
Zaxis 190-3
ZAXIS 200-5A (2018)
ZAXIS 200LC-5A (2018)
ZAXIS 210H-5A (2018)
ZAXIS 210K-5A (2018)
ZAXIS 210LCH-5A (2018)
ZAXIS 210LCK-5A (2018)
ZAXIS 330-5G (2017)
ZAXIS 350H-5G (2017)
ZAXIS 48U-5A (2020)
ZAXIS 850-3
ZAXIS 870H-3
ZX-110 (2008)
ZX-160W (2008)
ZX-200 (2008)
ZX-230 (2008)
ZX-25 (2008)
ZX-270 (2008)
ZX-330 (2010)
ZX-330-3 (Part № PIHH-I-3) (2008)
ZX-330-3 (Part № PIHH-I-5) (2013)
ZX-330-3G (2008)
ZX-400R-3 (2010)
ZX-450 (2006)
ZX-600 (2007)
Компоненты EX-100-2 (2000)
Компоненты EX-100WD (2008)
Компоненты EX-120 (2008)
Компоненты EX-120-2 (2008)
Компоненты EX-160WD (2008)
Компоненты EX-200 (2008)
Компоненты EX-200-2 (2008)
Компоненты EX-200-3(LC, H)
Компоненты EX-220 (2008)
Компоненты EX-220-2 (2008)
Компоненты EX-270 (2008)
Компоненты EX-300 (2008)
Компоненты EX-300-2 (2000)
Компоненты EX-400 Type A (2006)
Компоненты EX-400 Type B (2006)
Компоненты EX-60 (2003)
Компоненты EX-60-2 (2000)
Компоненты EX-60-3 (2008)
Компоненты ZAXIS 450, 470, 500, 520 (2010)
Компоненты ZX-110 (2008)
Компоненты ZX-120 (130) (2008)
Компоненты ZX-160W (2008)
Компоненты ZX-200 (2008)
Компоненты ZX-230 (2008)
Компоненты ZX-270 (2008)
Компоненты ZX-330 (2008)
Компоненты ZX-450 (2006)
Схема
>
Не выбрано
MAIN FRAME ASSEMBLY
BOOM FOOT PIN
CENTRE JOINT SUPPORT
FRAME PARTS
COUNTER WEIGHT ASSEMBLY
ENGINE MOUNTING ASSEMBLY
ENGINE CONTROL ASSEMBLY
ENGINE AND ROC ASSEMBLY
ROC ASSEMBLY
AUXILIARY TANK ASSEMBLY
AIR INTAKE ASSEMBLY
AIR INTAKE ASSEMBLY
EXHAUST ASSEMBLY
FUEL TANK
FUEL TANK
OIL TANK ASSEMBLY
PIPING DOZER PUMP
PUMP ASSEMBLY WITH DOZER
PUMP WITH FLURO RUBBER SEAL
GEAR PUMP (BLADE)
GEAR PUMP (STD)
PARTS FOR NON-DOZER
SWING DEVICE SUPPORT
SWING DEVICE
MOTOR SWING
SWING DEVICE, ABOVE SWING DEVICE IS APPLICABLE UPTO M/C SL. NO. S070-09508
SWING DEVICE, ABOVE SWING DEVICE IS APPLICABLE UPTO M/C SL. NO. S070-09508
MOTOR OIL (1-2), ABOVE SWING DEVICE IS APPLICABLE UPTO M/C SL. NO. S070-09508
MOTOR OIL (2-2), ABOVE SWING DEVICE IS APPLICABLE UPTO M/C SL. NO. S070-09508
OIL COOLER PIPING
OIL COOLER PIPING
OIL COOLER PIPING
OIL COOLER PIPING
VALVE CONTROL
VALVE CONTROL
MAIN PIPING 1
MAIN PIPING 2
MAIN PIPING 3
MAIN PIPING 4
PILOT PIPING (1-2)
PILOT PIPING (1)
PILOT PIPING (2-1)
PILOT PIPING (2-2)
PILOT PIPING (3-1)
PILOT PIPING (3-2)
PILOT PIPING 4
PIPING, SUCTION
PIPING, DELIVERY
PIPING, RETURN
PIPING, DRAIN
CAB GROUP
CABIN ASSEMBLY WELDMENT
CABIN ASSEMBLY WELDMENT
CABIN ASSEMBLY WELDMENT
CABIN ASSEMBLY WELDMENT
SASH ASSEMBLY REAR WINDOW
FRONT MOVABLE WINDOW ASSEMBLY
DOOR ASSEMBLY
ROOF WINDOW ASSEMBLY
SEAT STAND
CONSOLE
CONSOLE COVER (1)
MONITOR ASSEMBLY
CONTROL LEVER (FRONT SWING)
PILOT VALVE
CONTROL LEVER (TRAVEL)
LEVER LOCK
WINDOW WASHER ASSEMBLY
CABIN LAMP ASSEMBLY
SWITCH ASSEMBLY
BATTERY ASSEMBLY
HORN ASSEMBLY
ENGINE EARTHING ASSEMBLY
SENSOR ASSEMBLY
BOOM LAMP ASSEMBLY
ELECTRICAL PARTS-1
ELECTRICAL PARTS-2
ELECTRICAL PARTS-3
ENGINE COVER ASSEMBLY
COVER (1)
COVER (2)
COVER (3)
DOOR ASSEMBLY
DOOR ASSEMBLY
COVER (4)
UNDER COVER
ENGINE HOOD ASSEMBLY
CARRIER ASSEMBLY
FLOOR ASSEMBLY
TRAVEL CABLE
FLOOR PLATE ASSEMBLY
FLOOR-PARTS
REAR TRAY ASSEMBLY
SPEED SOLENOID VALVE ASSEMBLY
VALVE LOCK
VALVE FC
VALVE RELIEF
TRACK FRAME
ROLLER ASSEMBLY
SLEW RING ASSEMBLY
SLEW CIRCLE RING
TRAVEL DEVICE ASSEMBLY
TRAVEL MOTOR ASSEMBLY
TRAVEL REDUCTION GEAR
TRAVEL MOTOR ASSEMBLY
TRAVEL MOTOR ASSEMBLY
ROLLER
ROLLER
TRACK CHAIN ASSEMBLY
TRACK CHAIN ASSEMBLY
IDLER
TRACK ADJUSTER ASSEMBLY
CENTRE JOINT ASSEMBLY
CENTRE JOINT
TRAVEL PIPING
BOOM
PIPING FRONT
ARM STANDARD (1.62M)
CYLINDER BOOM
CYLINDER ARM
BUCKET CYLINDER
CYLINDER DOZER
BLADE
BLADE PIPING
CONTROL LEVER DOZER
DOZER CABLE
GP BUCKET ASSEMBLY (WITH HD TOOTH POINT)
GP BUCKET ASSEMBLY WIDE BUCKET ASSY (WITH HD TOOTH POINT)
TOOLS ASSEMBLY
EMERGENCY SPARES
NAME PLATE ASSEMBLY
NAME PLATE ASSEMBLY
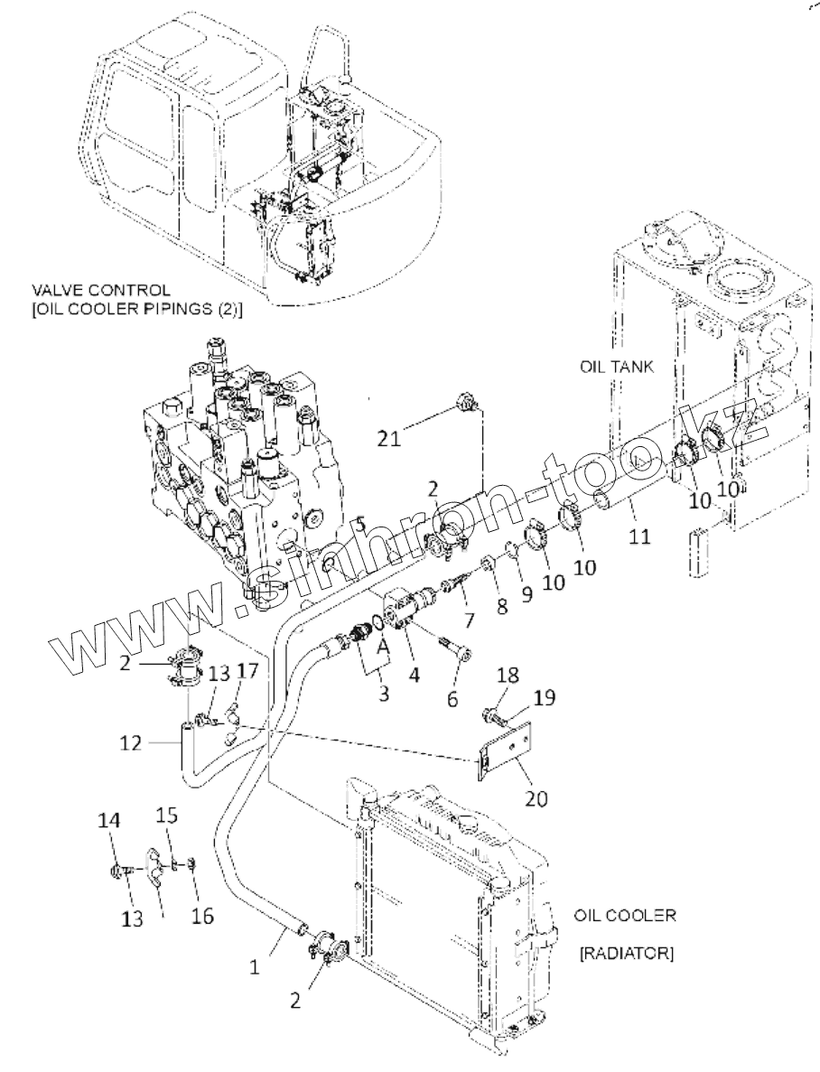
1
2
2
2
3
4
5
6
7
8
9
10
10
10
10
11
12
13
13
14
15
16
17
18
19
20
21
Позиция на иллюстрации
Заводской номер детали
Название детали
ТВ20534
ТВ20534
PIPING, RETURN
1
ТС20238
PIPE, RETURN
2
4071213
COUPLING
3
4042034
ADAPTER
4
2023808
MANIFOLD
5
А810050
O-RING
6
М341065
BOLT, SOCKET
7
4197528
VALVE
8
4197527
RING
9
Z930453
RING, RETAINING
10
4504198
CLAMP, HOSE
11
ТЕ22512
RUBBER HOSE
12
ТС00619
PIPE, OC OUTLET
13
J901270
BOLT
14
А590912
WASHER, SPRING
15
4086891
WASHER
16
J950012
NUT
17
4190127
CLAMP, PIPE
18
ТЕ20004
WASHER 3D
19
J901025
BOLT
20
9738552
BRACKET
21
4092534
PLUG
22
4189860
CLAMP, PIPE
Содержащиеся в справочниках-каталогах запасные части и детали не предлагаются к продаже, а носят исключительно информационный характер
Дополнительная информация
×
Название:
Номер:
Примечание: