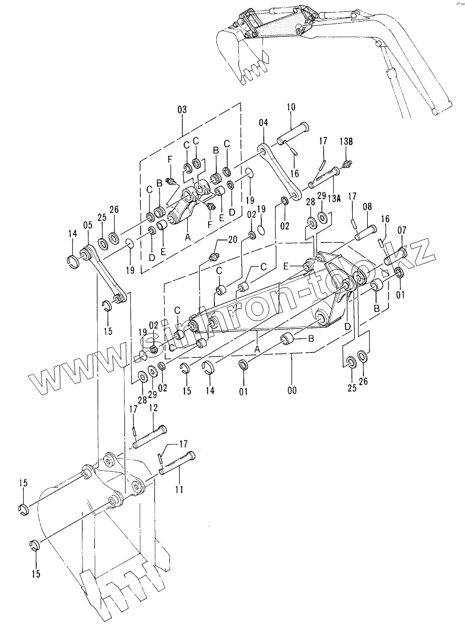
Каталог запасных частей к технике: Hitachi EX-60-3. STD. ARM (1.62M)
7024177
00A
00B
00B
00C
00C
00C
00C
00D
00E
1
1
2
2
2
2
3
03A
03B
03B
03C
03C
03C
03C
03D
03D
03E
03E
03F
03F
4
5
7
8
10
11
12
13A
13B
14
14
15
15
15
15
16
16
17
17
17
17
19
19
19
19
20
25
25
26
26
28
28
29
29
| Позиция на иллюстрации | Заводской номер детали | Название детали | |
|---|---|---|---|
| 7024177 | 7024177 | ARM ASS’Y | |
| 00A | 6011691 | ARM | |
| 00B | 4197842 | BUSHING | |
| 00C | 4273542 | ВUSНING | |
| 00D | 4197031 | STOPPER | |
| 00E | 4197029 | STOPPER | |
| 1 | 4094086 | SEAL, DUST | |
| 2 | 4117955 | SEAL, DUST | |
| 3 | 8050336 | LINK ASS’Y | |
| 03A | 2031597 | LINK | |
| 03B | 4272706 | BUSHING | |
| 03C | 4094087 | SEAL, DUST | |
| 03D | 4117955 | SEAL, DUST | |
| 03E | 4273542 | ВUSНING | |
| 03F | J75481 | FITTING, GREASE | |
| 4 | 3037342 | LINK | |
| 5 | 8037570 | LINK | |
| 7 | 3055535 | PIN | |
| 8 | 3055537 | PIN | |
| 10 | 3037350 | PIN | |
| 11 | 3055538 | PIN | |
| 12 | 3046682 | PIN | |
| 13A | 3037349 | PIN | |
| 13B | J75481 | FITTING, GREASE | |
| 14 | 4065688 | RING | |
| 15 | 4141000 | RING | |
| 16 | 4065689 | PIN | |
| 17 | 4141001 | PIN | |
| 19 | 4237801 | O-RING | |
| 20 | J75481 | FITTING, GREASE | |
| 25 | 4180196 | SPACER | |
| 26 | 4042135 | SPACER 2.3 | |
| 28 | 4294885 | SHIM 1.0 | |
| 29 | 4294886 | SHIM 2.0 |
Содержащиеся в справочниках-каталогах запасные части и детали не предлагаются к продаже, а носят исключительно информационный характер