Вернуться на главную
Поиск
Каталоги запчастей к технике
Спецтехника
Hitachi
EX-60-3
PILOT PIPINGS (N.EUROPE)
Каталог запасных частей к технике: Hitachi EX-60-3. PILOT PIPINGS (N.EUROPE)
zoom-in
zoom-out
enlarge
shrink
circle-right
circle-left
file-text2
info
cart
Тип техники
Не выбрано
Легковые автомобили
Грузовые автомобили и прицепы
Автобусы
Сельхозтехника
Спецтехника
Двигатели
Мототехника
Марка
Не выбрано
Ammann
BOMAG
CARMIX
CASE IH
Changlin
ChengGong
Dimex
Doosan
DYNAPAC
Foton
HAMM
Hidromek
Hitachi
Hyundai
JCB
JLG
John Deere
Komatsu
LIEBHERR
LiuGong
Lonking (LongGong)
Luneng
MANITOU
Mitsuber
New Holland
PENGPU
RM-Terex
SANY
SDLG
SEM
Shantui
Shehwa HBXG
Soosan
TIGARBO
VOGELE
Volvo
WAY
WIRTGEN
XCMG
XGMA
Xiamen
YTO
Yuchai
Zoomlion
Автокран
АЗСМ
Алтайлесмаш
Амкодор
АОМЗ
Атек
АТЗ
Балканкар Рекорд
БелАЗ
Беловеж
Борекс
Брянский Арсенал
Булат
ВЭКС
ГАЗ
Геомаш
Гидромаш
Донекс
Дормаш
Дормашина
Дорэлектромаш
ДЭЗ
ЕлАЗ
ЗЗГТ
Ижнефтемаш
Канаш-электрокар
КЗКТ
ККЗ
Клевер
Клинцовский автокрановый завод
КМЗ
КМЗ 1 Мая
Ковровец
Коммаш
Кранэкс
КЭЗ
КЭМЗ
ЛЗА
МАЗ
МЗИК
МЗКМ
МЗКТ
Михневский РМЗ
МоАЗ
Мозырский МЗ
МТЗ
ОЗП
Онежец
ПАО "ТЗА"
ППС Детва
Промтрактор
ПТЗ
Раскат
СпецАгрегат
ТВЭКС
ТТМ
УВЗ
Угличмаш
УЗТМ
ХТЗ
ЧЗКМ
ЧСДМ
ЧТЗ
ЭКСКО
ЭКСМАШ
ЮрМаш
Модель
Не выбрано
EX-100-2 (2000)
EX-100-3 (2008)
EX-100WD (2008)
EX-120 (2008)
EX-120-2 (2008)
EX-160WD (2008)
EX-200 (2008)
EX-200-2 (2008)
EX-200-3
EX-220 (2008)
EX-220-2 (2008)
EX-270 (2008)
EX-300 (2008)
EX-300-2 (2000)
EX-400 Type A (2006)
EX-400 Type B (2006)
EX-60 (2003)
EX-60-2 (2000)
EX-60-3 (2008)
EX-70 (2017)
LX-110-7 (2008)
LX-130-7 (2008)
LX-150-2 (2008)
LX-160-7 (2008)
LX190-7/LX230-7 (2008)
Zaxis 190-3
ZAXIS 200-5A (2018)
ZAXIS 200LC-5A (2018)
ZAXIS 210H-5A (2018)
ZAXIS 210K-5A (2018)
ZAXIS 210LCH-5A (2018)
ZAXIS 210LCK-5A (2018)
ZAXIS 330-5G (2017)
ZAXIS 350H-5G (2017)
ZAXIS 48U-5A (2020)
ZAXIS 850-3
ZAXIS 870H-3
ZX-110 (2008)
ZX-160W (2008)
ZX-200 (2008)
ZX-230 (2008)
ZX-25 (2008)
ZX-270 (2008)
ZX-330 (2010)
ZX-330-3 (Part № PIHH-I-3) (2008)
ZX-330-3 (Part № PIHH-I-5) (2013)
ZX-330-3G (2008)
ZX-400R-3 (2010)
ZX-450 (2006)
ZX-600 (2007)
Компоненты EX-100-2 (2000)
Компоненты EX-100WD (2008)
Компоненты EX-120 (2008)
Компоненты EX-120-2 (2008)
Компоненты EX-160WD (2008)
Компоненты EX-200 (2008)
Компоненты EX-200-2 (2008)
Компоненты EX-200-3(LC, H)
Компоненты EX-220 (2008)
Компоненты EX-220-2 (2008)
Компоненты EX-270 (2008)
Компоненты EX-300 (2008)
Компоненты EX-300-2 (2000)
Компоненты EX-400 Type A (2006)
Компоненты EX-400 Type B (2006)
Компоненты EX-60 (2003)
Компоненты EX-60-2 (2000)
Компоненты EX-60-3 (2008)
Компоненты ZAXIS 450, 470, 500, 520 (2010)
Компоненты ZX-110 (2008)
Компоненты ZX-120 (130) (2008)
Компоненты ZX-160W (2008)
Компоненты ZX-200 (2008)
Компоненты ZX-230 (2008)
Компоненты ZX-270 (2008)
Компоненты ZX-330 (2008)
Компоненты ZX-450 (2006)
Схема
>
Не выбрано
FRAME
COUNTER WEIGHT
ENGINE
RADIATOR
RADIATOR SUPPORT
RESERVE TANK
AIR CLEANER
MUFFLER
FUEL PIPINGS
FUEL TANK
FUEL DOUBLE FILTER <OPTION>
PUMP DEVICE
SWING DEVICE
OIL TANK
OIL COOLER PIPINGS
OIL COOLER PIPINGS
OIL COOLER PIPINGS
MAIN PIPINGS
MAIN PIPINGS
MAIN PIPINGS
MAIN PIPINGS
ENGINE CONTROL MOTOR
ENGINE CONTROL CABLE
ENGINE CONTROL LEVER <OPTION>
CONTROL LEVER
CONTROL LEVER
CONTROL LEVER
TRAVEL LEVER CABLE
LEVER LOCK
PILOT PIPINGS (STD)(EU)
PILOT PIPINGS (N.EUROPE)
PILOT PIPINGS
PILOT PIPINGS
PILOT PIPINGS (STD)(EU)
PILOT PIPINGS (N.EUROPE)
PILOT PIPINGS (STD)
PILOT PIPINGS (EU)(N.EUROPE)
PILOT PIPINGS (STD)
PILOT PIPINGS (EU)(N.EUROPE)
PILOT PIPINGS (STD)
PILOT PIPINGS (EU)(N.EUROPE)
ACCUMULATOR (EU)(N.EUROPE)
SHOCKLESS PARTS <LC TRACK>
CONSOLE (R)
CONSOLE (L)(STD)
CONSOLE (L)(EU)(N.EUROPE)
SWITCH BOX
GAUGE PANEL (STD)
GAUGE PANEL (EU)(N.EUROPE)
RADIO
ELECTRIC PARTS
ELECTRIC PARTS (STD)
ELECTRIC PARTS (EU)
ELECTRIC PARTS (N.EUROPE)
ELECTRIC PARTS
ELECTRIC PARTS (STD)
ELECTRIC PARTS (EU)
ELECTRIC PARTS (N.EUROPE)
ELECTRIC PARTS (STD)(EU)
ELECTRIC PARTS (N.EUROPE)
ELECTRIC PARTS
WINDOW WASHER <OPTION>
CAR HEATER
CAR HEATER PARTS
HEATER PIPINGS
CAB GROUP
CAB GROUP
REARVIEW MIRROR <OPTION>
CAB
CAB
CAB (STD)
CAB (EU)
CAB
CAB
CAB
CAB
SUNVISOR (N.EUROPE)
REAR COVER (INSIDE OF CAB)
FLOOR PARTS
SEAT (STD)
SEAT (EU)(N.EUROPE) (040001-040718)
SEAT (EU)(N.EUROPE) (040719-)
SEAT STAND (STD)
SEAT STAND (EU)(N.EUROPE) (040001-040718)
SEAT STAND (EU)(N.EUROPE) (040719-)
SEAT BELT
COVER
COVER
COVER
COVER
COVER (STD)
COVER (EU)(N.EUROPE)
COVER
DOOR LOCK
DOOR LOCK
TRACK FRAME <STD. TRACK>
TRACK FRAME <LC TRACK>
SWING BEARING
TRAVEL DEVICE
FRONT IDLER
ADJUSTER
UPPER ROLLER
LOWER ROLLER
TRACK-LINK (450G)<STD. TRACK>
TRACK-LINK (450G)<LC TRACK>
CENTER JOINT <STD. TRACK>
CENTER JOINT <WITH BLADE>
TRAVEL PIPINGS <STD. TRACK>
TRAVEL PIPINGS <LC TRACK>
TRAVEL PIPINGS COVER
BOOM
STD. ARM (1.62M)
BUCKET (0.25)
FRONT PIPINGS
FRONT PIPINGS
CYLINDER COVER (EU)(N.EUROPE)
LUBRICATE PIPINGS
OFFSET BOOM
OFFSET BOOM
CONTROL PEDAL (BREAKER & CRUSHER)<OFFSET BOOM>
MAIN PIPINGS <OFFSET BOOM>
FRONT PIPINGS <OFFSET BOOM>
FRONT PIPINGS <OFFSET BOOM>
FRONT PIPINGS <OFFSET BOOM>
BLADE
BLADE CONTROL LEVER
BLADE PIPINGS (UPPERSTRUCTURE)
BLADE PIPINGS (UNDERCARRIAGE)
BOOM <SHORT REACH>
ARM <SHORT REACH>
BUCKET (0.25)<SHORT REACH>
BUCKET (0.3)<SHORT REACH>
PROTECTOR
FRONT PIPINGS <SHORT REACH>
BOOM <SUPER SHORT REACH>
ARM <SUPER SHORT REACH>
BUCKET (0.3)<SUPER SHORT REACH>
FRONT PIPINGS <SUPER SHORT REACH>
COUNTER WEIGHT <VIBRATOR>
PUMP DEVICE <VIBRATOR>
OIL TANK <VIBRATOR>
MAIN PIPINGS <VIBRATOR>
MAIN PIPINGS <VIBRATOR>
MAIN PIPINGS <VIBRATOR>
CONTROL LEVER <VIBRATOR>
PILOT PIPINGS <VIBRATOR>
ELECTRIC PARTS <VIBRATOR>
ELECTRIC PARTS <VIBRATOR>
COVER <VIBRATOR>
BOOM <VIBRATOR>
STD. ARM (1.62M) <VIBRATOR>
STD. ARM (2.12M) <VIBRATOR>
FRONT PIPINGS (STD ARM) <VIBRATOR>
FRONT PIPINGS (STD ARM) <VIBRATOR>
FRONT PIPINGS (LONG ARM) <VIBRATOR>
FRONT PIPINGS (LONG ARM) <VIBRATOR>
SLOW-RETURN VALVE PARTS
ADJUSTER (RUBBER CRAWLER)
RUBBER CRAWLER <STD. TRACK>
RUBBER CRAWLER <LC TRACK>
AIR CONDITIONER
AIR CONDITIONER
AIR-CON. UNIT
AIR-CON. CONTROLLER
HOT & COOL BOX
TRACK-LINK (600G)<STD. TRACK>
TRACK-LINK (500A)<STD. TRACK>
TRACK-LINK (700A)<STD. TRACK>
TRACK-LINK (450F)<STD. TRACK>
TRACK-LINK (450GP)(RUBBER PAD)<STD. TRACK>
LONG ARM (2.12M)
FRONT PIPINGS (LONG ARM)
BUCKET (0.1)
BUCKET (0.2)
BUCKET (0.3)
BUCKET (0.2) 25S TYPE
BUCKET (0.25) 25S TYPE
BUCKET (0.3) 25S TYPE
SLOPE-FINISHING BLADE
HOSE RUPTURE VALVE PIPINGS (BOOM)
HOSE RUPTURE VALVE PIPINGS (BOOM)
HOSE RUPTURE VALVE PIPINGS (BOOM)
MAIN PIPINGS FOR BREAKER & CRUSHER
FRONT PIPINGS FOR BREAKER & CRUSHER
PIPINGS FOR NPK BREAKER & CRUSHER
PIPINGS FOR OKADA / FURUKAWA BREAKER
PIPINGS FOR OKADA / FURUKAWA BREAKER & CRUSHER
TOOLS
SPARE PARTS
NAME-PLATE (ENGLISH)(STD)
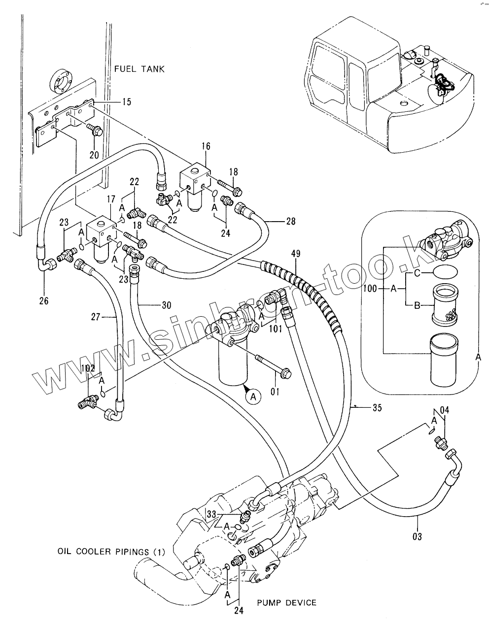
1
3
4
04A
15
16
17
18
18
20
22
22
22A
22A
23
23
23A
23A
24
24
24A
24A
26
27
28
30
33
33A
35
49
100
100A
100B
100C
101
101A
102
102A
Позиция на иллюстрации
Заводской номер детали
Название детали
1
J011095
BOLT
3
4282549
HOSE
4
4210361
ADAPTER, S
04A
4506418
O-RING
15
9737936
BRACKET
16
4261289
VALVE, SOLENOID
17
4273526
VALVE SOL.
18
J010860
BOLT, SEMS
20
J010820
BOLT, SEMS
22
4154670
ELBOW, S
22A
957366
O-RING
23
4203171
TEE, S
23A
957366
O-RING
24
4200465
ADAPTER, S
24A
957366
O-RING
26
4316263
HOSE, NYLON
27
4316264
HOSE NYLON
28
4207375
HOSE, NYLON
30
4269793
HOSE
33
4200465
ADAPTER, S
33A
957366
O-RING
35
4322500
HOSE
49
4149557
PROTECTOR
100
4191300
FILTER, OIL
100A
4207841
ELEMENT, OIL
100B
4191301
ELEMENT, FILTER
100C
A811065
O-RING
101
4154672
ELBOW
101A
4506418
O-RING
102
4217345
TEE, S
102A
4506418
O-RING
Содержащиеся в справочниках-каталогах запасные части и детали не предлагаются к продаже, а носят исключительно информационный характер
Дополнительная информация
×
Название:
Номер:
Примечание: