Вернуться на главную
Поиск
Каталоги запчастей к технике
Спецтехника
Hitachi
EX-60-3
MAIN PIPINGS
Каталог запасных частей к технике: Hitachi EX-60-3. MAIN PIPINGS
zoom-in
zoom-out
enlarge
shrink
circle-right
circle-left
file-text2
info
cart
Тип техники
Не выбрано
Легковые автомобили
Грузовые автомобили и прицепы
Автобусы
Сельхозтехника
Спецтехника
Двигатели
Мототехника
Марка
Не выбрано
Ammann
BOMAG
CARMIX
CASE IH
Changlin
ChengGong
Dimex
Doosan
DYNAPAC
Foton
HAMM
Hidromek
Hitachi
Hyundai
JCB
JLG
John Deere
Komatsu
LIEBHERR
LiuGong
Lonking (LongGong)
Luneng
MANITOU
Mitsuber
New Holland
PENGPU
RM-Terex
SANY
SDLG
SEM
Shantui
Shehwa HBXG
Soosan
TIGARBO
VOGELE
Volvo
WAY
WIRTGEN
XCMG
XGMA
Xiamen
YTO
Yuchai
Zoomlion
Автокран
АЗСМ
Алтайлесмаш
Амкодор
АОМЗ
Атек
АТЗ
Балканкар Рекорд
БелАЗ
Беловеж
Борекс
Брянский Арсенал
Булат
ВЭКС
ГАЗ
Геомаш
Гидромаш
Донекс
Дормаш
Дормашина
Дорэлектромаш
ДЭЗ
ЕлАЗ
ЗЗГТ
Ижнефтемаш
Канаш-электрокар
КЗКТ
ККЗ
Клевер
Клинцовский автокрановый завод
КМЗ
КМЗ 1 Мая
Ковровец
Коммаш
Кранэкс
КЭЗ
КЭМЗ
ЛЗА
МАЗ
МЗИК
МЗКМ
МЗКТ
Михневский РМЗ
МоАЗ
Мозырский МЗ
МТЗ
ОЗП
Онежец
ПАО "ТЗА"
ППС Детва
Промтрактор
ПТЗ
Раскат
СпецАгрегат
ТВЭКС
ТТМ
УВЗ
Угличмаш
УЗТМ
ХТЗ
ЧЗКМ
ЧСДМ
ЧТЗ
ЭКСКО
ЭКСМАШ
ЮрМаш
Модель
Не выбрано
EX-100-2 (2000)
EX-100-3 (2008)
EX-100WD (2008)
EX-120 (2008)
EX-120-2 (2008)
EX-160WD (2008)
EX-200 (2008)
EX-200-2 (2008)
EX-200-3
EX-220 (2008)
EX-220-2 (2008)
EX-270 (2008)
EX-300 (2008)
EX-300-2 (2000)
EX-400 Type A (2006)
EX-400 Type B (2006)
EX-60 (2003)
EX-60-2 (2000)
EX-60-3 (2008)
EX-70 (2017)
LX-110-7 (2008)
LX-130-7 (2008)
LX-150-2 (2008)
LX-160-7 (2008)
LX190-7/LX230-7 (2008)
Zaxis 190-3
ZAXIS 200-5A (2018)
ZAXIS 200LC-5A (2018)
ZAXIS 210H-5A (2018)
ZAXIS 210K-5A (2018)
ZAXIS 210LCH-5A (2018)
ZAXIS 210LCK-5A (2018)
ZAXIS 330-5G (2017)
ZAXIS 350H-5G (2017)
ZAXIS 48U-5A (2020)
ZAXIS 850-3
ZAXIS 870H-3
ZX-110 (2008)
ZX-160W (2008)
ZX-200 (2008)
ZX-230 (2008)
ZX-25 (2008)
ZX-270 (2008)
ZX-330 (2010)
ZX-330-3 (Part № PIHH-I-3) (2008)
ZX-330-3 (Part № PIHH-I-5) (2013)
ZX-330-3G (2008)
ZX-400R-3 (2010)
ZX-450 (2006)
ZX-600 (2007)
Компоненты EX-100-2 (2000)
Компоненты EX-100WD (2008)
Компоненты EX-120 (2008)
Компоненты EX-120-2 (2008)
Компоненты EX-160WD (2008)
Компоненты EX-200 (2008)
Компоненты EX-200-2 (2008)
Компоненты EX-200-3(LC, H)
Компоненты EX-220 (2008)
Компоненты EX-220-2 (2008)
Компоненты EX-270 (2008)
Компоненты EX-300 (2008)
Компоненты EX-300-2 (2000)
Компоненты EX-400 Type A (2006)
Компоненты EX-400 Type B (2006)
Компоненты EX-60 (2003)
Компоненты EX-60-2 (2000)
Компоненты EX-60-3 (2008)
Компоненты ZAXIS 450, 470, 500, 520 (2010)
Компоненты ZX-110 (2008)
Компоненты ZX-120 (130) (2008)
Компоненты ZX-160W (2008)
Компоненты ZX-200 (2008)
Компоненты ZX-230 (2008)
Компоненты ZX-270 (2008)
Компоненты ZX-330 (2008)
Компоненты ZX-450 (2006)
Схема
>
Не выбрано
FRAME
COUNTER WEIGHT
ENGINE
RADIATOR
RADIATOR SUPPORT
RESERVE TANK
AIR CLEANER
MUFFLER
FUEL PIPINGS
FUEL TANK
FUEL DOUBLE FILTER <OPTION>
PUMP DEVICE
SWING DEVICE
OIL TANK
OIL COOLER PIPINGS
OIL COOLER PIPINGS
OIL COOLER PIPINGS
MAIN PIPINGS
MAIN PIPINGS
MAIN PIPINGS
MAIN PIPINGS
ENGINE CONTROL MOTOR
ENGINE CONTROL CABLE
ENGINE CONTROL LEVER <OPTION>
CONTROL LEVER
CONTROL LEVER
CONTROL LEVER
TRAVEL LEVER CABLE
LEVER LOCK
PILOT PIPINGS (STD)(EU)
PILOT PIPINGS (N.EUROPE)
PILOT PIPINGS
PILOT PIPINGS
PILOT PIPINGS (STD)(EU)
PILOT PIPINGS (N.EUROPE)
PILOT PIPINGS (STD)
PILOT PIPINGS (EU)(N.EUROPE)
PILOT PIPINGS (STD)
PILOT PIPINGS (EU)(N.EUROPE)
PILOT PIPINGS (STD)
PILOT PIPINGS (EU)(N.EUROPE)
ACCUMULATOR (EU)(N.EUROPE)
SHOCKLESS PARTS <LC TRACK>
CONSOLE (R)
CONSOLE (L)(STD)
CONSOLE (L)(EU)(N.EUROPE)
SWITCH BOX
GAUGE PANEL (STD)
GAUGE PANEL (EU)(N.EUROPE)
RADIO
ELECTRIC PARTS
ELECTRIC PARTS (STD)
ELECTRIC PARTS (EU)
ELECTRIC PARTS (N.EUROPE)
ELECTRIC PARTS
ELECTRIC PARTS (STD)
ELECTRIC PARTS (EU)
ELECTRIC PARTS (N.EUROPE)
ELECTRIC PARTS (STD)(EU)
ELECTRIC PARTS (N.EUROPE)
ELECTRIC PARTS
WINDOW WASHER <OPTION>
CAR HEATER
CAR HEATER PARTS
HEATER PIPINGS
CAB GROUP
CAB GROUP
REARVIEW MIRROR <OPTION>
CAB
CAB
CAB (STD)
CAB (EU)
CAB
CAB
CAB
CAB
SUNVISOR (N.EUROPE)
REAR COVER (INSIDE OF CAB)
FLOOR PARTS
SEAT (STD)
SEAT (EU)(N.EUROPE) (040001-040718)
SEAT (EU)(N.EUROPE) (040719-)
SEAT STAND (STD)
SEAT STAND (EU)(N.EUROPE) (040001-040718)
SEAT STAND (EU)(N.EUROPE) (040719-)
SEAT BELT
COVER
COVER
COVER
COVER
COVER (STD)
COVER (EU)(N.EUROPE)
COVER
DOOR LOCK
DOOR LOCK
TRACK FRAME <STD. TRACK>
TRACK FRAME <LC TRACK>
SWING BEARING
TRAVEL DEVICE
FRONT IDLER
ADJUSTER
UPPER ROLLER
LOWER ROLLER
TRACK-LINK (450G)<STD. TRACK>
TRACK-LINK (450G)<LC TRACK>
CENTER JOINT <STD. TRACK>
CENTER JOINT <WITH BLADE>
TRAVEL PIPINGS <STD. TRACK>
TRAVEL PIPINGS <LC TRACK>
TRAVEL PIPINGS COVER
BOOM
STD. ARM (1.62M)
BUCKET (0.25)
FRONT PIPINGS
FRONT PIPINGS
CYLINDER COVER (EU)(N.EUROPE)
LUBRICATE PIPINGS
OFFSET BOOM
OFFSET BOOM
CONTROL PEDAL (BREAKER & CRUSHER)<OFFSET BOOM>
MAIN PIPINGS <OFFSET BOOM>
FRONT PIPINGS <OFFSET BOOM>
FRONT PIPINGS <OFFSET BOOM>
FRONT PIPINGS <OFFSET BOOM>
BLADE
BLADE CONTROL LEVER
BLADE PIPINGS (UPPERSTRUCTURE)
BLADE PIPINGS (UNDERCARRIAGE)
BOOM <SHORT REACH>
ARM <SHORT REACH>
BUCKET (0.25)<SHORT REACH>
BUCKET (0.3)<SHORT REACH>
PROTECTOR
FRONT PIPINGS <SHORT REACH>
BOOM <SUPER SHORT REACH>
ARM <SUPER SHORT REACH>
BUCKET (0.3)<SUPER SHORT REACH>
FRONT PIPINGS <SUPER SHORT REACH>
COUNTER WEIGHT <VIBRATOR>
PUMP DEVICE <VIBRATOR>
OIL TANK <VIBRATOR>
MAIN PIPINGS <VIBRATOR>
MAIN PIPINGS <VIBRATOR>
MAIN PIPINGS <VIBRATOR>
CONTROL LEVER <VIBRATOR>
PILOT PIPINGS <VIBRATOR>
ELECTRIC PARTS <VIBRATOR>
ELECTRIC PARTS <VIBRATOR>
COVER <VIBRATOR>
BOOM <VIBRATOR>
STD. ARM (1.62M) <VIBRATOR>
STD. ARM (2.12M) <VIBRATOR>
FRONT PIPINGS (STD ARM) <VIBRATOR>
FRONT PIPINGS (STD ARM) <VIBRATOR>
FRONT PIPINGS (LONG ARM) <VIBRATOR>
FRONT PIPINGS (LONG ARM) <VIBRATOR>
SLOW-RETURN VALVE PARTS
ADJUSTER (RUBBER CRAWLER)
RUBBER CRAWLER <STD. TRACK>
RUBBER CRAWLER <LC TRACK>
AIR CONDITIONER
AIR CONDITIONER
AIR-CON. UNIT
AIR-CON. CONTROLLER
HOT & COOL BOX
TRACK-LINK (600G)<STD. TRACK>
TRACK-LINK (500A)<STD. TRACK>
TRACK-LINK (700A)<STD. TRACK>
TRACK-LINK (450F)<STD. TRACK>
TRACK-LINK (450GP)(RUBBER PAD)<STD. TRACK>
LONG ARM (2.12M)
FRONT PIPINGS (LONG ARM)
BUCKET (0.1)
BUCKET (0.2)
BUCKET (0.3)
BUCKET (0.2) 25S TYPE
BUCKET (0.25) 25S TYPE
BUCKET (0.3) 25S TYPE
SLOPE-FINISHING BLADE
HOSE RUPTURE VALVE PIPINGS (BOOM)
HOSE RUPTURE VALVE PIPINGS (BOOM)
HOSE RUPTURE VALVE PIPINGS (BOOM)
MAIN PIPINGS FOR BREAKER & CRUSHER
FRONT PIPINGS FOR BREAKER & CRUSHER
PIPINGS FOR NPK BREAKER & CRUSHER
PIPINGS FOR OKADA / FURUKAWA BREAKER
PIPINGS FOR OKADA / FURUKAWA BREAKER & CRUSHER
TOOLS
SPARE PARTS
NAME-PLATE (ENGLISH)(STD)
8050829
1
3
03A
4
5
5
7
7
8
8
11
11
13
13
13A
13A
14
14
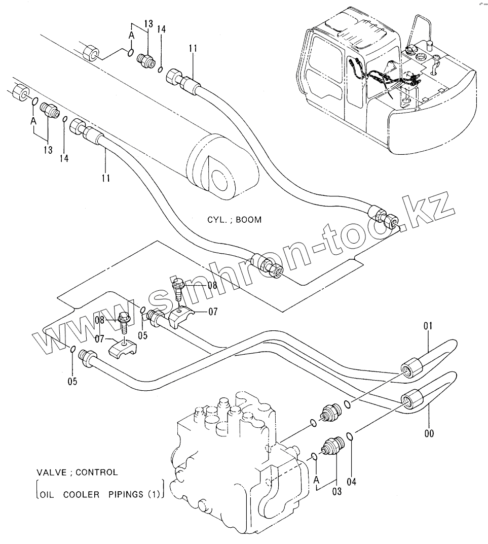
Позиция на иллюстрации
Заводской номер детали
Название детали
8050829
8050829
PIPE
1
8050830
PIPE
3
4197530
ADAPTER
03A
4506418
O-RING
4
4187308
O-RING
5
4138938
O-RING
7
4190125
CLAMP, PIPE
8
J011245
BOLT, SEMS
11
4294609
HOSE
13
4189602
ADAPTER, S
13A
4506418
O-RING
14
4138938
O-RING
Содержащиеся в справочниках-каталогах запасные части и детали не предлагаются к продаже, а носят исключительно информационный характер
Дополнительная информация
×
Название:
Номер:
Примечание: