Вернуться на главную
Поиск
Каталоги запчастей к технике
Спецтехника
Hitachi
EX-60-2
Pump Device (Vibrator)
Каталог запасных частей к технике: Hitachi EX-60-2. Pump Device (Vibrator)
zoom-in
zoom-out
enlarge
shrink
circle-right
circle-left
file-text2
info
cart
Тип техники
Не выбрано
Легковые автомобили
Грузовые автомобили и прицепы
Автобусы
Сельхозтехника
Спецтехника
Двигатели
Мототехника
Марка
Не выбрано
Ammann
BOMAG
CARMIX
CASE IH
Changlin
ChengGong
Dimex
Doosan
DYNAPAC
Foton
HAMM
Hidromek
Hitachi
Hyundai
JCB
JLG
John Deere
Komatsu
LIEBHERR
LiuGong
Lonking (LongGong)
Luneng
MANITOU
Mitsuber
New Holland
PENGPU
RM-Terex
SANY
SDLG
SEM
Shantui
Shehwa HBXG
Soosan
TIGARBO
VOGELE
Volvo
WAY
WIRTGEN
XCMG
XGMA
Xiamen
YTO
Yuchai
Zoomlion
Автокран
АЗСМ
Алтайлесмаш
Амкодор
АОМЗ
Атек
АТЗ
Балканкар Рекорд
БелАЗ
Беловеж
Борекс
Брянский Арсенал
Булат
ВЭКС
ГАЗ
Геомаш
Гидромаш
Донекс
Дормаш
Дормашина
Дорэлектромаш
ДЭЗ
ЕлАЗ
ЗЗГТ
Ижнефтемаш
Канаш-электрокар
КЗКТ
ККЗ
Клевер
Клинцовский автокрановый завод
КМЗ
КМЗ 1 Мая
Ковровец
Коммаш
Кранэкс
КЭЗ
КЭМЗ
ЛЗА
МАЗ
МЗИК
МЗКМ
МЗКТ
Михневский РМЗ
МоАЗ
Мозырский МЗ
МТЗ
ОЗП
Онежец
ПАО "ТЗА"
ППС Детва
Промтрактор
ПТЗ
Раскат
СпецАгрегат
ТВЭКС
ТТМ
УВЗ
Угличмаш
УЗТМ
ХТЗ
ЧЗКМ
ЧСДМ
ЧТЗ
ЭКСКО
ЭКСМАШ
ЮрМаш
Модель
Не выбрано
EX-100-2 (2000)
EX-100-3 (2008)
EX-100WD (2008)
EX-120 (2008)
EX-120-2 (2008)
EX-160WD (2008)
EX-200 (2008)
EX-200-2 (2008)
EX-200-3
EX-220 (2008)
EX-220-2 (2008)
EX-270 (2008)
EX-300 (2008)
EX-300-2 (2000)
EX-400 Type A (2006)
EX-400 Type B (2006)
EX-60 (2003)
EX-60-2 (2000)
EX-60-3 (2008)
EX-70 (2017)
LX-110-7 (2008)
LX-130-7 (2008)
LX-150-2 (2008)
LX-160-7 (2008)
LX190-7/LX230-7 (2008)
Zaxis 190-3
ZAXIS 200-5A (2018)
ZAXIS 200LC-5A (2018)
ZAXIS 210H-5A (2018)
ZAXIS 210K-5A (2018)
ZAXIS 210LCH-5A (2018)
ZAXIS 210LCK-5A (2018)
ZAXIS 330-5G (2017)
ZAXIS 350H-5G (2017)
ZAXIS 48U-5A (2020)
ZAXIS 850-3
ZAXIS 870H-3
ZX-110 (2008)
ZX-160W (2008)
ZX-200 (2008)
ZX-230 (2008)
ZX-25 (2008)
ZX-270 (2008)
ZX-330 (2010)
ZX-330-3 (Part № PIHH-I-3) (2008)
ZX-330-3 (Part № PIHH-I-5) (2013)
ZX-330-3G (2008)
ZX-400R-3 (2010)
ZX-450 (2006)
ZX-600 (2007)
Компоненты EX-100-2 (2000)
Компоненты EX-100WD (2008)
Компоненты EX-120 (2008)
Компоненты EX-120-2 (2008)
Компоненты EX-160WD (2008)
Компоненты EX-200 (2008)
Компоненты EX-200-2 (2008)
Компоненты EX-200-3(LC, H)
Компоненты EX-220 (2008)
Компоненты EX-220-2 (2008)
Компоненты EX-270 (2008)
Компоненты EX-300 (2008)
Компоненты EX-300-2 (2000)
Компоненты EX-400 Type A (2006)
Компоненты EX-400 Type B (2006)
Компоненты EX-60 (2003)
Компоненты EX-60-2 (2000)
Компоненты EX-60-3 (2008)
Компоненты ZAXIS 450, 470, 500, 520 (2010)
Компоненты ZX-110 (2008)
Компоненты ZX-120 (130) (2008)
Компоненты ZX-160W (2008)
Компоненты ZX-200 (2008)
Компоненты ZX-230 (2008)
Компоненты ZX-270 (2008)
Компоненты ZX-330 (2008)
Компоненты ZX-450 (2006)
Схема
>
Не выбрано
Frame
Counterweight
Engine
Radiator
Reserve Tank
Air Cleaner
Muffler
Fuel Pipings
Fuel Tank
Pump Device
Swing Device
Oil Tank
Oil Cooler Pipings (1)
Oil Cooler Pipings (2)
Oil Cooler Pipings (3)
Main Pipings (1)
Main Pipings (2)
Main Pipings (3)
Main Pipings (4)
Engine Control Motor
Control Cable
Control Lever (1)
Control Lever (2)
Control Lever (3)
Travel Lever Cable
Lever Lock
Pilot Pipings (1-1) (STD)
Pilot Pipings (1-1) (N.EUROPE)
Pilot Pipings (1-2)
Pilot Pipings (2-1)
Pilot Pipings (2-2)
Pilot Pipings (2-2) (N.EUROPE)
Pilot Pipings (3-1)
Pilot Pipings (3-2)
Pilot Pipings (3-3)
Console (R)
Console (L) (std)
Console (L) (n.europe)
Switch Box
Gauge Panel (std)
Gauge Panel (n.europe)
Radio (std)
Radio (n.europe)
Electric Parts (1)
Electric Parts (2) (std)
Electric Parts (2) (n.europe)
Electric Parts (3-1)
Electric Parts (3-2) (std)
Electric Parts (3-2) (n.europe)
Electric Parts (3-3) (std)
Electric Parts (3-3) (N.EUROPE)
Electric Parts (3-4)
Window-Washer (Option)
Car Heater
Car Heater Parts
Car Heater Pipings
Cab Group (1)
Cab Group (2)
Rearview Mirror (Option)
Cab (STD)
Cab (N.EUROPE)
Cab (1)
Cab (2) (STD)
Cab (2) (N.EUROPE)
Cab (3) (STD)
Cab (3) (N.EUROPE)
Cab (4)
Cab (5)
Cab (6) (STD)
Cab (6) (N.EUROPE)
Cab (7) Sunvisor (n.europe)
Rear Cover (Inside of Cab)
Floor Parts
Seat
Seat Stand
Seat-Belt
Cover (1-1)
Cover (1-2)
Cover (1-3)
Cover (1-4)
Cover (2-1)
Cover (2-2)
Door Lock (1)
Door Lock (2)
Track Frame
Swing Bearing
Travel Device
Front Idler
Adjuster
Upper Roller
Lower Roller
Track-Link 450 G
Center Joint (STD.)
Center Joint (Blade)
Travel Pipings
Travel Pipings Cover
Boom
STD. Arm 1.62M
Bucket 0.25
Front Pipings (1)
Front Pipings (2)
Lubricate Pipings
Offset Boom (1)
Offset Boom (2)
Control Pedal (Offset Boom, Breaker & Crusher)
Main Pipings (Offset Boom)
Front Pipings (Offset Boom)-1
Front Pipings (Offset Boom)-2
Front Pipings (Offset Boom)-3
Blade
Blade Control Lever
Blade Pipings (Upperstructure)
Blade Pipings (Undercarriage)
Boom (SHORT REACH)
Arm (Short Reach)
Bucket 0.25 (Short Reach)
Bucket 0.3 (Short Reach)
Protector
Front Pipings (Short Reach)
Counterweight (Vibrator)
Pump Device (Vibrator)
Tank (Vibrator)
Main Pipings (1) (Vibrator)
Main Pipings (2) (Vibrator)
Main Pipings (3) (Vibrator)
Control Lever (1) (Vibrator)
Pilot Pipings (Vibrator)
Electric Parts (3—2) (Vibrator)
Electric Parts (Vibrator)
Cover (1 —3) (Vibrator)
Boom (Vibrator)
Std. arm 1.62M (Vibrator)
Long Arm 2.12M (Vibrator)
Front Pipings (STD. Arm 1) (Vibrator)
Front Pipings (STD. Arm 2) (Vibrator)
Front Pipings (Long Arm 1) (Vibrator)
Front Pipings (Long Arm 2) (Vibrator)
Slow-return valve parts
Adjuster (Rubber Crawler)
Rubber Crawler
Air Conditioner (1)
Air Conditioner (2)
Air Conditioner (3)
Air-Con. Unit
Air-Con. Controller
Track-Link 600 G
Track-Link 500 А
Track-Link 700А
Track-Link 450 F
Track-Link 450GP (Rubber Pad)
Long Arm 2.12M
Front Pipings (2) (Long Arm)
Bucket 0.1
Bucket 0.2
Bucket 0.3
Slope-Finishing Blade
Main Pipings For Breaker & Crusher
Front Pipings For Breaker & Crusher
Pipings For NPK Breaker & Crusher
Pipings For OKADA/FURUKAWA Breaker
Pipings For OKADA/FURUKAWA Breaker & Crusher
Tools
Spare Parts
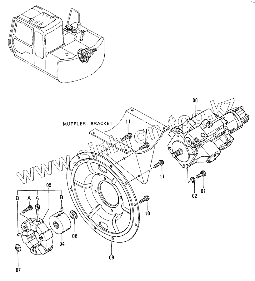
00
01
02
04
05
05A
05A
05B
05B
06
07
09
10
11
11
11
Позиция на иллюстрации
Заводской номер детали
Название детали
00
4315635
PUMP PISTON
01
4258470
BOLT
02
А590912
WASHER, SPRING
04
3031371
COUPLING
05
4275308
COUPLINGRUBBER
05A
4095325
BOLT, SOCKET
05B
4101345
PIN, SPRING
06
4037895
SEAL, OIL
07
A882035
PLUG
09
2031144
COVER PUMP
10
J011030
BOLT, SEMS
11
J011035
BOLT, SEMS
Содержащиеся в справочниках-каталогах запасные части и детали не предлагаются к продаже, а носят исключительно информационный характер
Дополнительная информация
×
Название:
Номер:
Примечание: