Каталог запасных частей к технике: Hitachi EX-60-2. Electric Parts (2) (std)
1115
1
1
1
1
1
1
1
1
4
5
9
10
12
14
14
15
15
19
20
20
23
24
25
26
27
27
27
27
30
30
30
30
30
30
31
33
33
33
33
34
34
34
34
35
35
35
35
36
51
52
53
54
55
56
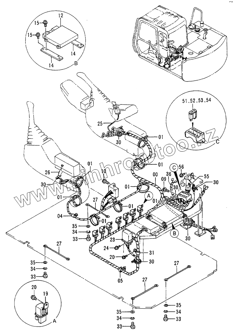
| Позиция на иллюстрации | Заводской номер детали | Название детали | |
|---|---|---|---|
| 1115 | 1115 | HARNESS WIRE | |
| 1 | 4121859 | CLIP, BAND | |
| 4 | 4190275 | CLIP | |
| 5 | 4254600 | CLIP | |
| 9 | J450620 | SCREW, SEMS | |
| 10 | J460620 | SCREW, SEMS | |
| 12 | 9111160 | UNIT EC | |
| 14 | 4284380 | SEATSCREW | |
| 15 | J460616 | SCREW, SEMS | |
| 19 | 4251588 | RELAY | |
| 20 | J460616 | SCREW, SEMS | |
| 23 | 4303583 | RELAY | |
| 24 | J460616 | SCREW, SEMS | |
| 25 | 4277927 | HARNESS, WIRE | |
| 26 | 4277941 | HARNESS, WIRE | |
| 27 | 4281293 | HARNESS, WIRE | |
| 30 | 4055312 | CLIP, BAND | |
| 31 | 4000859 | CLIP, PIPE | |
| 33 | J901016 | BOLT | |
| 34 | A590910 | WASHER, SPRING | |
| 35 | А590110 | WASHER, PLANE | |
| 36 | 3064030 | HARNESS WIRE | |
| 51 | 4249690 | FUSE | |
| 52 | 4195593 | FUSE | |
| 53 | 4195594 | FUSE | |
| 54 | 4195596 | FUSE | |
| 55 | 4251588 | RELAY | |
| 56 | J460616 | SCREW, SEMS |
Содержащиеся в справочниках-каталогах запасные части и детали не предлагаются к продаже, а носят исключительно информационный характер