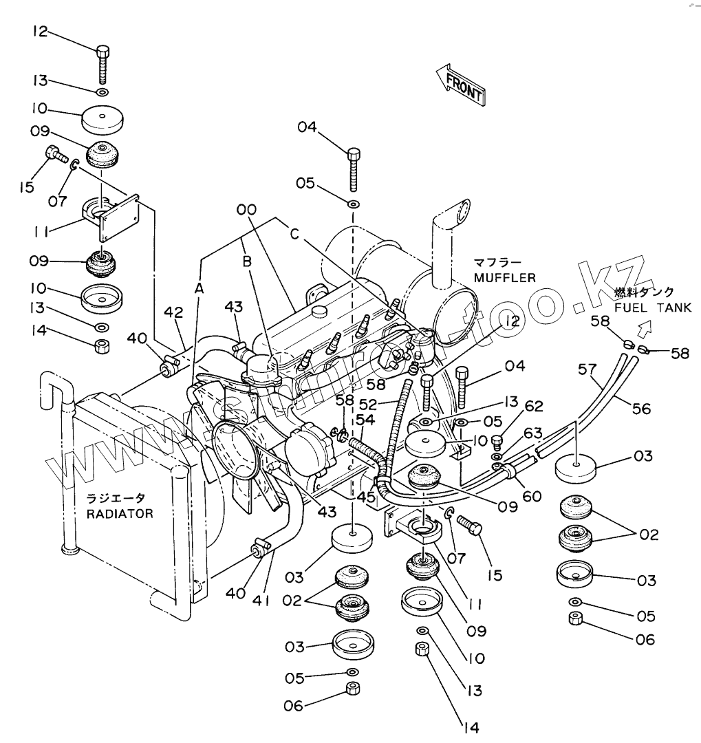
Каталог запасных частей к технике: Hitachi EX-60. ENGINE
00
00A
00B
00C
02
02
03
03
03
03
04
04
05
05
05
05
06
06
07
07
09
09
09
09
10
10
10
10
11
11
12
12
13
13
13
13
14
14
15
15
40
40
41
42
43
43
45
52
54
56
57
58
58
58
58
60
62
63
| Позиция на иллюстрации | Заводской номер детали | Название детали | |
|---|---|---|---|
| 00 | 4195960 | ENGINE | |
| 00A | 4185807 | BELT, FAN | |
| 00B | 4217497 | FILTER, OIL | |
| 00C | 4178829 | FILTER, FUEL | |
| 02 | 4194638 | RUBBER | |
| 03 | 4169423 | STOPPER | |
| 04 | J931611 | BOLT | |
| 05 | 4114405 | WASHER | |
| 06 | J951016 | NUT | |
| 07 | A590912 | WASHER, SPRING | |
| 09 | 4194639 | RUBBER | |
| 10 | 4169423 | STOPPER | |
| 11 | 8031863 | BRACKET | |
| 12 | J931608 | BOLT | |
| 13 | 4114405 | WASHER | |
| 14 | J951016 | NUT | |
| 15 | J901235 | BOLT | |
| 40 | 4505385 | CLAMP, HOSE | |
| 41 | 3031373 | HOSE, WATER | |
| 42 | 2020489 | HOSE, WATER | |
| 43 | 4504198 | CLAMP, HOSE | |
| 45 | 4121859 | CLIP, BAND | |
| 52 | 4188525 | TUBE | |
| 54 | 4217535 | TUBE | |
| 56 | 4058238 | HOSE, FUEL | |
| 57 | 4209288 | HOSE, FUEL | |
| 58 | 4514700 | CLIP, HOSE | |
| 60 | 4192034 | CLIP | |
| 62 | J901016 | BOLT | |
| 63 | A590910 | WASHER, SPRING |
Содержащиеся в справочниках-каталогах запасные части и детали не предлагаются к продаже, а носят исключительно информационный характер