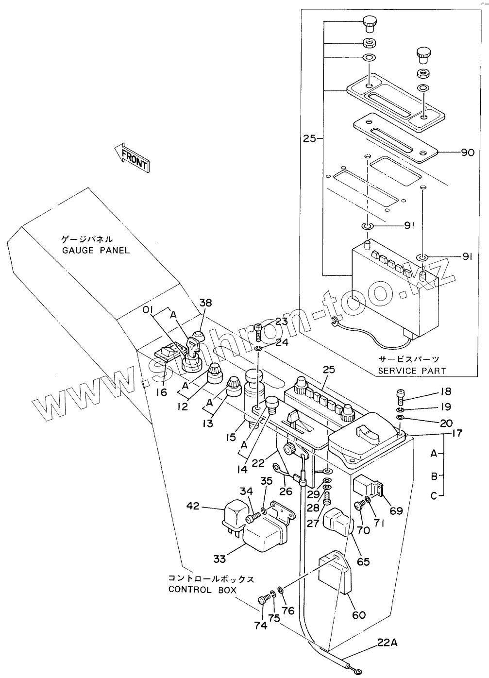
Каталог запасных частей к технике: Hitachi EX-60. ELECTRIC PARTS (1) <SDX>
01
01
01A
01A
12
12A
13
13A
14
14A
15
16
16
17
17A
17B
17C
18
19
20
22
22A
23
24
25
25
25
26
27
28
29
33
34
35
38
42
60
65
69
70
71
74
75
76
90
91
91
| Позиция на иллюстрации | Заводской номер детали | Название детали | |
|---|---|---|---|
| 01 | 4186745 | SWITCH, START | |
| 01 | 4186743 | SWITCH, START | |
| 01A | 4187759 | KEY, START | |
| 01A | 4187757 | KEY, START | |
| 12 | 4184396 | SWITCH | |
| 12A | 4268740 | KNOB | |
| 13 | 4184398 | SWITCH | |
| 13A | 4268741 | KNOB | |
| 14 | 4184397 | SWITCH | |
| 14A | 4268750 | KNOB | |
| 15 | 4184395 | LIGHTER | |
| 16 | 4213141 | SWITCH | |
| 16 | 4251778 | SWITCH | |
| 17 | 4184394 | BOX, FUSE | |
| 17A | 4208246 | FUSE | |
| 17B | 4195610 | FUSE | |
| 17C | 4127781 | FUSE | |
| 18 | J850625 | SCREW | |
| 19 | J251006 | WASHER, SPRING | |
| 20 | J250006 | WASHER, PLANE | |
| 22 | 4189169 | CONTROLLER | |
| 22A | 4248908 | CABLE | |
| 23 | J850410 | SCREW | |
| 24 | J251004 | WASHER, SPRING | |
| 25 | 4043976 | RADIO | |
| 25 | 4335726 | RADIO | |
| 26 | 4146992 | WIRE, ELECTRIC | |
| 27 | M430510 | SCREW | |
| 28 | A590905 | WASHER, SPRING | |
| 29 | A590105 | WASHER, PLANE | |
| 33 | 4505392 | RELAY | |
| 34 | M430610 | SCREW | |
| 35 | A590906 | WASHER, SPRING | |
| 38 | 4146754 | RUBBER | |
| 42 | 4170822 | RELAY, HOURMETER | |
| 60 | 4315001 | TIMER, HEATER | |
| 65 | 4192489 | DIODE | |
| 69 | 4205029 | RELAY | |
| 70 | M430610 | SCREW | |
| 71 | A590906 | WASHER, SPRING | |
| 74 | M430613 | SCREW | |
| 75 | A590906 | WASHER, SPRING | |
| 76 | A590106 | WASHER | |
| 90 | 4335462 | PLATE | |
| 91 | A590110 | WASHER, PLANE |
Содержащиеся в справочниках-каталогах запасные части и детали не предлагаются к продаже, а носят исключительно информационный характер