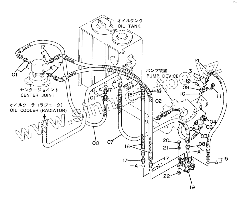
Каталог запасных частей к технике: Hitachi EX-60. BLADE PIPINGS (UPPERSTRUCTURE)
00
01
01
01A
01A
02
03
04
05
06
07
08
08A
09
10
11
12
13
13A
14
15
15A
16
17
17
17
17
17
17A
17A
17A
17A
17A
18
18
19
20
21
22
| Позиция на иллюстрации | Заводской номер детали | Название детали | |
|---|---|---|---|
| 00 | 4218436 | HOSE, NYLON | |
| 01 | 4200466 | ADAPTER, S | |
| 01A | 4509180 | O-RING | |
| 02 | 4189619 | ADAPTER, S | |
| 03 | 4222087 | HOSE | |
| 04 | 986910 | FLANGE, SPLIT | |
| 05 | M341025 | BOLT, SOCKET | |
| 06 | 971489 | O-RING | |
| 07 | 4214488 | HOSE | |
| 08 | 4154668 | ADAPTER | |
| 08A | 4506418 | O-RING | |
| 09 | 3041330 | FRANGE | |
| 10 | A811030 | O-RING | |
| 11 | M341045 | BOLT.SOCKET | |
| 12 | 94-2022 | PLUG | |
| 13 | 4200466 | ADAPTER, S | |
| 13A | 4509180 | O-RING | |
| 14 | 4214489 | HOSE | |
| 15 | 4200466 | ADAPTER, S | |
| 15A | 4509180 | O-RING | |
| 16 | 4190230 | HOSE | |
| 17 | 4190243 | ADAPTER | |
| 17A | 4509180 | O-RING | |
| 18 | 4044420 | PROTECTOR | |
| 19 | 4169915 | VALVE, CONTROL | |
| 20 | J901030 | BOLT | |
| 21 | A590910 | WASHER, SPRING | |
| 22 | J950010 | NUT |
Содержащиеся в справочниках-каталогах запасные части и детали не предлагаются к продаже, а носят исключительно информационный характер