Вернуться на главную
Поиск
Каталоги запчастей к технике
Спецтехника
Hitachi
EX-300-2
PILOT PIPINGS (2-3)
Каталог запасных частей к технике: Hitachi EX-300-2. PILOT PIPINGS (2-3)
zoom-in
zoom-out
enlarge
shrink
circle-right
circle-left
file-text2
info
cart
Тип техники
Не выбрано
Легковые автомобили
Грузовые автомобили и прицепы
Автобусы
Сельхозтехника
Спецтехника
Двигатели
Мототехника
Марка
Не выбрано
Ammann
BOMAG
CARMIX
CASE IH
Changlin
ChengGong
Dimex
Doosan
DYNAPAC
Foton
HAMM
Hidromek
Hitachi
Hyundai
JCB
JLG
John Deere
Komatsu
LIEBHERR
LiuGong
Lonking (LongGong)
Luneng
MANITOU
Mitsuber
New Holland
PENGPU
RM-Terex
SANY
SDLG
SEM
Shantui
Shehwa HBXG
Soosan
TIGARBO
VOGELE
Volvo
WAY
WIRTGEN
XCMG
XGMA
Xiamen
YTO
Yuchai
Zoomlion
Автокран
АЗСМ
Алтайлесмаш
Амкодор
АОМЗ
Атек
АТЗ
Балканкар Рекорд
БелАЗ
Беловеж
Борекс
Брянский Арсенал
Булат
ВЭКС
ГАЗ
Геомаш
Гидромаш
Донекс
Дормаш
Дормашина
Дорэлектромаш
ДЭЗ
ЕлАЗ
ЗЗГТ
Ижнефтемаш
Канаш-электрокар
КЗКТ
ККЗ
Клевер
Клинцовский автокрановый завод
КМЗ
КМЗ 1 Мая
Ковровец
Коммаш
Кранэкс
КЭЗ
КЭМЗ
ЛЗА
МАЗ
МЗИК
МЗКМ
МЗКТ
Михневский РМЗ
МоАЗ
Мозырский МЗ
МТЗ
ОЗП
Онежец
ПАО "ТЗА"
ППС Детва
Промтрактор
ПТЗ
Раскат
СпецАгрегат
ТВЭКС
ТТМ
УВЗ
Угличмаш
УЗТМ
ХТЗ
ЧЗКМ
ЧСДМ
ЧТЗ
ЭКСКО
ЭКСМАШ
ЮрМаш
Модель
Не выбрано
EX-100-2 (2000)
EX-100-3 (2008)
EX-100WD (2008)
EX-120 (2008)
EX-120-2 (2008)
EX-160WD (2008)
EX-200 (2008)
EX-200-2 (2008)
EX-200-3
EX-220 (2008)
EX-220-2 (2008)
EX-270 (2008)
EX-300 (2008)
EX-300-2 (2000)
EX-400 Type A (2006)
EX-400 Type B (2006)
EX-60 (2003)
EX-60-2 (2000)
EX-60-3 (2008)
EX-70 (2017)
LX-110-7 (2008)
LX-130-7 (2008)
LX-150-2 (2008)
LX-160-7 (2008)
LX190-7/LX230-7 (2008)
Zaxis 190-3
ZAXIS 200-5A (2018)
ZAXIS 200LC-5A (2018)
ZAXIS 210H-5A (2018)
ZAXIS 210K-5A (2018)
ZAXIS 210LCH-5A (2018)
ZAXIS 210LCK-5A (2018)
ZAXIS 330-5G (2017)
ZAXIS 350H-5G (2017)
ZAXIS 48U-5A (2020)
ZAXIS 850-3
ZAXIS 870H-3
ZX-110 (2008)
ZX-160W (2008)
ZX-200 (2008)
ZX-230 (2008)
ZX-25 (2008)
ZX-270 (2008)
ZX-330 (2010)
ZX-330-3 (Part № PIHH-I-3) (2008)
ZX-330-3 (Part № PIHH-I-5) (2013)
ZX-330-3G (2008)
ZX-400R-3 (2010)
ZX-450 (2006)
ZX-600 (2007)
Компоненты EX-100-2 (2000)
Компоненты EX-100WD (2008)
Компоненты EX-120 (2008)
Компоненты EX-120-2 (2008)
Компоненты EX-160WD (2008)
Компоненты EX-200 (2008)
Компоненты EX-200-2 (2008)
Компоненты EX-200-3(LC, H)
Компоненты EX-220 (2008)
Компоненты EX-220-2 (2008)
Компоненты EX-270 (2008)
Компоненты EX-300 (2008)
Компоненты EX-300-2 (2000)
Компоненты EX-400 Type A (2006)
Компоненты EX-400 Type B (2006)
Компоненты EX-60 (2003)
Компоненты EX-60-2 (2000)
Компоненты EX-60-3 (2008)
Компоненты ZAXIS 450, 470, 500, 520 (2010)
Компоненты ZX-110 (2008)
Компоненты ZX-120 (130) (2008)
Компоненты ZX-160W (2008)
Компоненты ZX-200 (2008)
Компоненты ZX-230 (2008)
Компоненты ZX-270 (2008)
Компоненты ZX-330 (2008)
Компоненты ZX-450 (2006)
Схема
>
Не выбрано
FRAME (1)
FRAME (2)
COUNTER WEIGHT
ENGINE
RADIATOR
RADIATOR SUPPORT
RESERVE TANK
AIR CLEANER
MUFFLER
FUEL PIPINGS
FUEL TANK
FUEL FEED PUMP <OPTION>
FUEL DOUBLE FILTER <OPTION> (005001-D93/06)
FUEL DOUBLE FILTER <OPTION> (D93/07-)
PUMP DEVICE
SWING DEVICE (1)
SWING DEVICE (2)
OIL TANK
OIL COOLER PIPINGS (1)
OIL COOLER PIPINGS (2)
OIL COOLER PIPINGS (3)
OIL COOLER PIPINGS (4)
OIL COOLER PIPINGS (5)
MAIN PIPINGS (1)
MAIN PIPINGS (2)
MAIN PIPINGS (3)
MAIN PIPINGS (4)
MAIN PIPINGS COVER (USA)
ENGINE CONTROL MOTOR
ENGINE CONTROL CABLE
CONTROL LEVER (1)
CONTROL LEVER (2)
CONTROL LEVER (3)
PILOT PIPINGS (1-1)
PILOT PIPINGS (1-2)
PILOT PIPINGS (2-1)
PILOT PIPINGS (2-2)
PILOT PIPINGS (2-3)
PILOT PIPINGS (2-4)
PILOT PIPINGS (2-5)(STD)
PILOT PIPINGS (3-1)
PILOT PIPINGS (3-2)
PILOT PIPINGS (3-3)
PILOT PIPINGS (3-4)
PILOT PIPINGS (4-1)
PILOT PIPINGS (4-2)
PILOT PIPINGS (5-1)(STD)
PILOT PIPINGS (5-1)(USA)
PILOT PIPINGS (5-2)(STD)
PILOT PIPINGS (5-2)(USA)
CONSOLE (R)
CONSOLE (L)(STD)
CONSOLE (L)(USA)
SWITCH BOX
GAUGE PANEL
RADIO (STD)
RADIO (USA)
ELECTRIC PARTS (1)
ELECTRIC PARTS (2)(STD)
ELECTRIC PARTS (2)(USA)
ELECTRIC PARTS (3-1)
ELECTRIC PARTS (3-2)
ELECTRIC PARTS (3-3)
ELECTRIC PARTS (3-4)
MOTION ALARM (USA)
WINDOW WASHER
CAR HEATER (STD) (005001-006036)
CAR HEATER (LC) (005001-006014)
CAR HEATER(STD) (006037-)
CAR HEATER (LC) (006015-)
CAR HEATER PARTS (STD) (005001-006036)
CAR HEATER PARTS (LC) (005001-006014)
CAR HEATER PARTS (STD) (006037-)
CAR HEATER PARTS (LC) (006015-)
HEATER PIPINGS
CAB GROUP (1)
CAB GROUP (2)
REARVIEW MIRROR
CAB
CAB (1)
CAB (2)
CAB (3)
CAB (4)
CAB (5)
CAB (6)
REAR COVER (INSIDE OF CAB)
FLOOR PARTS
SEAT (STD)
SEAT (USA)
SEAT SUSPENSION (STD)
SEAT SUSPENSION (USA)
SEAT STAND (STD)
SEAT STAND (USA)
SEAT BELT (STD)
SEAT BELT (USA)
COVER (1-1)
COVER (1-2)
COVER (1-3)
COVER (1-4)
COVER (1-5)
COVER (1-6) (005001-006066)
COVER (1-6) (006067-)
COVER (1-7)
COVER (2)<300-2,300LC-2>
COVER (2)<300H-2,LCH-2>
DOOR LOCK (A)
DOOR LOCK (B)
TRACK FRAME <STD. TRACK>
TRACK FRAME <LC TRACK>
SWING BEARING
TRAVEL DEVICE
FRONT IDLER
ADJUSTER
UPPER ROLLER
LOWER ROLLER <STD. TRACK>
LOWER ROLLER <LC TRACK>
TRACK-LINK (600G)<STD. TRACK>
TRACK-LINK (600G)<LC TRACK>
CENTER JOINT
TRAVEL PIPINGS <STD. TRACK>
TRAVEL PIPINGS <LC TRACK>
TRAVEL PIPINGS COVER
STD. BOOM <300-2,LC-2>
HD BOOM <300H-2,LCH-2>
STD. ARM (3.2M)<300-2,LC-2>
HD ARM (3.2M)<300H-2,LCH-2>
BUCKET (1.2)
FRONT PIPINGS (1)
FRONT PIPINGS (2)
LUBRICATE PIPINGS
AIR CONDITIONER (1)
AIR CONDITIONER (2)
AIR-CON. UNIT
AIR-CON. CONTROLLER
TROPICAL COVER
WINDOW GUARD
TRACK-LINK (800G)<STD. TRACK>
TRACK-LINK (800G)<LC TRACK>
TRACK-LINK (600F)<STD. TRACK>
TRACK-LINK (600F)<LC TRACK>
TRACK-LINK (910A)<STD. TRACK>
TRACK-LINK (910A)<LC TRACK>
SHORT ARM (2.7M)
FRONT PIPINGS (2)(SHORT ARM)
LONG ARM (4.0M)
FRONT PIPINGS (2)(LONG ARM)
BUCKET (1.0)
BUCKET (1.4)
BUCKET (1.6)
ROCK BUCKET (1.0)
REINFORCED BUCKET (1.2)
RIPPER BUCKET (0.8)
ONE-POINT RIPPER
CONTROL PEDAL (BREAKER & CRUSHER)
PILOT PIPINGS (BREAKER & CRUSHER)
MAIN PIPINGS FOR BREAKER & CRUSHER
FRONT PIPINGS FOR BREAKER & CRUSHER
PIPINGS FOR NPK BREAKER
PIPINGS FOR NPK BREAKER & CRUSHER
PIPINGS FOR OKADA / FURUKAWA BREAKER
PIPINGS FOR OKADA / FURUKAWA BREAKER & CRUSHER
TOOLS
SPARE PARTS
NAME-PLATE (JAPANESE)(STD)
NAME-PLATE (ENGLISH)(STD)
NAME-PLATE (ENGLISH)(USA)
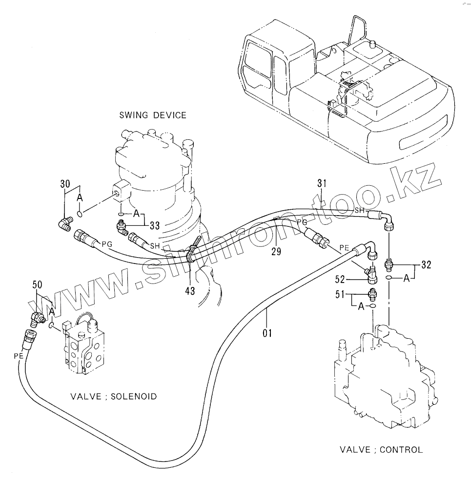
1
29
30
30A
31
32
32A
33
33A
43
50
50A
51
51A
52
Позиция на иллюстрации
Заводской номер детали
Название детали
1
4316569
HOSE, NYLON
29
4316564
HOSE, NYLON
30
4156434
ELBOW, S
30A
957366
O-RING
31
4213446
HOSE, NYLON
32
4200465
ADAPTER, S
32A
957366
O-RING
33
4154670
ELBOW, S
33A
957366
O-RING
43
4055312
CLIP, BAND
50
4154671
ELBOW
50A
4509180
O-RING
51
4200467
ADAPTER, S
51A
957366
O-RING
52
4246672
UNION, M
Содержащиеся в справочниках-каталогах запасные части и детали не предлагаются к продаже, а носят исключительно информационный характер
Дополнительная информация
×
Название:
Номер:
Примечание: