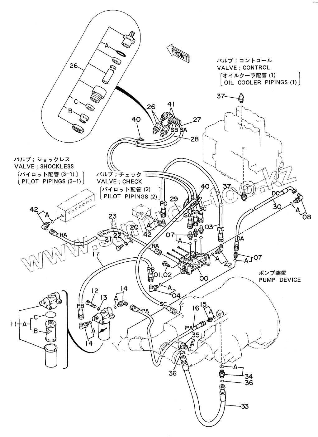
Каталог запасных частей к технике: Hitachi EX-300. PILOT PIPINGS (1) <SDX>
00
01
01
02
03
04
04A
07
07
07A
07A
08
08A
11
11A
11B
11C
12
13
14
14
14A
14A
15
15A
16
17
20
21
22
23
26
26
26A
26B
26C
27
28
29
30
33
34
34A
35
35A
36
36
37
37
37
37
40
40
41
42
42
42
42A
42A
42A
| Позиция на иллюстрации | Заводской номер детали | Название детали | |
|---|---|---|---|
| 00 | 4196411 | VALVE, SOLENOID | |
| 01 | J901030 | BOLT | |
| 01 | J011030 | BOLT, SEMS | |
| 02 | А590910 | WASHER, SPRING | |
| 03 | 4213801 | HOSE, NYLON | |
| 04 | 4200471 | ELBOW, S | |
| 04A | 4506418 | O-RING | |
| 07 | 4200465 | ADAPTER, S | |
| 07A | 957366 | O-RING | |
| 08 | 4154670 | ELBOW, S | |
| 08A | 957366 | O-RING | |
| 11 | 4191300 | FILTER, OIL | |
| 11A | 4207841 | ELEMENT, OIL | |
| 11B | 4191301 | ELEMENT, FILTER | |
| 11C | А811065 | O-RING | |
| 12 | J901000 | BOLT | |
| 13 | А590910 | WASHER, SPRING | |
| 14 | 4200471 | ELBOW, S | |
| 14A | 4506418 | O-RING | |
| 15 | 4200466 | ADAPTER, S | |
| 15A | 4509180 | O-RING | |
| 16 | 4210316 | HOSE | |
| 17 | 4210318 | HOSE, NYLON | |
| 20 | 4190262 | CLIP | |
| 21 | J901018 | BOLT | |
| 22 | А590910 | WASHER, SPRING | |
| 23 | 4213802 | HOSE, NYLON | |
| 26 | 4187914 | CYL. | |
| 26A | 4506424 | O-RING | |
| 26B | 4310968 | RING, WIPER | |
| 26C | 4310969 | SEAL | |
| 27 | 4207986 | HOSE | |
| 28 | 4207985 | HOSE | |
| 29 | 4210315 | HOSE | |
| 30 | 4207951 | HOSE, NYLON | |
| 33 | 4197724 | HOSE | |
| 34 | 4189619 | ADAPTER, S | |
| 34A | 4506424 | O-RING | |
| 35 | 4157562 | ELBOW, S | |
| 35A | 4506424 | O-RING | |
| 36 | 4187308 | O-RING | |
| 37 | 4188551 | SWITCH, PRES. | |
| 37 | 4259333 | SWITCH, PRES. | |
| 40 | 4055311 | CLIP, BAND | |
| 41 | 4208277 | BOOT | |
| 42 | 4154672 | ELBOW | |
| 42A | 4506418 | O-RING |
Содержащиеся в справочниках-каталогах запасные части и детали не предлагаются к продаже, а носят исключительно информационный характер