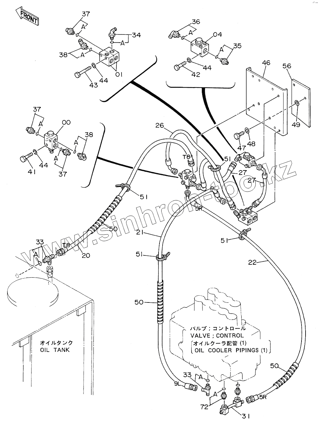
Каталог запасных частей к технике: Hitachi EX-300. CONFLUENT PIPINGS (1)
00
01
04
20
21
22
26
27
27
31
33
33
33A
33A
34
34A
35
35A
36
36A
37
37
37
37A
37A
37A
38
38
38A
38A
41
42
43
44
44
44
46
47
48
49
50
50
50
51
51
51
51
56
72
72A
| Позиция на иллюстрации | Заводской номер детали | Название детали | |
|---|---|---|---|
| 00 | 4203446 | VALVE | |
| 01 | 4203447 | VALVE, SHUTTLE | |
| 04 | 4211313 | VALVE, STOP | |
| 20 | 4218475 | HOSE, NYLON | |
| 21 | 4218476 | HOSE, NYLON | |
| 22 | 4218477 | HOSE, NYLON | |
| 26 | 4213401 | HOSE | |
| 27 | 4213402 | HOSE | |
| 31 | 8039468 | PIPE | |
| 33 | 4205363 | TEE | |
| 33A | 4509180 | O-RING | |
| 34 | 4200472 | ELBOW, S | |
| 34A | 957366 | O-RING | |
| 35 | 4200466 | ADAPTER, S | |
| 35A | 4509180 | O-RING | |
| 36 | 4154671 | ELBOW | |
| 36A | 4509180 | O-RING | |
| 37 | 4200467 | ADAPTER, S | |
| 37A | 957366 | O-RING | |
| 38 | 4156434 | ELBOW, S | |
| 38A | 957366 | O-RING | |
| 41 | J900850 | BOLT | |
| 42 | J900860 | BOLT | |
| 43 | J900880 | BOLT | |
| 44 | А590908 | WASHER, SPRING | |
| 46 | 8040230 | BRACKET | |
| 47 | J901225 | BOLT | |
| 48 | А590912 | WASHER, SPRING | |
| 49 | 4086891 | WASHER | |
| 50 | 4133527 | PROTECTOR | |
| 51 | 4055312 | CLIP, BAND | |
| 56 | 4219298 | SEAT, SCREW | |
| 72 | 4200466 | ADAPTER, S | |
| 72A | 4509180 | O-RING |
Содержащиеся в справочниках-каталогах запасные части и детали не предлагаются к продаже, а носят исключительно информационный характер