Вернуться на главную
Поиск
Каталоги запчастей к технике
Спецтехника
Hitachi
EX-220-2
TRAVEL DEVICE
Каталог запасных частей к технике: Hitachi EX-220-2. TRAVEL DEVICE
zoom-in
zoom-out
enlarge
shrink
circle-right
circle-left
file-text2
info
cart
Тип техники
Не выбрано
Легковые автомобили
Грузовые автомобили и прицепы
Автобусы
Сельхозтехника
Спецтехника
Двигатели
Мототехника
Марка
Не выбрано
Ammann
BOMAG
CARMIX
CASE IH
Changlin
ChengGong
Dimex
Doosan
DYNAPAC
Foton
HAMM
Hidromek
Hitachi
Hyundai
JCB
JLG
John Deere
Komatsu
LIEBHERR
LiuGong
Lonking (LongGong)
Luneng
MANITOU
Mitsuber
New Holland
PENGPU
RM-Terex
SANY
SDLG
SEM
Shantui
Shehwa HBXG
Soosan
TIGARBO
VOGELE
Volvo
WAY
WIRTGEN
XCMG
XGMA
Xiamen
YTO
Yuchai
Zoomlion
Автокран
АЗСМ
Алтайлесмаш
Амкодор
АОМЗ
Атек
АТЗ
Балканкар Рекорд
БелАЗ
Беловеж
Борекс
Брянский Арсенал
Булат
ВЭКС
ГАЗ
Геомаш
Гидромаш
Донекс
Дормаш
Дормашина
Дорэлектромаш
ДЭЗ
ЕлАЗ
ЗЗГТ
Ижнефтемаш
Канаш-электрокар
КЗКТ
ККЗ
Клевер
Клинцовский автокрановый завод
КМЗ
КМЗ 1 Мая
Ковровец
Коммаш
Кранэкс
КЭЗ
КЭМЗ
ЛЗА
МАЗ
МЗИК
МЗКМ
МЗКТ
Михневский РМЗ
МоАЗ
Мозырский МЗ
МТЗ
ОЗП
Онежец
ПАО "ТЗА"
ППС Детва
Промтрактор
ПТЗ
Раскат
СпецАгрегат
ТВЭКС
ТТМ
УВЗ
Угличмаш
УЗТМ
ХТЗ
ЧЗКМ
ЧСДМ
ЧТЗ
ЭКСКО
ЭКСМАШ
ЮрМаш
Модель
Не выбрано
EX-100-2 (2000)
EX-100-3 (2008)
EX-100WD (2008)
EX-120 (2008)
EX-120-2 (2008)
EX-160WD (2008)
EX-200 (2008)
EX-200-2 (2008)
EX-200-3
EX-220 (2008)
EX-220-2 (2008)
EX-270 (2008)
EX-300 (2008)
EX-300-2 (2000)
EX-400 Type A (2006)
EX-400 Type B (2006)
EX-60 (2003)
EX-60-2 (2000)
EX-60-3 (2008)
EX-70 (2017)
LX-110-7 (2008)
LX-130-7 (2008)
LX-150-2 (2008)
LX-160-7 (2008)
LX190-7/LX230-7 (2008)
Zaxis 190-3
ZAXIS 200-5A (2018)
ZAXIS 200LC-5A (2018)
ZAXIS 210H-5A (2018)
ZAXIS 210K-5A (2018)
ZAXIS 210LCH-5A (2018)
ZAXIS 210LCK-5A (2018)
ZAXIS 330-5G (2017)
ZAXIS 350H-5G (2017)
ZAXIS 48U-5A (2020)
ZAXIS 850-3
ZAXIS 870H-3
ZX-110 (2008)
ZX-160W (2008)
ZX-200 (2008)
ZX-230 (2008)
ZX-25 (2008)
ZX-270 (2008)
ZX-330 (2010)
ZX-330-3 (Part № PIHH-I-3) (2008)
ZX-330-3 (Part № PIHH-I-5) (2013)
ZX-330-3G (2008)
ZX-400R-3 (2010)
ZX-450 (2006)
ZX-600 (2007)
Компоненты EX-100-2 (2000)
Компоненты EX-100WD (2008)
Компоненты EX-120 (2008)
Компоненты EX-120-2 (2008)
Компоненты EX-160WD (2008)
Компоненты EX-200 (2008)
Компоненты EX-200-2 (2008)
Компоненты EX-200-3(LC, H)
Компоненты EX-220 (2008)
Компоненты EX-220-2 (2008)
Компоненты EX-270 (2008)
Компоненты EX-300 (2008)
Компоненты EX-300-2 (2000)
Компоненты EX-400 Type A (2006)
Компоненты EX-400 Type B (2006)
Компоненты EX-60 (2003)
Компоненты EX-60-2 (2000)
Компоненты EX-60-3 (2008)
Компоненты ZAXIS 450, 470, 500, 520 (2010)
Компоненты ZX-110 (2008)
Компоненты ZX-120 (130) (2008)
Компоненты ZX-160W (2008)
Компоненты ZX-200 (2008)
Компоненты ZX-230 (2008)
Компоненты ZX-270 (2008)
Компоненты ZX-330 (2008)
Компоненты ZX-450 (2006)
Схема
>
Не выбрано
FRAME
COUNTERWEIGHT
ENGINE
RADIATOR
RESERVE TANK
AIR CLEANER
MUFFLER
FUEL PIPINGS
FUEL TANK
FUEL FEED PUMP (OPTION)
PUMP DEVICE
SWING DEVICE
OIL TANK
OIL COOLER PIPINGS (1)
OIL COOLER PIPINGS (2)
OIL COOLER PIPINGS (3)
OIL COOLER PIPINGS (4)
MAIN PIPINGS (1)
MAIN PIPINGS (2)
MAIN PIPINGS (3)
MAIN PIPINGS (4)
SWING PIPINGS
ENGINE CONTROL MOTOR
ENGINE CONTROL CABLE
CONTROL LEVER (1)
CONTROL LEVER (2)
CONTROL LEVER (3)
PILOT PIPINGS (1-1) Serial №08001-08060
PILOT PIPINGS (1-1) Serial №08061-
PILOT PIPINGS (1-2)
PILOT PIPINGS (2-1)
PILOT PIPINGS (2-2)
PILOT PIPINGS (3-1)
PILOT PIPINGS (3-2)
PILOT PIPINGS (3-3) Serial №STD:08001-08453, LC:08001-08474
PILOT PIPINGS (3-3) Serial №STD:08454-, LC:08475-
PILOT PIPINGS (4-1)
PILOT PIPINGS (4-2) <STD>
PILOT PIPINGS (4-2) <N.EUROPE>
PILOT PIPINGS (5-1) <STD>
PILOT PIPINGS (5-1) <N.EUROPE>
PILOT PIPINGS (5-2)
PILOT PIPINGS (6-1) STD:08001-08453, LC:08001-08474
PILOT PIPINGS (6-1) STD:08454-, LC:08475-
PILOT PIPINGS (6-2) STD:08001-08453, LC:08001-08474
PILOT PIPINGS (6-2) STD:08454-, LC:08475-
CONSOLE (R)
CONSOLE (L) <STD>
CONSOLE (L) <N.EUROPE>
SWITCH BOX
GAUGE PANEL <STD>
GAUGE PANEL <N,EUROPE>
RADIO <STD>
RADIO <N.EUROPE>
ELECTRIC PARTS (1)
ELECTRIC PARTS (2)
ELECTRIC PARTS (3-1)
ELECTRIC PARTS (3-2) <STD>
ELECTRIC PARTS (3-2) <N.EUROPE>
ELECTRIC PARTS (3-3)
ELECTRIC PARTS (3-4)
WINDOW WASHER
CAR HEATER
CAR HEATER PARTS
CAR HEATER PIPINGS
CAB GROUP (1) Serial № STD:08001-08656, LC:08001-08634
CAB GROUP (1) Serial № STD:08657-, LC:08635-
CAB GROUP (2)
REARVIEW MIRROR
CAB <STD>
CAB <N.EUROPE>
CAB (1)
CAB (2) <STD>
CAB (2) <N.EUROPE>
CAB (3) Serial № STD:08001-08493, LC:08001-08538
CAB (3) Serial № STD:08494-, LC:08539-
CAB (4)
CAB (5)
CAB (6) <STD>
CAB (6) <N.EUROPE>
CAB (7): SUNVISOR <N.EUROPE>
REAR COVER (INSIDE OF CAB)
FLOOR PARTS
SEAT
SEAT SUSPENSION
SEAT STAND
SEAT BELT Serial № 08859-
COVER (1-1)
COVER (1-2)
COVER (1-3)
COVER (1-4)
COVER (1-5)
COVER (1-6)
COVER (1-7)
COVER (2)
DOOR LOCK (A)
DOOR LOCK (B)
TRACK FRAME (STD, TRACK)
TRACK FRAME (LC TRACK)
SWING BEARING
TRAVEL DEVICE
FRONT IDLER
ADJUSTER
UPPER ROLLER
LOWER ROLLER (STD. TRACK)
LOWER ROLLER (LC TRACK)
TRACK-LINK 600G (STD. TRACK)
TRACK-LINK 600G (LC TRACK)
CENTER JOINT
TRAVEL PIPINGS (STD. TRACK)
TRAVEL PIPINGS (LC TRACK)
TRAVEL PIPINGS COVER
BOOM
STD. ARM 2.96M
BUCKET 0.9
FRONT PIPINGS (1)
FRONT PIPINGS (2)
LUBRICATE PIPINGS
PILOT PIPINGS <TYPE 18>
BOOM <TYPE 18>
ARM <TYPE 18>
BUCKET 0.3
BUCKET 0.35
BUCKET 0.4
DITCH CLEANING BUCKET 0.4 (WITHOUT POINTS)
DITCH CLEANING BUCKET 0.4 (WITH POINTS)
FRONT PIPINGS (1) <TYPE 18>
FRONT PIPINGS (2) <TYPE 18>
LUBRICATE PIPINGS (1) <TYPE 18>
LUBRICATE PIPINGS (2) <TYPE 18>
MULTI LEVER PIPINGS (1)
MULTI LEVER PIPINGS (2)
MULTI LEVER PIPINGS (3)
MULTI LEVER PIPINGS (4)
AIR CONDITIONER (1)
AIR CONDITIONER (2)
AIR-CON. UNIT
AIR-CON. CONTROLLER
TROPICAL COVER
TRACK-LINK 800G (STD. TRACK)
TRACK-LINK 800G (LC TRACK)
TRACK-LINK 600F (STD. TRACK)
TRACK-LINK 600F (LC TRACK)
TRACK-LINK 900A (STD. TRACK)
TRACK-LINK 900A (LC TRACK)
SHORT ARM 2.32M
FRONT PIPINGS (2) <SHORT ARM>
LONG ARM 3.61M
FRONT PIPINGS (2) <LONG ARM>
BUCKET 0.7
BUCKET 1.0
BUCKET 1.1
BUCKET 1.2
ROCK BUCKET 0.8
RIPPER BUCKET 0.7
ONE-POINT RIPPER
HOSE RUPTURE VALVE PIPINGS (BOOM):1 <Type 2>
HOSE RUPTURE VALVE PIPINGS (BOOM):1 <Type 3>
HOSE RUPTURE VALVE PIPINGS (BOOM):2 <Type 2>
HOSE RUPTURE VALVE PIPINGS (BOOM):2 <Type 3>
HOSE RUPTURE VALVE PIPINGS (BOOM):3 <Type 2>
HOSE RUPTURE VALVE PIPINGS (BOOM):3 <Type 3>
HOSE RUPTURE VALVE PIPINGS (ARM):1 <Type 2>
HOSE RUPTURE VALVE PIPINGS (ARM):1 <Type 3>
HOSE RUPTURE VALVE PIPINGS (ARM):2 <Type 2>
HOSE RUPTURE VALVE PIPINGS (ARM):2 <Type 3>
HOSE RUPTURE VALVE PIPINGS (ARM):3 <Type 2>
HOSE RUPTURE VALVE PIPINGS (ARM):3 <Type 3>
CONTROL PEDAL (BREAKER & CRUSHER)
PILOT PIPINGS (BREAKER & CRUSHER)
MAIN PIPINGS FOR BREAKER & CRUSHER
FRONT PIPINGS FOR BREAKER & CRUSHER
PIPINGS FOR NPK BREAKER
PIPINGS FOR NPK BREAKER & CRUSHER
PIPINGS FOR OKADA/FURUKAWA BREAKER
PIPINGS FOR OKADA/FURUKAWA BREAKER & CRUSHER
TOOLS
SPARE PARTS <STD>
SPARE PARTS <N.EUROPE>
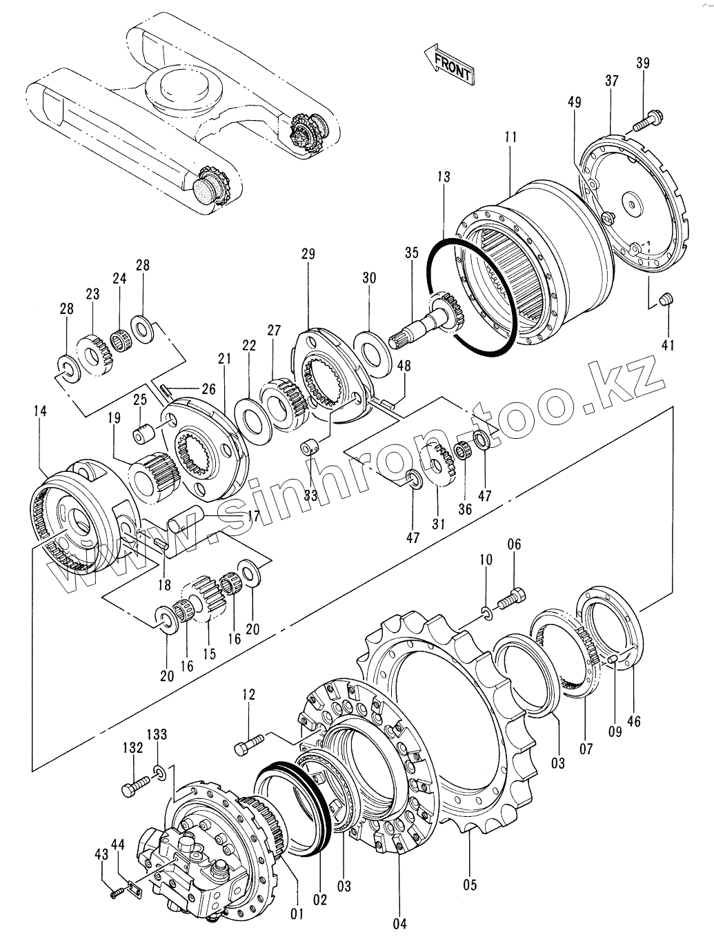
1
1
1
2
3
3
4
5
6
7
9
10
11
12
13
14
15
16
16
17
18
19
20
20
21
22
23
24
25
26
27
28
28
29
30
31
33
35
36
37
39
41
43
44
46
47
47
48
49
132
133
Позиция на иллюстрации
Заводской номер детали
Название детали
9116394
9116394
TRAVEL DEVICE ASSY
9091682
9091682
TRAVEL DEVICE ASSY
9116395
9116395
TRAVEL DEVICE ASSY
1
9101523
MOTOR, OIL
1
9116388
MOTOR, OIL
1
9116390
MOTOR, OIL
2
4114753
SEAL
3
4246793
BRG.
4
1013983
DRUM
5
1010203
SPROCKET
6
J932055
BOLT
7
3047448
HUB
9
4246783
PIN, KNOCK
10
A590920
WASHER, SPRING
11
1014493
GEAR, RING
12
J931660
BOLT
13
4246792
O-RING
14
1014491
CARRIER
15
3052346
GEAR, PLANETARY
16
4172394
BRG., NEEDLE
17
4252442
PIN
18
4116309
PIN
19
3049870
GEAR, SUN
20
4271698
PLATE, THRUST
21
1014492
CARRIER
22
4246785
SPACER
23
3052345
GEAR, PLANETARY
24
4150398
BRG., NEEDLE
25
4252441
PIN
26
4197763
РIN, SРRING
27
3049872
GEAR, SUN
28
4269295
PLATE
29
1014490
CARRIER
30
4192979
SPACER
31
3049873
GEAR, PLANETARY
33
4210853
PIN
35
2028764
SHAFT, PROP.
36
4278454
BRG., NEEDLE
37
2028763
COVER
39
J011230
BOLT, SEMS
41
4245797
PLUG
43
M492564
SCREW, DRIVE
44
3053559
NAME-PLATE
46
3057125
NUT
47
4192910
PLATE
48
4173093
PIN
49
4285323
PIN
132
4258061
BOLT
133
4018545
WASHER
Содержащиеся в справочниках-каталогах запасные части и детали не предлагаются к продаже, а носят исключительно информационный характер
Дополнительная информация
×
Название:
Номер:
Примечание: