Вернуться на главную
Поиск
Каталоги запчастей к технике
Спецтехника
Hitachi
EX-220
ENGINE
Каталог запасных частей к технике: Hitachi EX-220. ENGINE
zoom-in
zoom-out
enlarge
shrink
circle-right
circle-left
file-text2
info
cart
Тип техники
Не выбрано
Легковые автомобили
Грузовые автомобили и прицепы
Автобусы
Сельхозтехника
Спецтехника
Двигатели
Мототехника
Марка
Не выбрано
Ammann
BOMAG
CARMIX
CASE IH
Changlin
ChengGong
Dimex
Doosan
DYNAPAC
Foton
HAMM
Hidromek
Hitachi
Hyundai
JCB
JLG
John Deere
Komatsu
LIEBHERR
LiuGong
Lonking (LongGong)
Luneng
MANITOU
Mitsuber
New Holland
PENGPU
RM-Terex
SANY
SDLG
SEM
Shantui
Shehwa HBXG
Soosan
TIGARBO
VOGELE
Volvo
WAY
WIRTGEN
XCMG
XGMA
Xiamen
YTO
Yuchai
Zoomlion
Автокран
АЗСМ
Алтайлесмаш
Амкодор
АОМЗ
Атек
АТЗ
Балканкар Рекорд
БелАЗ
Беловеж
Борекс
Брянский Арсенал
Булат
ВЭКС
ГАЗ
Геомаш
Гидромаш
Донекс
Дормаш
Дормашина
Дорэлектромаш
ДЭЗ
ЕлАЗ
ЗЗГТ
Ижнефтемаш
Канаш-электрокар
КЗКТ
ККЗ
Клевер
Клинцовский автокрановый завод
КМЗ
КМЗ 1 Мая
Ковровец
Коммаш
Кранэкс
КЭЗ
КЭМЗ
ЛЗА
МАЗ
МЗИК
МЗКМ
МЗКТ
Михневский РМЗ
МоАЗ
Мозырский МЗ
МТЗ
ОЗП
Онежец
ПАО "ТЗА"
ППС Детва
Промтрактор
ПТЗ
Раскат
СпецАгрегат
ТВЭКС
ТТМ
УВЗ
Угличмаш
УЗТМ
ХТЗ
ЧЗКМ
ЧСДМ
ЧТЗ
ЭКСКО
ЭКСМАШ
ЮрМаш
Модель
Не выбрано
EX-100-2 (2000)
EX-100-3 (2008)
EX-100WD (2008)
EX-120 (2008)
EX-120-2 (2008)
EX-160WD (2008)
EX-200 (2008)
EX-200-2 (2008)
EX-200-3
EX-220 (2008)
EX-220-2 (2008)
EX-270 (2008)
EX-300 (2008)
EX-300-2 (2000)
EX-400 Type A (2006)
EX-400 Type B (2006)
EX-60 (2003)
EX-60-2 (2000)
EX-60-3 (2008)
EX-70 (2017)
LX-110-7 (2008)
LX-130-7 (2008)
LX-150-2 (2008)
LX-160-7 (2008)
LX190-7/LX230-7 (2008)
Zaxis 190-3
ZAXIS 200-5A (2018)
ZAXIS 200LC-5A (2018)
ZAXIS 210H-5A (2018)
ZAXIS 210K-5A (2018)
ZAXIS 210LCH-5A (2018)
ZAXIS 210LCK-5A (2018)
ZAXIS 330-5G (2017)
ZAXIS 350H-5G (2017)
ZAXIS 48U-5A (2020)
ZAXIS 850-3
ZAXIS 870H-3
ZX-110 (2008)
ZX-160W (2008)
ZX-200 (2008)
ZX-230 (2008)
ZX-25 (2008)
ZX-270 (2008)
ZX-330 (2010)
ZX-330-3 (Part № PIHH-I-3) (2008)
ZX-330-3 (Part № PIHH-I-5) (2013)
ZX-330-3G (2008)
ZX-400R-3 (2010)
ZX-450 (2006)
ZX-600 (2007)
Компоненты EX-100-2 (2000)
Компоненты EX-100WD (2008)
Компоненты EX-120 (2008)
Компоненты EX-120-2 (2008)
Компоненты EX-160WD (2008)
Компоненты EX-200 (2008)
Компоненты EX-200-2 (2008)
Компоненты EX-200-3(LC, H)
Компоненты EX-220 (2008)
Компоненты EX-220-2 (2008)
Компоненты EX-270 (2008)
Компоненты EX-300 (2008)
Компоненты EX-300-2 (2000)
Компоненты EX-400 Type A (2006)
Компоненты EX-400 Type B (2006)
Компоненты EX-60 (2003)
Компоненты EX-60-2 (2000)
Компоненты EX-60-3 (2008)
Компоненты ZAXIS 450, 470, 500, 520 (2010)
Компоненты ZX-110 (2008)
Компоненты ZX-120 (130) (2008)
Компоненты ZX-160W (2008)
Компоненты ZX-200 (2008)
Компоненты ZX-230 (2008)
Компоненты ZX-270 (2008)
Компоненты ZX-330 (2008)
Компоненты ZX-450 (2006)
Схема
>
Не выбрано
FRAME
ENGINE
RADIATOR
AIR CLEANER
MUFFLER
BYPASS FILTER (ENGINE OIL)
FUEL TANK
PUMP DEVICE
SWING DEVICE
OIL TANK
OIL COOLER PIPINGS (1)
OIL COOLER PIPINGS (1)
OIL COOLER PIPINGS (2)
OIL COOLER PIPINGS (3)
MAIN PIPINGS (1)
MAIN PIPINGS (1)
MAIN PIPINGS (2)
MAIN PIPINGS (2)
MAIN PIPINGS (3)
ENGINE CONTROL LEVER (1)
ENGINE CONTROL LEVER (1)
ENGINE CONTROL LEVER (1)
ENGINE CONTROL LEVER (2) <SDX>
ENGINE CONTROL LEVER (2) <DX>
CONTROL LEVER (1)
CONTROL LEVER (2) <SDX>
CONTROL LEVER (2) <DX>
PILOT PIPINGS (1-1) <SDX>
PILOT PIPINGS (1-1) <DX>
PILOT PIPINGS (1-2)
PILOT PIPINGS (2) <SDX>
PILOT PIPINGS (2) <DX>
PILOT PIPINGS (3-1)
PILOT PIPINGS (3-2)
PILOT PIPINGS (3-3)
PILOT PIPINGS (4)
PILOT PIPINGS (5)
CONTROL BOX (R) <SDX>
CONTROL BOX (R) <DX>
CONTROL BOX (L)
GAUGE PANEL <SDX>
GAUGE PANEL <DX>
ELECTRIC PARTS (1) <SDX>
ELECTRIC PARTS (1) <DX>
ELECTRIC PARTS (2) <SDX>
ELECTRIC PARTS (2) <DX>
ELECTRIC PARTS (3)
ELECTRIC PARTS (4) <SDX>
ELECTRIC PARTS (4) <DX>
ELECTRIC PARTS (5) <SDX>
ELECTRIC PARTS (5) <DX>
CAB GROUP <SDX>
CAB GROUP <DX>
CAB (1) <SDX>
CAB (1) <DX>
CAB (2)
CAB (3) <SDX>
CAB (3) <DX>
CAB (4)
CAB (5) <SDX>
CAB (5) <DX>
CAB (6)
SEAT
COVER (1)
COVER (1)
COVER (2)
COVER (3)
DOOR LOCK
ENGINE COVER
UNDER COVER
CAR HEATER <SDX>
CAR HEATER PIPINGS <SDX>
TRACK FRAME (STD. TRACK)
TRACK FRAME (LC TRACK)
TRAVEL DEVICE
FRONT IDLER
ADJUSTER
UPPER ROLLER
LOWER ROLLER (STD. TRACK)
LOWER ROLLER (LC TRACK)
TRACK-LINK 600G (STD. TRACK)
TRACK-LINK 600G (LC TRACK)
CENTER JOINT
TRAVEL PIPINGS (STD. TRACK)
TRAVEL PIPINGS (LC TRACK)
BOOM
STD. ARM 2.96M
BUCKET 0.9
FRONT PIPINGS
LUBRICATE PIPINGS
TOOLS
SPARE PARTS
RADIATOR (WAVY FIN)
CONTROL LEVER (1) (4-LEVER TYPE)
CONTROL LEVER (2) (4-LEVER TYPE)
PILOT PIPINGS (5) (4-LEVER TYPE)
CONTROL BOX (R) (4-LEVER TYPE)
CAB GROUP (4-LEVER TYPE)
SEAT <4-LEVER TYPE>
FUEL DOUBLE FILTER
WINDOW GUARD
CENTER COVER
TRACK-LINK 800G (STD. TRACK)
TRACK-LINK 800G (LC TRACK)
TRACK-LINK 900A (STD. TRACK)
TRACK-LINK 900A (LC TRACK)
LONG ARM 3.61M
SHORT ARM 2.3M
SUPER SHORT ARM 1.9M
BUCKET 0.7
BUCKET 1.0
BUCKET 1.1
BUCKET 1.2
ROCK BUCKET 0.8
RIPPER BUCKET 0.7
ONE-POINT RIPPER
HOSE RUPTURE VALVE PIPINGS (BOOM)
HOSE RUPTURE VALVE PIPINGS (ARM)
HOSE RUPTURE VALVE PIPINGS (ARM)
SPARE PEDAL
PILOT PIPINGS FOR SPARE PEDAL
PIPINGS (1) FOR BREAKER, CRUSHER
PIPINGS (2) FOR BREAKER, CRUSHER
PIPINGS (3) FOR BREAKER, CRUSHER <NPK BREAKER>
PIPINGS (3) FOR BREAKER, CRUSHER <NPK BREAKER & CRUSHER>
PIPINGS (3) FOR BREAKER, CRUSHER <OKADA / FURUKAWA BREAKER)
PIPINGS (3) FOR BREAKER, CRUSHER <OKADA / FURUKAWA BREAKER & CRUSHER>
CONFLUENT PIPINGS (1)
CONFLUENT PIPINGS (2)
NAME-PLATE (ENGLISH) <SDX>
NAME-PLATE (ENGLISH) <DX>
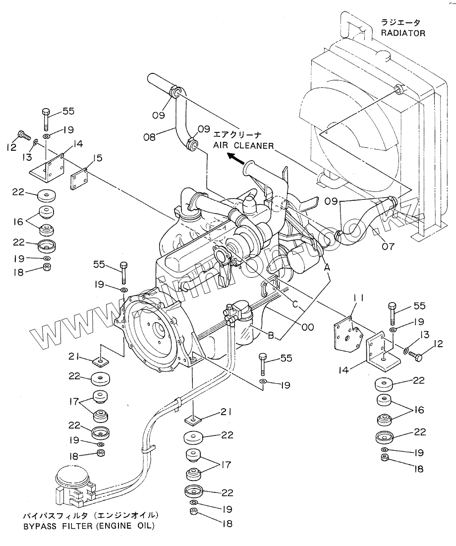
00
00A
00B
00C
07
08
09
09
09
11
12
12
13
13
14
14
15
16
16
17
17
18
18
18
18
19
19
19
19
19
19
19
19
21
21
22
22
22
22
22
22
22
22
55
55
55
55
Позиция на иллюстрации
Заводской номер детали
Название детали
00
4176898
ENGINE
00A
4206088
BELT, FAN
00B
4206089
FILTER, OIL
00C
4206090
FILTER, FUEL
07
3035485
HOSE, WATER
08
3035487
HOSE, WATER
09
4504199
CLAMP, HOSE
11
3037395
BRACKET
12
4190200
BOLT
13
4086891
WASHER
14
4189054
BRACKET
15
4189053
PLATE
16
4188648
RUBBER
17
4188649
RUBBER
18
J951018
NUT
19
4114406
WASHER
21
4189017
PLATE
22
4189018
STOPPER
55
J931806
BOLT
Содержащиеся в справочниках-каталогах запасные части и детали не предлагаются к продаже, а носят исключительно информационный характер
Дополнительная информация
×
Название:
Номер:
Примечание: