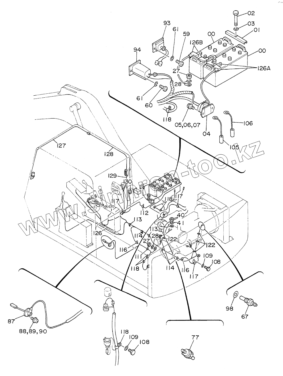
Каталог запасных частей к технике: Hitachi EX-220. ELECTRIC PARTS (5) <SDX>
00
00
00
00
01
02
03
04
05
05
06
07
27
27
28
28
40
41
59
60
60
61
61
67
77
87
88
88
89
90
93
94
98
105
106
108
108
109
109
111
112
113
113
114
114
116
116
117
117
117
118
118
118
118
122
122
126
126A
126B
127
128
129
130
| Позиция на иллюстрации | Заводской номер детали | Название детали | |
|---|---|---|---|
| 00 | 4190698 | BATTERY | |
| 00 | 4237921 | BATTERY | |
| 01 | 445214 | SUPPORT | |
| 02 | 4140208 | BOLT | |
| 03 | А590910 | WASHER, SPRING | |
| 04 | 4168218 | RELAY, BATTERY | |
| 05 | J900828 | BOLT | |
| 05 | J020828 | BOLT, SEMS | |
| 06 | А590908 | WASHER, SPRING | |
| 07 | А590108 | WASHER, PLANE | |
| 27 | J950010 | NUT | |
| 28 | А590910 | WASHER, SPRING | |
| 40 | М500807 | NUT | |
| 41 | А590908 | WASHER, SPRING | |
| 59 | М430613 | SCREW | |
| 60 | М430616 | SCREW | |
| 60 | М430620 | SCREW | |
| 61 | А590906 | WASHER, SPRING | |
| 67 | 4187223 | UNIT | |
| 77 | 4148963 | INDICATOR | |
| 87 | 4151888 | SWITCH, LEVEL | |
| 88 | М430513 | SCREW | |
| 88 | J460514 | SCREW, SEMS | |
| 89 | А590905 | WASHER, SPRING | |
| 90 | А590105 | WASHER, PLANE | |
| 93 | 4172004 | REGULATOR | |
| 94 | 4205749 | RELAY, SAFETY | |
| 98 | 4164304 | PACKING | |
| 105 | 4191038 | FUSIBLE-LINK | |
| 106 | 4191773 | FUSIBLE-LINK | |
| 108 | J901018 | BOLT | |
| 109 | А590910 | WASHER, SPRING | |
| 111 | 4190261 | CLIP | |
| 112 | 4190253 | CLIP | |
| 113 | 4190277 | CLIP | |
| 114 | 4192035 | CLIP | |
| 116 | 4190275 | CLIP | |
| 117 | 4190273 | CLIP | |
| 118 | 4190271 | CLIP | |
| 122 | 4055312 | CLIP, BAND | |
| 126 | 4191998 | HARNESS, WIRE | |
| 126A | 4256240 | CAP | |
| 126B | 4256241 | CAP | |
| 127 | 4229055 | HARNESS WIRE | |
| 128 | 4229056 | HARNESS WIRE | |
| 129 | 4229057 | HARNESS WIRE | |
| 130 | 4229058 | HARNESS WIRE |
Содержащиеся в справочниках-каталогах запасные части и детали не предлагаются к продаже, а носят исключительно информационный характер