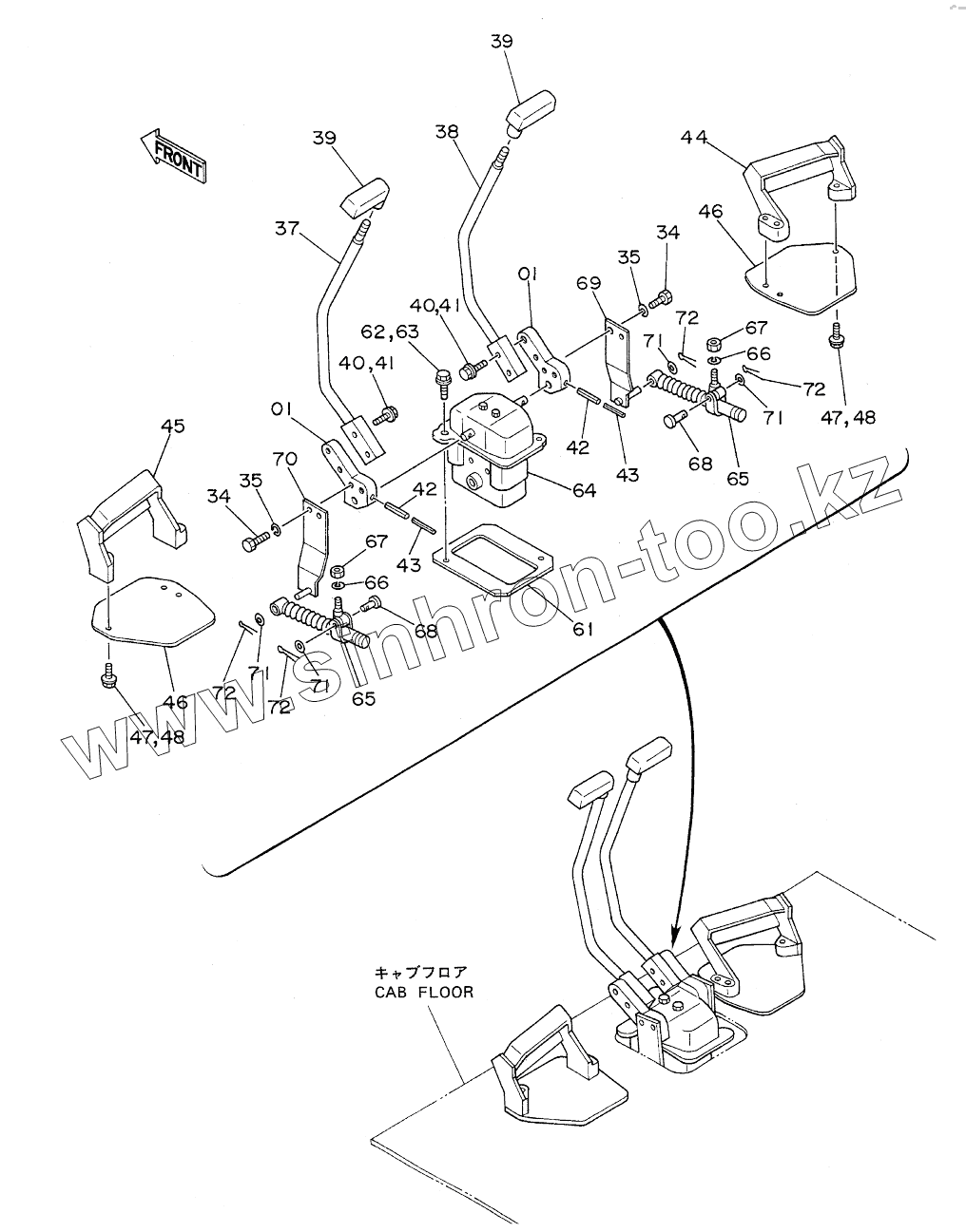
Каталог запасных частей к технике: Hitachi EX-220. CONTROL LEVER (2) <DX>
1
1
34
34
35
35
37
38
39
39
40
40
40
41
41
42
42
43
43
44
45
46
46
47
47
47
48
48
61
62
62
62
63
64
65
65
66
66
67
67
68
68
69
70
71
71
71
71
72
72
72
72
| Позиция на иллюстрации | Заводской номер детали | Название детали | |
|---|---|---|---|
| 1 | 4204996 | BRACKET | |
| 34 | J901018 | BOLT | |
| 35 | А590910 | WASHER, SPRING | |
| 37 | 8036783 | LEVER | |
| 38 | 8036784 | LEVER | |
| 39 | 4204810 | GRIP | |
| 40 | J901040 | BOLT | |
| 40 | J011040 | BOLT, SEMS | |
| 41 | А590910 | WASHER, SPRING | |
| 42 | 4205317 | PIN, SPRING | |
| 43 | 4205318 | PIN, SPRING | |
| 44 | 2024630 | REST FOOT | |
| 45 | 2024629 | REST FOOT | |
| 46 | 4191971 | COVER | |
| 47 | J011030 | BOLT, SEMS | |
| 47 | J901030 | BOLT | |
| 48 | А590910 | WASHER, SPRING | |
| 61 | 4191969 | PLATE | |
| 62 | J901035 | BOLT | |
| 62 | J011035 | BOLT, SEMS | |
| 62 | J021040 | BOLT, SEMS | |
| 63 | А590910 | WASHER, SPRING | |
| 64 | 9071983 | VALVE, PILOT | |
| 65 | 4204959 | DAMPER | |
| 66 | А590908 | WASHER, SPRING | |
| 67 | М500807 | NUT | |
| 68 | 4044928 | PIN | |
| 69 | 9728053 | BRACKET | |
| 70 | 9728065 | BRACKET | |
| 71 | А590108 | WASHER, PLANE | |
| 72 | 4022697 | PIN, LOCK |
Содержащиеся в справочниках-каталогах запасные части и детали не предлагаются к продаже, а носят исключительно информационный характер