Вернуться на главную
Поиск
Каталоги запчастей к технике
Спецтехника
Hitachi
EX-200-3
FRONT PIPINGS (1)
Каталог запасных частей к технике: Hitachi EX-200-3. FRONT PIPINGS (1)
zoom-in
zoom-out
enlarge
shrink
circle-right
circle-left
file-text2
info
cart
Тип техники
Не выбрано
Легковые автомобили
Грузовые автомобили и прицепы
Автобусы
Сельхозтехника
Спецтехника
Двигатели
Мототехника
Марка
Не выбрано
Ammann
BOMAG
CARMIX
CASE IH
Changlin
ChengGong
Dimex
Doosan
DYNAPAC
Foton
HAMM
Hidromek
Hitachi
Hyundai
JCB
JLG
John Deere
Komatsu
LIEBHERR
LiuGong
Lonking (LongGong)
Luneng
MANITOU
Mitsuber
New Holland
PENGPU
RM-Terex
SANY
SDLG
SEM
Shantui
Shehwa HBXG
Soosan
TIGARBO
VOGELE
Volvo
WAY
WIRTGEN
XCMG
XGMA
Xiamen
YTO
Yuchai
Zoomlion
Автокран
АЗСМ
Алтайлесмаш
Амкодор
АОМЗ
Атек
АТЗ
Балканкар Рекорд
БелАЗ
Беловеж
Борекс
Брянский Арсенал
Булат
ВЭКС
ГАЗ
Геомаш
Гидромаш
Донекс
Дормаш
Дормашина
Дорэлектромаш
ДЭЗ
ЕлАЗ
ЗЗГТ
Ижнефтемаш
Канаш-электрокар
КЗКТ
ККЗ
Клевер
Клинцовский автокрановый завод
КМЗ
КМЗ 1 Мая
Ковровец
Коммаш
Кранэкс
КЭЗ
КЭМЗ
ЛЗА
МАЗ
МЗИК
МЗКМ
МЗКТ
Михневский РМЗ
МоАЗ
Мозырский МЗ
МТЗ
ОЗП
Онежец
ПАО "ТЗА"
ППС Детва
Промтрактор
ПТЗ
Раскат
СпецАгрегат
ТВЭКС
ТТМ
УВЗ
Угличмаш
УЗТМ
ХТЗ
ЧЗКМ
ЧСДМ
ЧТЗ
ЭКСКО
ЭКСМАШ
ЮрМаш
Модель
Не выбрано
EX-100-2 (2000)
EX-100-3 (2008)
EX-100WD (2008)
EX-120 (2008)
EX-120-2 (2008)
EX-160WD (2008)
EX-200 (2008)
EX-200-2 (2008)
EX-200-3
EX-220 (2008)
EX-220-2 (2008)
EX-270 (2008)
EX-300 (2008)
EX-300-2 (2000)
EX-400 Type A (2006)
EX-400 Type B (2006)
EX-60 (2003)
EX-60-2 (2000)
EX-60-3 (2008)
EX-70 (2017)
LX-110-7 (2008)
LX-130-7 (2008)
LX-150-2 (2008)
LX-160-7 (2008)
LX190-7/LX230-7 (2008)
Zaxis 190-3
ZAXIS 200-5A (2018)
ZAXIS 200LC-5A (2018)
ZAXIS 210H-5A (2018)
ZAXIS 210K-5A (2018)
ZAXIS 210LCH-5A (2018)
ZAXIS 210LCK-5A (2018)
ZAXIS 330-5G (2017)
ZAXIS 350H-5G (2017)
ZAXIS 48U-5A (2020)
ZAXIS 850-3
ZAXIS 870H-3
ZX-110 (2008)
ZX-160W (2008)
ZX-200 (2008)
ZX-230 (2008)
ZX-25 (2008)
ZX-270 (2008)
ZX-330 (2010)
ZX-330-3 (Part № PIHH-I-3) (2008)
ZX-330-3 (Part № PIHH-I-5) (2013)
ZX-330-3G (2008)
ZX-400R-3 (2010)
ZX-450 (2006)
ZX-600 (2007)
Компоненты EX-100-2 (2000)
Компоненты EX-100WD (2008)
Компоненты EX-120 (2008)
Компоненты EX-120-2 (2008)
Компоненты EX-160WD (2008)
Компоненты EX-200 (2008)
Компоненты EX-200-2 (2008)
Компоненты EX-200-3(LC, H)
Компоненты EX-220 (2008)
Компоненты EX-220-2 (2008)
Компоненты EX-270 (2008)
Компоненты EX-300 (2008)
Компоненты EX-300-2 (2000)
Компоненты EX-400 Type A (2006)
Компоненты EX-400 Type B (2006)
Компоненты EX-60 (2003)
Компоненты EX-60-2 (2000)
Компоненты EX-60-3 (2008)
Компоненты ZAXIS 450, 470, 500, 520 (2010)
Компоненты ZX-110 (2008)
Компоненты ZX-120 (130) (2008)
Компоненты ZX-160W (2008)
Компоненты ZX-200 (2008)
Компоненты ZX-230 (2008)
Компоненты ZX-270 (2008)
Компоненты ZX-330 (2008)
Компоненты ZX-450 (2006)
Схема
>
Не выбрано
FRAME
COUNTERWEIGHT
ENGINE
RADIATOR
RESERVE TANK
AIR CLEANER
MUFFLER
FUEL PIPINGS
FUEL TANK
FUEL FEED PUMP (OPTION)
FUEL DOUBLE FILTER (OPTION)
PUMP DEVICE
SWING DEVICE
OIL TANK, 78001~84672
OIL TANK, 84673~
OIL COOLER PIPINGS (1)
OIL COOLER PIPINGS (2)
OIL COOLER PIPINGS (3)
OIL COOLER PIPINGS (4)
MAIN PIPINGS (1), 78001~78018
MAIN PIPINGS (1), 78019~
MAIN PIPINGS (2)
MAIN PIPINGS (3)
MAIN PIPINGS (4)
SWING PIPINGS
ENGINE CONTROL MOTOR
ENGINE CONTROL CABLE
ENGINE CONTROL LEVER (OPTION)
CONTROL LEVER (1)
CONTROL LEVER (2), STD: 78001~82322, LC: 78001~82367
CONTROL LEVER (2), STD: 82323~, LC: 82368~
CONTROL LEVER (3)
PILOT PIPINGS (1-1)
PILOT PIPINGS (1-2) <STD>
PILOT PIPINGS (1-2) <USA>
PILOT PIPINGS (1-3)
PILOT PIPINGS (2-1)
PILOT PIPINGS (2-2)
PILOT PIPINGS (2-3)
PILOT PIPINGS (3-1)
PILOT PIPINGS (3-2)
PILOT PIPINGS (3-3)
PILOT PIPINGS (4-1)
PILOT PIPINGS (4-2)
PILOT PIPINGS (5-1) <STD>
PILOT PIPINGS (5-1) <USA>
PILOT PIPINGS (5-2) <STD>
PILOT PIPINGS (5-2) <USA>
PILOT PIPINGS (6-1)
PILOT PIPINGS (6-2)
CONSOLE (R)
CONSOLE (L) <STD>
CONSOLE (L) <USA>
SWITCH BOX
GAUGE PANEL
RADIO <STD>
RADIO <USA>
ELECTRIC PARTS (1)
ELECTRIC PARTS (2) <STD>
ELECTRIC PARTS (2) <USA>
ELECTRIC PARTS (3-1)
ELECTRIC PARTS (3-2)
ELECTRIC PARTS (3-3)
ELECTRIC PARTS (3-4)
MOTION ALARM <USA>
WINDOW WASHER, STD: 78001~85032, LC: 78001~85386
WINDOW WASHER, STD: 85003~, LC: 85387~
CAR HEATER, STD: 78001~78902, LC: 78001~78875
CAR HEATER, STD: 78903~85473, LC: 78876~85473
CAR HEATER, 85747~
CAR HEATER PARTS, STD: 78001~78902, LC: 78001~78875
CAR HEATER PARTS, STD: 78903~85473, LC: 78867~85473
CAR HEATER PARTS, 85747~
HEATER PIPINGS
CAB GROUP (1)
CAB GROUP (2)
REARVIEW MIRROR
CAB <200, LC>
CAB <200H, LCH>
CAB (1)
CAB (2)
CAB (3)
CAB (4)
CAB (5)
CAB (6)
REAR COVER (INSIDE OF CAB)
FLOOR PARTS
SEAT <STD>
SEAT <USA>
SEAT SUSPENSION <STD>
SEAT SUSPENSION <USA>
SEAT BELT
COVER (1-1)
COVER (1-2)
COVER (1-3), 78001~84672
COVER (1-3), 85673~
COVER (1-4)
COVER (1-5)
COVER (1-6)
COVER (1-7)
COVER (2) <200, LC>
COVER (2) <200H, LCH>
DOOR LOCK (1)
DOOR LOCK (2)
DOOR LOCK (3)
TRACKFRAME <200>, 78001~85184
TRACKFRAME <200>, 85185~
TRACK FRAME <200 LC>, 78001~85386
TRACK FRAME <200 LC>, 85387~
TRACK FRAME <200H>, 78001~84671
TRACK FRAME <200H>, 84672~
TRACK FRAME <200LCH>, 78001~84671
TRACK FRAME <200LCH>, 84672~
STEP <200H, LCH>, 84672~
SWING BEARING
TRAVEL DEVICE
FRONT IDLER
ADJUSTER
UPPER ROLLER, 78001~83807
UPPER ROLLER, 83808~
LOWER ROLLER (STD. TRACK)
LOWER ROLLER (LC TRACK)
TRACK-LINK 600G <200>
TRACK-LINK 600G <200LC>
TRACK-LINK 600G <200H>
TRACK-LINK 600G <200LCH>
CENTER JOINT
TRAVEL PIPINGS (STD. TRACK)
TRAVEL PIPINGS (LC TRACK)
TRAVEL PIPINGS COVER, STD: 78001~85184, LC: 78001~85386
TRAVEL PIPINGS COVER, STD: 85185~, LC: 85387~
BOOM
H BOOM
STD. ARM 2.91M
H ARM 2.91M
BUCKET 0.8 <JIS 94>
H BUCKET 0.8 <JIS 94>
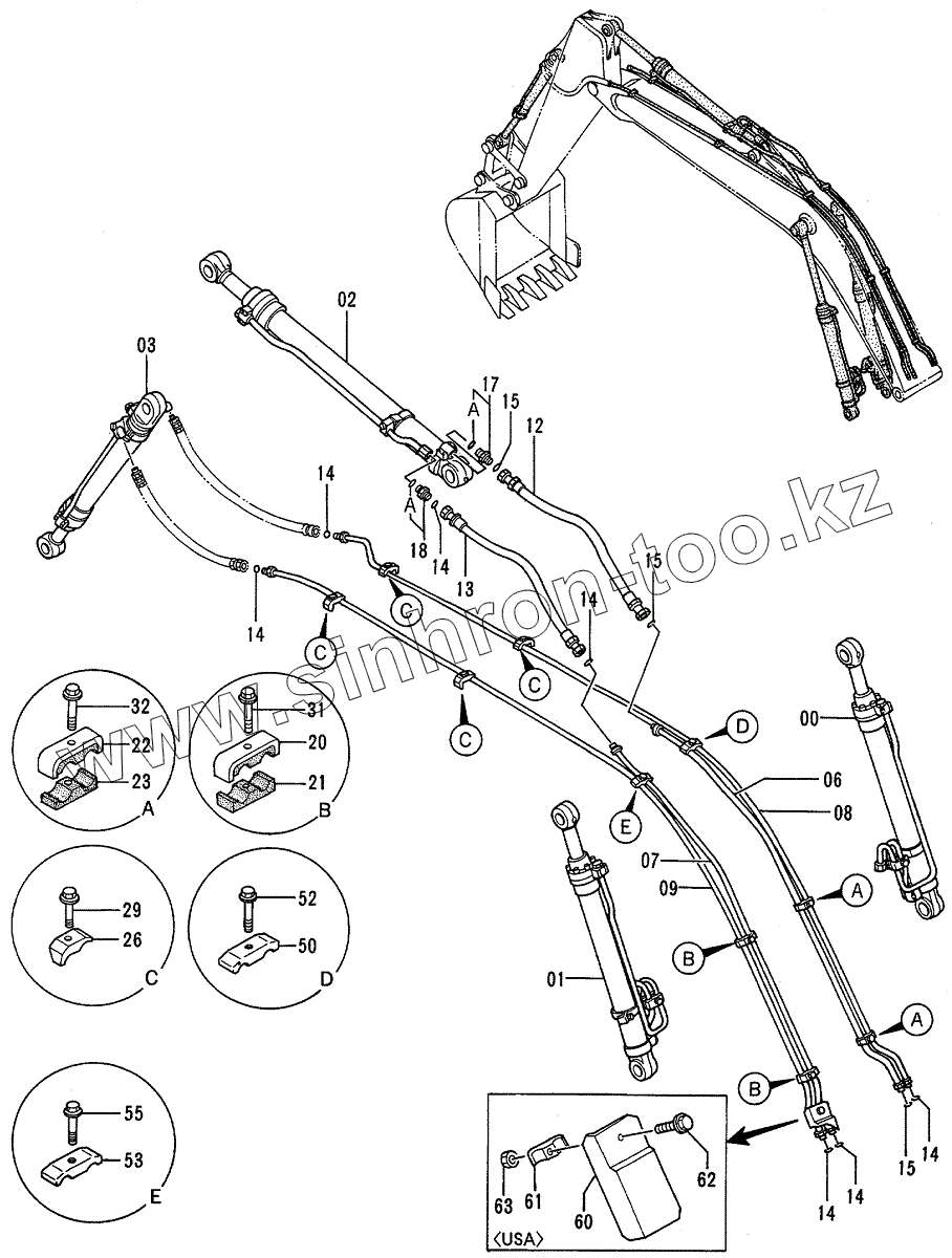
FRONT PIPINGS (1)
FRONT PIPINGS (2)
LUBRICATE PIPINGS
PILOT PIPINGS <TYPE 15>
BOOM <TYPE 15>
ARM <TYPE 15>
BUCKET 0.4 <JIS 94>
BUCKET 0.48 <JIS 94>
DITCH CLEANING BUCKET 0.48 <JIS 94> (WITHOUT POINTS)
DITCH CLEANING BUCKET 0.48 <JIS 94> (WITHOUT POINTS)
FRONT PIPINGS (1) <TYPE 15>
FRONT PIPINGS (2) <TYPE 15>
LUBRICATE PIPINGS (1) <TYPE 15>
LUBRICATE PIPINGS (2) <TYPE 15>
MULTI LEVER PIPINGS (1)
MULTI LEVER PIPINGS (2)
MULTI LEVER PIPINGS (3)
MULTI LEVER PIPINGS (4)
AIR CONDITIONER (1), 78001~79275
AIR CONDITIONER (1), 79276~
AIR CONDITIONER (2)
PRESSURE TYPE AIR-CON. PARTS
AIR-CON. UNIT
AIR—CON. CONTROLLER (STD. Type), 78001~81690
AIR—CON. CONTROLLER (STD. Type), 81691~
AIR—CON. CONTROLLER (PRESSURE Type), 78001~D94/10
AIR—CON. CONTROLLER (PRESSURE Type), D94/11~
HOT & COOL BOX
TROPICAL COVER
WINDOW GUARD <USA>
TRACK-LINK 700G <200>
TRACK-LINK 700G <200LC>
TRACK-LINK 800G <200>
TRACK—LINK 800G <200LC>
TRACK-LINK 600F <200>
TRACK-LINK 600F <200LC>
TRACK-LINK 900A <200>
TRACK-LINK 900A <200LC>
TRACK—LINK 600GP (RUBBER PAD) <200>
TRACK-LINK 600GP (RUBBER PAD) <200LC>
SHORT ARM 2.22M
FRONT PIPINGS (2) <SHORT ARM>
BUCKET—HOOK PARTS
BUCKET 0.51 <JIS 94>
BUCKET 0.91 <JIS 94>
BUCKET 1.1 <JIS 94>
BUCKET 1.2 <JIS 94>
RIPPER BUCKET 0.6 <JIS 94>
ONE-POINT RIPPER
SLOPE—FINISHING BLADE
CLAMSHELL BUCKET (1)
CLAMSHELL BUCKET (2)
CLAMSHELL BUCKET (3)
CLAMSHELL PIPINGS
HOSE RUPTURE VALVE PIPINGS (BOOM):1
HOSE RUPTURE VALVE PIPINGS (BOOM):2
HOSE RUPTURE VALVE PIPINGS (BOOM):3
HOSE RUPTURE VALVE PIPINGS (ARM):1
HOSE RUPTURE VALVE PIPINGS (ARM):2
HOSE RUPTURE VALVE PIPINGS (ARM):3
CONTROL PEDAL (BREAKER & CRUSHER)
PILOT PIPINGS (BREAKER & CRUSHER)
MAIN PIPINGS FOR BREAKER & CRUSHER
FRONT PIPINGS FOR BREAKER & CRUSHER
PIPINGS FOR NPK BREAKER
PIPINGS FOR NPK BREAKER & CRUSHER
PIPINGS FOR OKADA/FURUKAWA BREAKER
PIPINGS FOR OKADA/FURUKAWA BREAKER & CRUSHER
TOOLS
SPARE PARTS, 78001~D94/11
NAME-PLATE (JAPANESE) <STD>
NAME-PLATE (ENGLISH) <STD>
NAME-PLATE (ENGLISH) <USA>
00
01
02
03
06
07
08
09
12
13
14
14
14
14
14
14
14
15
15
15
17
17A
18
18A
20
21
22
23
26
29
31
32
50
52
53
55
60
61
62
63
Позиция на иллюстрации
Заводской номер детали
Название детали
00
4250223
CYL., BOOM
01
4250224
CYL., BOOM
02
4314778
CYL., ARM
03
4250225
CYL., BUCKET
06
8059246
PIPE
07
8048252
PIPE
08
8048249
PIPE
09
8048250
PIPE
12
4276956
HOSE
13
4249334
HOSE
14
4187308
O-RING
15
4187328
O-RING
17
4189535
ADAPTER, S
17A
4506429
O-RING
18
4189537
ADAPTERS
18A
4506429
O-RING
20
4285723
CLAMP, PIPE
21
4285722
RUBBER
22
4285725
CLAMP
23
4285724
RUBBER
26
4190126
CLAMP, PIPE
29
J011260
BOLT, SEMS
31
J011270
BOLT, SEMS
32
J011275
BOLT, SEMS
50
4153488
CLAMP, PIPE
52
J011270
BOLT, SEMS
53
4189859
CLAMP, PIPE
55
J011260
BOLT, SEMS
60
8053322
COVER
61
4189859
CLAMP, PIPE
62
J011265
BOLT, SEMS
63
J950012
NUT
Содержащиеся в справочниках-каталогах запасные части и детали не предлагаются к продаже, а носят исключительно информационный характер
Дополнительная информация
×
Название:
Номер:
Примечание: