Вернуться на главную
Поиск
Каталоги запчастей к технике
Спецтехника
Hitachi
EX-200-2
COVER (1-5) 60001-
Каталог запасных частей к технике: Hitachi EX-200-2. COVER (1-5) 60001-
zoom-in
zoom-out
enlarge
shrink
circle-right
circle-left
file-text2
info
cart
Тип техники
Не выбрано
Легковые автомобили
Грузовые автомобили и прицепы
Автобусы
Сельхозтехника
Спецтехника
Двигатели
Мототехника
Марка
Не выбрано
Ammann
BOMAG
CARMIX
CASE IH
Changlin
ChengGong
Dimex
Doosan
DYNAPAC
Foton
HAMM
Hidromek
Hitachi
Hyundai
JCB
JLG
John Deere
Komatsu
LIEBHERR
LiuGong
Lonking (LongGong)
Luneng
MANITOU
Mitsuber
New Holland
PENGPU
RM-Terex
SANY
SDLG
SEM
Shantui
Shehwa HBXG
Soosan
TIGARBO
VOGELE
Volvo
WAY
WIRTGEN
XCMG
XGMA
Xiamen
YTO
Yuchai
Zoomlion
Автокран
АЗСМ
Алтайлесмаш
Амкодор
АОМЗ
Атек
АТЗ
Балканкар Рекорд
БелАЗ
Беловеж
Борекс
Брянский Арсенал
Булат
ВЭКС
ГАЗ
Геомаш
Гидромаш
Донекс
Дормаш
Дормашина
Дорэлектромаш
ДЭЗ
ЕлАЗ
ЗЗГТ
Ижнефтемаш
Канаш-электрокар
КЗКТ
ККЗ
Клевер
Клинцовский автокрановый завод
КМЗ
КМЗ 1 Мая
Ковровец
Коммаш
Кранэкс
КЭЗ
КЭМЗ
ЛЗА
МАЗ
МЗИК
МЗКМ
МЗКТ
Михневский РМЗ
МоАЗ
Мозырский МЗ
МТЗ
ОЗП
Онежец
ПАО "ТЗА"
ППС Детва
Промтрактор
ПТЗ
Раскат
СпецАгрегат
ТВЭКС
ТТМ
УВЗ
Угличмаш
УЗТМ
ХТЗ
ЧЗКМ
ЧСДМ
ЧТЗ
ЭКСКО
ЭКСМАШ
ЮрМаш
Модель
Не выбрано
EX-100-2 (2000)
EX-100-3 (2008)
EX-100WD (2008)
EX-120 (2008)
EX-120-2 (2008)
EX-160WD (2008)
EX-200 (2008)
EX-200-2 (2008)
EX-200-3
EX-220 (2008)
EX-220-2 (2008)
EX-270 (2008)
EX-300 (2008)
EX-300-2 (2000)
EX-400 Type A (2006)
EX-400 Type B (2006)
EX-60 (2003)
EX-60-2 (2000)
EX-60-3 (2008)
EX-70 (2017)
LX-110-7 (2008)
LX-130-7 (2008)
LX-150-2 (2008)
LX-160-7 (2008)
LX190-7/LX230-7 (2008)
Zaxis 190-3
ZAXIS 200-5A (2018)
ZAXIS 200LC-5A (2018)
ZAXIS 210H-5A (2018)
ZAXIS 210K-5A (2018)
ZAXIS 210LCH-5A (2018)
ZAXIS 210LCK-5A (2018)
ZAXIS 330-5G (2017)
ZAXIS 350H-5G (2017)
ZAXIS 48U-5A (2020)
ZAXIS 850-3
ZAXIS 870H-3
ZX-110 (2008)
ZX-160W (2008)
ZX-200 (2008)
ZX-230 (2008)
ZX-25 (2008)
ZX-270 (2008)
ZX-330 (2010)
ZX-330-3 (Part № PIHH-I-3) (2008)
ZX-330-3 (Part № PIHH-I-5) (2013)
ZX-330-3G (2008)
ZX-400R-3 (2010)
ZX-450 (2006)
ZX-600 (2007)
Компоненты EX-100-2 (2000)
Компоненты EX-100WD (2008)
Компоненты EX-120 (2008)
Компоненты EX-120-2 (2008)
Компоненты EX-160WD (2008)
Компоненты EX-200 (2008)
Компоненты EX-200-2 (2008)
Компоненты EX-200-3(LC, H)
Компоненты EX-220 (2008)
Компоненты EX-220-2 (2008)
Компоненты EX-270 (2008)
Компоненты EX-300 (2008)
Компоненты EX-300-2 (2000)
Компоненты EX-400 Type A (2006)
Компоненты EX-400 Type B (2006)
Компоненты EX-60 (2003)
Компоненты EX-60-2 (2000)
Компоненты EX-60-3 (2008)
Компоненты ZAXIS 450, 470, 500, 520 (2010)
Компоненты ZX-110 (2008)
Компоненты ZX-120 (130) (2008)
Компоненты ZX-160W (2008)
Компоненты ZX-200 (2008)
Компоненты ZX-230 (2008)
Компоненты ZX-270 (2008)
Компоненты ZX-330 (2008)
Компоненты ZX-450 (2006)
Схема
>
Не выбрано
FRAME 60001-
COUNTERWEIGHT 60001-
ENGINE 60001-
RADIATOR 60001-
RESERVE TANK 60001-
AIR CLEANER 60001-
MUFFLER 60001-
FUEL PIPINGS 60001-
FUEL TANK 60001-
FUEL FEED PUMP (OPTION) 60001-
FUEL DOUBLE FILTER (OPTION) 60001-72941
FUEL DOUBLE FILTER (OPTION) 72942-
PUMP DEVICE 60001-
SWING DEVICE 60001-
OIL TANK 60001-
OIL COOLER PIPINGS (1) 60001-
OIL COOLER PIPINGS (2) 60001-
OIL COOLER PIPINGS (3) 60001-
OIL COOLER PIPINGS (4) 60001-
MAIN PIPINGS (1) 60001-
MAIN PIPINGS (2) 60001-
MAIN PIPINGS (3) 60001-
MAIN PIPINGS (4) 60001-
SWING PIPINGS 60001-
ENGINE CONTROL MOTOR 60001-
ENGINE CONTROL CABLE 60001-
CONTROL LEVER (1) 60001-
CONTROL LEVER (2) 60001-74817
CONTROL LEVER (2) 74818-
CONTROL LEVER (3) 60001-
PILOT PIPINGS (1-1) 60001-
PILOT PIPINGS (1-2) <STD><N.EUROPE> 60001-
PILOT PIPINGS (1-2) <USA> 60001-
PILOT PIPINGS (2-1) 60001-
PILOT PIPINGS (2-2) 60001-
PILOT PIPINGS (3-1) 60001-
PILOT PIPINGS (3-2) 60001-
PILOT PIPINGS (3-3) STD:60001-65165, LC :60001-65332
PILOT PIPINGS (3-3) STD:65166-, LC :65333-
PILOT PIPINGS (4-1) 60001-
PILOT PIPINGS (4-2) <STD><USA> 60001-
PILOT PIPINGS (4-2) <N.EUROPE> 60001-
PILOT PIPINGS (5-1) <STD> 60001-
PILOT PIPINGS (5-1) <N. EUROPE> 60001-
PILOT PIPINGS (5-1) <USA> 60001-
PILOT PIPINGS (5-2) <STD><N. EUROPE) 60001-
PILOT PIPINGS (5-2) <USA> 60001-
PILOT PIPINGS (6-1) STD:60001-65165, LC:60001-65332
PILOT PIPINGS (6-1) STD:65166-, LC:65333-
PILOT PIPINGS (6-2) STD:60001-65165, LC:60001-65332
PILOT PIPINGS (6-2) STD:65166-, LC :65333-
CONSOLE (R) 60001-
CONSOLE (L) <STD> 60001-
CONSOLE (L) <N.EUROPE> 60001-
CONSOLE (L) <USA> 60001-
SWITCH BOX 60001-
GAUGE PANEL <STD><USA> 60001-
GAUGE PANEL <N.EUROPE> 60001-
RADIO <STD> 60001-
RADIO <N.EUROPE><USA> 60001-
ELECTRIC PARTS (1) 60001-
ELECTRIC PARTS (2) <STD><N.EUROPE> 60001-
ELECTRIC PARTS (2) <USA> 60001-
ELECTRIC PARTS (3-1) 60001-
ELECTRIC PARTS (3-2) <STD><USA> 60001-
ELECTRIC PARTS (3-2) <N.EUROPE> 60001-
ELECTRIC PARTS (3-3) 60001-
ELECTRIC PARTS (3-4) 60001-
MOTION ALARM <USA> 60001-
WINDOW WASHER 60001-
CAR HEATER 60001-
CAR HEATER PARTS 60001-
CAR HEATER PIPINGS 60001-
CAB GROUP (1) STD:60001-68551, LC:60001-68616
CAB GROUP (1) STD:68552-74817, LC:68617-74817
CAB GROUP (1) 74818-
CAB GROUP (2) 60001-
REARVIEW MIRROR 60001-
CAB <STD><USA> 60001-
CAB <N.EUROPE> 60001-
CAB (1) 60001-
CAB (2) <STD><USA>60001-
CAB (2) <N.EUROPE) 60001-
CAB (3) STD:60001-65479, LC:60001-65604
CAB (3) STD:65480-, LC:65605-
CAB (4) 60001-
CAB (5) 60001-
CAB (6) <STD><USA> 60001-
CAB (6) <N.EUROPE> 60001-
CAB (7): SUNVISOR <N.EUROPE>, 60001-
REAR COVER (INSIDE OF CAB) 60001-
FLOOR PARTS 60001-
SEAT <STD><N.EUROPE> 60001-
SEAT <USA> 60001-
SEAT SUSPENSION <STD><N.EUROPE> 60001-74817
SEAT SUSPENSION <STD><N.EUROPE>74818-
SEAT SUSPENSION <USA> 60001-74187
SEAT SUSPENSION <USA> 74818-
SEAT STAND <STD><N.EUROPE> 60001-74817
SEAT STAND <USA> 60001-74817
SEAT BELT <STD><N. EUROPE> 71829-74817
SEAT BELT <STD><N. EUROPE> 74818-
SEAT BELT <USA> 60001-74817
SEAT BELT <USA> 74818-
COVER (1-1) 60001-
COVER (1-2) 60001-
COVER (1-3) 60001-
COVER (1-4) 60001-
COVER (1-5) 60001-
COVER (1-6) 60001-
COVER (1-7) 60001-
COVER (2) 60001-
DOOR LOCK (1) 60001-
DOOR LOCK (2) 60001-
DOOR LOCK (3) 60001-
TRACK FRAME (STD. TRACK) 60001-
TRACK FRAME (LC TRACK) 60001-
SWING BEARING 60001-
TRAVEL DEVICE 60001-
FRONT IDLER 60001-
ADJUSTER 60001-
UPPER ROLLER 60001-
LOWER ROLLER (STD.TRACK) 60001-
LOWER ROLLER (LC TRACK) 60001-
TRACK-LINK 600G (STD. TRACK) 60001-
TRACK-LINK 600G (LC TRACK) 60001-
CENTER JOINT 60001-
TRAVEL PIPINGS (STD. TRACK) 60001-
TRAVEL PIPINGS (LC TRACK) 60001-
TRAVEL PIPINGS COVER 60001-
BOOM 60001-
STD. ARM 2.91M 60001-
BUCKET 0.7 60001-
FRONT PIPINGS (1) 60001-
FRONT PIPINGS (2) 60001-
LUBRICATE PIPINGS 60001-
PILOT PIPINGS <TYPE 15> 60001-
BOOM <TYPE 15> 60001-
ARM <TYPE 15>
BUCKET 0.35
BUCKET 0.4
DITCH CLEANING BUCKET 0.4 (WITHOUT POINTS) 60001-
DITCH CLEANING BUCKET 0.4 (WITH POINTS)
FRONT PIPINGS (1) <TYPE 15> 60001-
FRONT PIPINGS (2) <TYPE 15> 60001-
LUBRICATE PIPINGS (1) <TYPE 15> 60001-
LUBRICATE PIPINGS (2) <TYPE 15> 60001-
MULTI LEVER PIPINGS (1) 60001-D92/01
MULTI LEVER PIPINGS (1) D92/02-
MULTI LEVER PIPINGS (2) 60001-
MULTI LEVER PIPINGS (3) 60001-
MULTI LEVER PIPINGS (4) 60001-
AIR-CONDITIONER (1) STD:60001-73243, LC :60001-73417
AIR-CONDITIONER (1) STD:73244, LC:73418-
AIR CONDITIONER (2) STD:60001-73243
AIR CONDITIONER (2) STD:73244-, LC :73418-
AIR-CON. UNIT STD:60001-73243, LC :60001-73417
AIR-CON. UNIT STD:73244-, LC:73418-
AIR-CON. CONTROLLER STD:60001-73243, LC :60001-73417
AIR-CON. CONTROLLER STD:73244-, LC:73418-
TROPICAL COVER 60001-
WINDOW GUARD <USA> 60001-
TRACK-LINK 700G (STD. TRACK) 60001-
TRACK-LINK 700G (LC TRACK) 60001-
TRACK-LINK 800G (STD. TRACK) 60001-
TRACK-LINK 800G (LC TRACK) 60001-
TRACK-LINK 600F (STD. TRACK) 60001-
TRACK-LINK 600F (LC TRACK) 60001-
TRACK-LINK 900A (STD. TRACK) 60001-
TRACK-LINK 900A (LC TRACK) 60001-
TRACK-LINK 600GP<RUBBER PAD>(STD. TRACK) D92/05-
TRACK-LINK 600GP<RUBBER PAD>(LC TRACK) D92/05
SHORT ARM 2.22M 60001-
FRONT PIPINGS (2) <SHORT ARM> 60001-
BUCKET 0,45 60001-
BUCKET 0,8 60001-
BUCKET 0.9 60001-
BUCKET 1.0 60001-
RIPPER BUCKET 0.5 60001-
ONE-POINT RIPPER 60001-
SLOPE-FINISHING BLADE 60001-
CLAMSHELL BUCKET (1) 60001-
CLAMSHELL BUCKET (2) 60001-
CLAMSHELL BUCKET (3) 60001-
CLAMSHELL PIPINGS 60001-
HOSE RUPTURE VALVE PIPINGS (BOOM):1 <Type 2> 60001-
HOSE RUPTURE VALVE PIPINGS (BOOM):1 <Type 3> 60001-
HOSE RUPTURE VALVE PIPINGS (BOOM):2 <Type 2> 60001-
HOSE RUPTURE VALVE PIPINGS (BOOM):2 <Type 3> 60001-
HOSE RUPTURE VALVE PIPINGS (BOOM):3 <Type 2> 60001-
HOSE RUPTURE VALVE PIPINGS (BOOM):3 <Type 3> 60001-
HOSE RUPTURE VALVE PIPINGS (ARM):1 <Type 2> 60001-
HOSE RUPTURE VALVE PIPINGS (ARM):1 <Type 3> 60001-
HOSE RUPTURE VALVE PIPINGS (ARM):2 <Type 2> 60001-
HOSE RUPTURE VALVE PIPINGS (ARM):2 <Type 3> 60001-
HOSE RUPTURE VALVE PIPINGS (ARM):3 <Type 2> 60001-
HOSE RUPTURE VALVE PIPINGS (ARM):3 <Type 3> 60001-
CONTROL PEDAL (BREAKER & CRUSHER) 60001-
PILOT PIPINGS (BREAKER & CRUSHER) 60001-
MAIN PIPINGS FOR BREAKER & CRUSHER 60001-
FRONT PIPINGS FOR BREAKER & CRUSHER 60001-
PIPINGS FOR NPK BREAKER 60001-
PIPINGS FOR NPK BREAKER & CRUSHER 60001-
PIPINGS FOR OKADA/FURUKAWA BREAKER 60001-
PIPINGS FOR OKADA/FURUKAWA BREAKER & CRUSHER
TOOLS
SPARE PARTS <STD><USA>
SPARE PARTS <N.EUROPE>
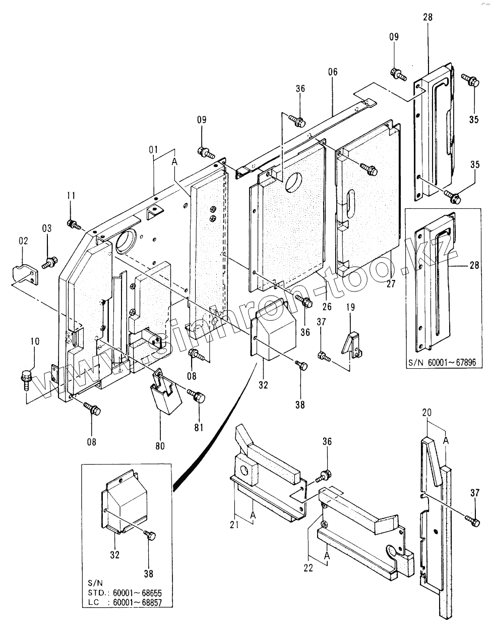
01
01A
02
03
06
08
08
09
09
10
11
19
20
20A
21
21A
22
22A
26
27
28
28
28
28
28
32
32
32
32
35
35
36
36
36
37
37
37
37
38
38
38
38
80
81
Позиция на иллюстрации
Заводской номер детали
Название детали
01
6011833
COVER
01A
4320175
RUBBER
02
4257087
STOPPER
03
J031030
BOLT, SEMS
06
9735795
SUPPORT
08
J021030
BOLT, SEMS
09
J031025
BOLT, SEMS
10
J031230
BOLT, SEMS
11
J020820
BOLT, SEMS
19
9736525
COVER
20
8050149
COVER
20A
4320174
RUBBER
21
8050932
COVER
21A
4319946
RUBBER
22
8046419
COVER
22A
4306996
RUBBER
26
8049119
COVER
27
8050921
COVER
28
8050924
COVER
28
8056308
COVER
32
3054278
COVER
32
7027154
COVER
35
J021030
BOLT, SEMS
36
J031025
BOLT, SEMS
37
J020820
BOLT, SEMS
37
J020820
BOLT, SEMS
38
J010814
BOLT, SEMS
38
J010814
BOLT, SEMS
80
8051479
HOLDER
81
J021025
BOLT, SEMS
Содержащиеся в справочниках-каталогах запасные части и детали не предлагаются к продаже, а носят исключительно информационный характер
Дополнительная информация
×
Название:
Номер:
Примечание: