Вернуться на главную
Поиск
Каталоги запчастей к технике
Спецтехника
Hitachi
EX-200
ENGINE
Каталог запасных частей к технике: Hitachi EX-200. ENGINE
zoom-in
zoom-out
enlarge
shrink
circle-right
circle-left
file-text2
info
cart
Тип техники
Не выбрано
Легковые автомобили
Грузовые автомобили и прицепы
Автобусы
Сельхозтехника
Спецтехника
Двигатели
Мототехника
Марка
Не выбрано
Ammann
BOMAG
CARMIX
CASE IH
Changlin
ChengGong
Dimex
Doosan
DYNAPAC
Foton
HAMM
Hidromek
Hitachi
Hyundai
JCB
JLG
John Deere
Komatsu
LIEBHERR
LiuGong
Lonking (LongGong)
Luneng
MANITOU
Mitsuber
New Holland
PENGPU
RM-Terex
SANY
SDLG
SEM
Shantui
Shehwa HBXG
Soosan
TIGARBO
VOGELE
Volvo
WAY
WIRTGEN
XCMG
XGMA
Xiamen
YTO
Yuchai
Zoomlion
Автокран
АЗСМ
Алтайлесмаш
Амкодор
АОМЗ
Атек
АТЗ
Балканкар Рекорд
БелАЗ
Беловеж
Борекс
Брянский Арсенал
Булат
ВЭКС
ГАЗ
Геомаш
Гидромаш
Донекс
Дормаш
Дормашина
Дорэлектромаш
ДЭЗ
ЕлАЗ
ЗЗГТ
Ижнефтемаш
Канаш-электрокар
КЗКТ
ККЗ
Клевер
Клинцовский автокрановый завод
КМЗ
КМЗ 1 Мая
Ковровец
Коммаш
Кранэкс
КЭЗ
КЭМЗ
ЛЗА
МАЗ
МЗИК
МЗКМ
МЗКТ
Михневский РМЗ
МоАЗ
Мозырский МЗ
МТЗ
ОЗП
Онежец
ПАО "ТЗА"
ППС Детва
Промтрактор
ПТЗ
Раскат
СпецАгрегат
ТВЭКС
ТТМ
УВЗ
Угличмаш
УЗТМ
ХТЗ
ЧЗКМ
ЧСДМ
ЧТЗ
ЭКСКО
ЭКСМАШ
ЮрМаш
Модель
Не выбрано
EX-100-2 (2000)
EX-100-3 (2008)
EX-100WD (2008)
EX-120 (2008)
EX-120-2 (2008)
EX-160WD (2008)
EX-200 (2008)
EX-200-2 (2008)
EX-200-3
EX-220 (2008)
EX-220-2 (2008)
EX-270 (2008)
EX-300 (2008)
EX-300-2 (2000)
EX-400 Type A (2006)
EX-400 Type B (2006)
EX-60 (2003)
EX-60-2 (2000)
EX-60-3 (2008)
EX-70 (2017)
LX-110-7 (2008)
LX-130-7 (2008)
LX-150-2 (2008)
LX-160-7 (2008)
LX190-7/LX230-7 (2008)
Zaxis 190-3
ZAXIS 200-5A (2018)
ZAXIS 200LC-5A (2018)
ZAXIS 210H-5A (2018)
ZAXIS 210K-5A (2018)
ZAXIS 210LCH-5A (2018)
ZAXIS 210LCK-5A (2018)
ZAXIS 330-5G (2017)
ZAXIS 350H-5G (2017)
ZAXIS 48U-5A (2020)
ZAXIS 850-3
ZAXIS 870H-3
ZX-110 (2008)
ZX-160W (2008)
ZX-200 (2008)
ZX-230 (2008)
ZX-25 (2008)
ZX-270 (2008)
ZX-330 (2010)
ZX-330-3 (Part № PIHH-I-3) (2008)
ZX-330-3 (Part № PIHH-I-5) (2013)
ZX-330-3G (2008)
ZX-400R-3 (2010)
ZX-450 (2006)
ZX-600 (2007)
Компоненты EX-100-2 (2000)
Компоненты EX-100WD (2008)
Компоненты EX-120 (2008)
Компоненты EX-120-2 (2008)
Компоненты EX-160WD (2008)
Компоненты EX-200 (2008)
Компоненты EX-200-2 (2008)
Компоненты EX-200-3(LC, H)
Компоненты EX-220 (2008)
Компоненты EX-220-2 (2008)
Компоненты EX-270 (2008)
Компоненты EX-300 (2008)
Компоненты EX-300-2 (2000)
Компоненты EX-400 Type A (2006)
Компоненты EX-400 Type B (2006)
Компоненты EX-60 (2003)
Компоненты EX-60-2 (2000)
Компоненты EX-60-3 (2008)
Компоненты ZAXIS 450, 470, 500, 520 (2010)
Компоненты ZX-110 (2008)
Компоненты ZX-120 (130) (2008)
Компоненты ZX-160W (2008)
Компоненты ZX-200 (2008)
Компоненты ZX-230 (2008)
Компоненты ZX-270 (2008)
Компоненты ZX-330 (2008)
Компоненты ZX-450 (2006)
Схема
>
Не выбрано
FRAME
ENGINE
RADIATOR
AIR CLEANER
MUFFLER
BYPASS FILTER (ENGINE OIL)
FUEL TANK
PUMP DEVICE
SWING DEVICE
OIL TANK
OIL COOLER PIPINGS (1)
OIL COOLER PIPINGS (2)
OIL COOLER PIPINGS (3)
MAIN PIPINGS (1)
MAIN PIPINGS (1)
MAIN PIPINGS (2)
MAIN PIPINGS (2)
MAIN PIPINGS (3)
ENGINE CONTROL LEVER (1)
ENGINE CONTROL LEVER (1)
ENGINE CONTROL LEVER (1)
ENGINE CONTROL LEVER (2) <SDX>
ENGINE CONTROL LEVER (2) <DX>
CONTROL LEVER (1)
CONTROL LEVER (2) <SDX>
CONTROL LEVER (2) <DX>
PILOT PIPINGS (1-1) <SDX>
PILOT PIPINGS (1-1) <DX>
PILOT PIPINGS (1-2)
PILOT PIPINGS (2) <SDX>
PILOT PIPINGS (2) <DX>
PILOT PIPINGS (3-1)
PILOT PIPINGS (3-2)
PILOT PIPINGS (3-3)
PILOT PIPINGS (4)
PILOT PPINGS (5)
CONTROL BOX (R) <SDX>
CONTROL BOX (R) <DX>
CONTROL BOX (L)
GAUGE PANEL <SDX>
GAUGE PANEL <DX>
ELECTRIC PARTS (1) <SDX>
ELECTRIC PARTS (1) <DX>
ELECTRIC PARTS (2) <SDX>
ELECTRIC PARTS (2) <DX>
ELECTRIC PARTS (3)
ELECTRIC PARTS (4) <SDX>
ELECTRIC PARTS (4) <DX>
ELECTRIC PARTS (5) <SDX>
ELECTRIC PARTS (5) <DX>
CAB GROUP <SDX>
CAB GROUP <DX>
CAB (1) <SDX>
CAB (1) <DX>
CAB (2)
CAB (3) <SDX>
CAB (3) <DX>
CAB (4)
CAB (5) <SDX>
CAB (5) <DX>
CAB (6)
SEAT
COVER (1)
COVER (1)
COVER (2)
COVER (3)
DOOR LOCK
ENGINE COVER
UNDER COVER
CAR HEATER <SDX>
CAR HEATER PIPINGS <SDX>
TRACK FRAME (STD. TRACK)
TRACK FRAME (LC TRACK)
TRAVEL DEVICE
FRONT IDLER
ADJUSTER
UPPER ROLLER
LOWER ROLLER (STD. TRACK)
LOWER ROLLER (LC TRACK)
TRACK-LINK 600G (STD. TRACK)
TRACK-LINK 600G (LC TRACK)
CENTER JOINT
TRAVEL PIPINGS (STD. TRACK)
TRAVEL PIPINGS (LC TRACK)
BOOM
STD. ARM 2.9M
BUCKET 0.7
FRONT PIPINGS
LUBRICATE PIPINGS
TOOLS
SPARE PARTS
RADIATOR (WAVY FIN)
CONTROL LEVER (1) <4-LEVER TYPE>
CONTROL LEVER (2) <4-LEVER TYPE>
PILOT PIPINGS (5) <4-LEVER TYPE>
CONTROL BOX (R) <4-LEVER TYPE>
CAB GROUP <4-LEVER TYPE>
SEAT <4-LEVER TYPE>
FUEL DOUBLE FILTER
WINDOW GUARD
CENTER COVER
TRACK-LINK 700G (STD. TRACK)
TRACK-LINK 700G (LC TRACK)
TRACK-LINK 800G (STD. TRACK)
TRACK-LINK 800G (LC TRACK)
TRACK-LINK 610F (STD. TRACK)
TRACK-LINK 610F (LC TRACK)
TRACK-LINL 900A (STD. TRACK)
TRACK-LINK 900A (LC TRACK)
SHORT ARM 2.2M
SUPER SHORT ARM 1.9M
BUCKET 0.45
BUCKET 0.8
BUCKET 0.9
BUCKET 1.0
RIPPER BUCKET 0.5
V-TYPE BUCKET 0.4
CLAMSHELL BUCKET 0.6
SLOPE-FINISHING BLADE
ONE-POINT RIPPER
HOSE RUPTURE VALVE PIPINGS (BOOM)
HOSE RUPTURE VALVE PIPINGS (ARM)
HOSE RUPTURE VALVE PIPINGS (ARM)
SPARE PEDAL
PILOT PIPINGS FOR SPARE PEDAL
PIPINGS (1) FOR BREAKER, CRUSHER
PIPINGS (2) FOR BREAKER, CRUSHER
PIPINGS (3) FOR BREAKER, CRUSHER <NPK BREAKER>
PIPINGS (3) FOR BREAKER, CRUSHER <NPK BREAKER & CRUSHER>
PIPINGS (3) FOR BREAKER, CRUSHER <OKADA / FURUKAWA BREAKER>
PIPINGS (3) FOR BREAKER, CRUSHER <OKADA / FURUKAWA BREAKER & CRUSHER>
CONFLUENT PIPINGS (1)
CONFLUENT PIPINGS (2)
NAME-PLATE (ENGLISH) <SDX>
NAME-PLATE (ENGLISH) <DX>
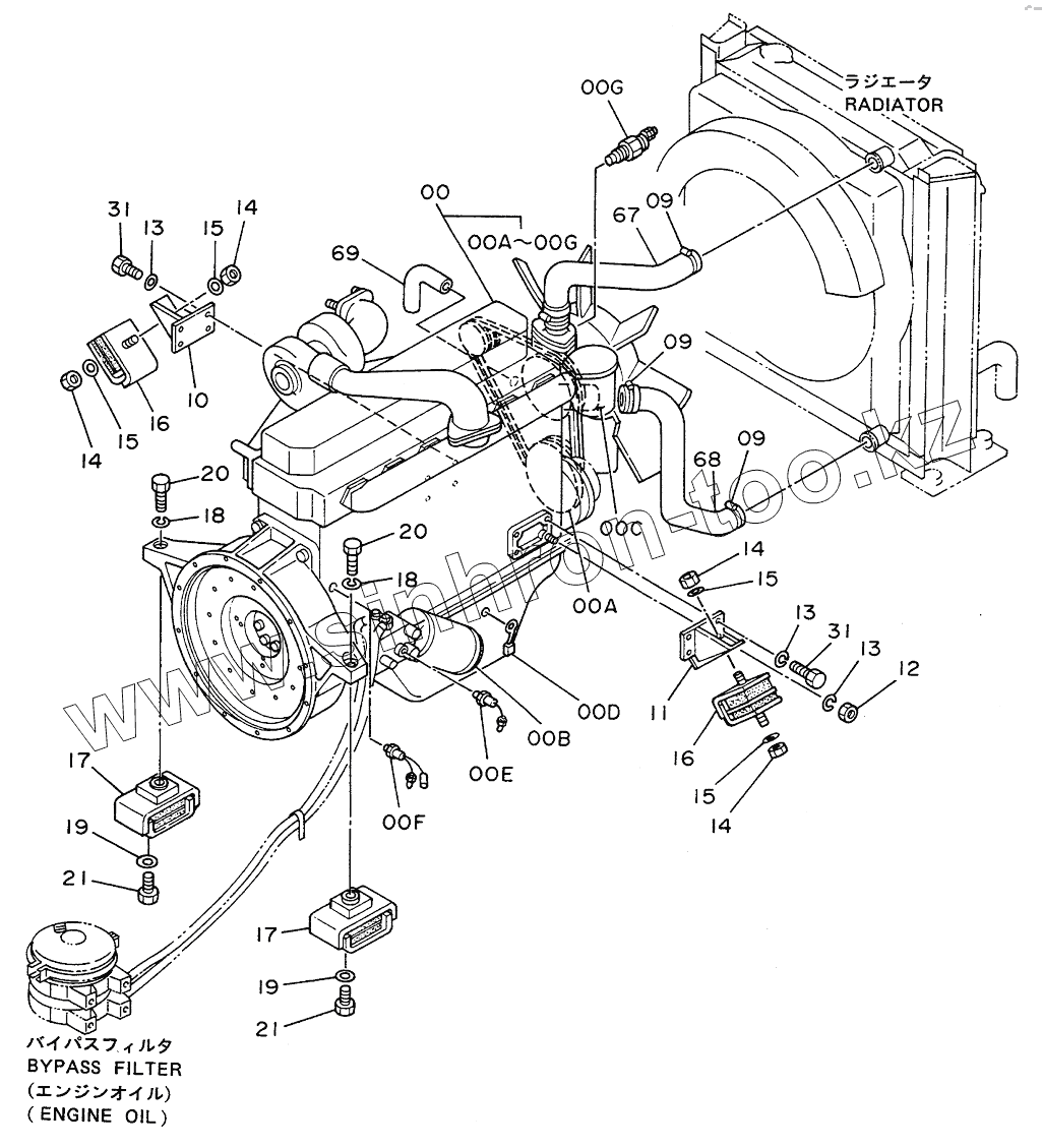
00
00A
00A
00B
00C
00D
00E
00F
00G
00G
09
09
09
10
11
12
13
13
13
14
14
14
14
15
15
15
15
16
16
17
17
18
18
19
19
20
20
21
21
31
31
67
68
69
Позиция на иллюстрации
Заводской номер детали
Название детали
00
4176897
ENGINE
00A
4206078
BELT, FAN
00B
4206079
FILTER, OIL
00C
4206080
FILTER
00D
4164695
SWITCH, LEVEL
00E
4223366
SWITCH, PRES.
00F
4201132
SWITCH PRESSURE
00G
4149335
SWITCH, THERMO
09
4504198
CLAMP, HOSE
10
8021976
BRACKET
11
8021977
BRACKET
12
М501008
NUT
13
А590910
WASHER, SPRING
14
J950014
NUT
15
4114404
WASHER
16
4123994
RUBBER
17
4127808
RUBBER
18
А5У0918
WASHER, SPRING
19
4087197
WASHER
20
J931865
BOLT
21
J931630
BOLT
31
M111022
BOLT
67
3036838
HOSE, WATER
68
3036839
HOSE, WATER
69
4206284
HOSE, VINYL
Содержащиеся в справочниках-каталогах запасные части и детали не предлагаются к продаже, а носят исключительно информационный характер
Дополнительная информация
×
Название:
Номер:
Примечание: