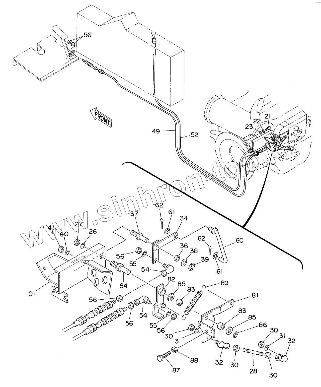
Каталог запасных частей к технике: Hitachi EX-160WD. ENGINE CONTROL LEVER (2) <SDX>
1
21
22
23
26
27
28
30
30
30
30
31
31
32
32
34
36
37
38
39
40
41
49
52
54
54
55
55
56
56
56
56
56
60
61
61
62
62
81
82
83
83
84
85
85
86
87
88
89
| Позиция на иллюстрации | Заводской номер детали | Название детали | |
|---|---|---|---|
| 1 | 7020896 | BRACKET | |
| 21 | J901025 | BOLT | |
| 22 | A590910 | WASHER, SPRING | |
| 23 | A590110 | WASHER, PLANE | |
| 26 | A590914 | WASHER, SPRING | |
| 27 | J952014 | NUT | |
| 28 | 4210297 | ROD | |
| 30 | M500605 | NUT | |
| 31 | A590906 | WASHER, SPRING | |
| 32 | 4056017 | JOINT, BALL | |
| 34 | 9732470 | LEVER | |
| 36 | 4173387 | BUSHING | |
| 37 | 4214100 | SHAFT | |
| 38 | A590114 | WASHER | |
| 39 | 991337 | RING, RETAINING | |
| 40 | A590914 | WASHER, SPRING | |
| 41 | J952014 | NUT | |
| 49 | 4232722 | CABLE, CONTROL | |
| 52 | 4195545 | CABLE, CONTROL | |
| 54 | 4056016 | JOINT, BALL | |
| 55 | A590905 | WASHER, SPRING | |
| 56 | M500504 | NUT | |
| 60 | 9711281 | ROD | |
| 61 | A590106 | WASHER | |
| 62 | A761610 | PIN, SPLIT | |
| 81 | 7018722 | LEVER | |
| 82 | 8044341 | LEVER | |
| 83 | 4173387 | BUSHING | |
| 84 | 4188374 | PIN | |
| 85 | A590114 | WASHER | |
| 86 | 991337 | RING, RETAINING | |
| 87 | 4188376 | ADJUSTER | |
| 88 | 4122395 | NUT | |
| 89 | 4188375 | SPRING, TENSION |
Содержащиеся в справочниках-каталогах запасные части и детали не предлагаются к продаже, а носят исключительно информационный характер