Вернуться на главную
Поиск
Каталоги запчастей к технике
Спецтехника
Hitachi
EX-160WD
ELECTRIC PARTS (3)
Каталог запасных частей к технике: Hitachi EX-160WD. ELECTRIC PARTS (3)
zoom-in
zoom-out
enlarge
shrink
circle-right
circle-left
file-text2
info
cart
Тип техники
Не выбрано
Легковые автомобили
Грузовые автомобили и прицепы
Автобусы
Сельхозтехника
Спецтехника
Двигатели
Мототехника
Марка
Не выбрано
Ammann
BOMAG
CARMIX
CASE IH
Changlin
ChengGong
Dimex
Doosan
DYNAPAC
Foton
HAMM
Hidromek
Hitachi
Hyundai
JCB
JLG
John Deere
Komatsu
LIEBHERR
LiuGong
Lonking (LongGong)
Luneng
MANITOU
Mitsuber
New Holland
PENGPU
RM-Terex
SANY
SDLG
SEM
Shantui
Shehwa HBXG
Soosan
TIGARBO
VOGELE
Volvo
WAY
WIRTGEN
XCMG
XGMA
Xiamen
YTO
Yuchai
Zoomlion
Автокран
АЗСМ
Алтайлесмаш
Амкодор
АОМЗ
Атек
АТЗ
Балканкар Рекорд
БелАЗ
Беловеж
Борекс
Брянский Арсенал
Булат
ВЭКС
ГАЗ
Геомаш
Гидромаш
Донекс
Дормаш
Дормашина
Дорэлектромаш
ДЭЗ
ЕлАЗ
ЗЗГТ
Ижнефтемаш
Канаш-электрокар
КЗКТ
ККЗ
Клевер
Клинцовский автокрановый завод
КМЗ
КМЗ 1 Мая
Ковровец
Коммаш
Кранэкс
КЭЗ
КЭМЗ
ЛЗА
МАЗ
МЗИК
МЗКМ
МЗКТ
Михневский РМЗ
МоАЗ
Мозырский МЗ
МТЗ
ОЗП
Онежец
ПАО "ТЗА"
ППС Детва
Промтрактор
ПТЗ
Раскат
СпецАгрегат
ТВЭКС
ТТМ
УВЗ
Угличмаш
УЗТМ
ХТЗ
ЧЗКМ
ЧСДМ
ЧТЗ
ЭКСКО
ЭКСМАШ
ЮрМаш
Модель
Не выбрано
EX-100-2 (2000)
EX-100-3 (2008)
EX-100WD (2008)
EX-120 (2008)
EX-120-2 (2008)
EX-160WD (2008)
EX-200 (2008)
EX-200-2 (2008)
EX-200-3
EX-220 (2008)
EX-220-2 (2008)
EX-270 (2008)
EX-300 (2008)
EX-300-2 (2000)
EX-400 Type A (2006)
EX-400 Type B (2006)
EX-60 (2003)
EX-60-2 (2000)
EX-60-3 (2008)
EX-70 (2017)
LX-110-7 (2008)
LX-130-7 (2008)
LX-150-2 (2008)
LX-160-7 (2008)
LX190-7/LX230-7 (2008)
Zaxis 190-3
ZAXIS 200-5A (2018)
ZAXIS 200LC-5A (2018)
ZAXIS 210H-5A (2018)
ZAXIS 210K-5A (2018)
ZAXIS 210LCH-5A (2018)
ZAXIS 210LCK-5A (2018)
ZAXIS 330-5G (2017)
ZAXIS 350H-5G (2017)
ZAXIS 48U-5A (2020)
ZAXIS 850-3
ZAXIS 870H-3
ZX-110 (2008)
ZX-160W (2008)
ZX-200 (2008)
ZX-230 (2008)
ZX-25 (2008)
ZX-270 (2008)
ZX-330 (2010)
ZX-330-3 (Part № PIHH-I-3) (2008)
ZX-330-3 (Part № PIHH-I-5) (2013)
ZX-330-3G (2008)
ZX-400R-3 (2010)
ZX-450 (2006)
ZX-600 (2007)
Компоненты EX-100-2 (2000)
Компоненты EX-100WD (2008)
Компоненты EX-120 (2008)
Компоненты EX-120-2 (2008)
Компоненты EX-160WD (2008)
Компоненты EX-200 (2008)
Компоненты EX-200-2 (2008)
Компоненты EX-200-3(LC, H)
Компоненты EX-220 (2008)
Компоненты EX-220-2 (2008)
Компоненты EX-270 (2008)
Компоненты EX-300 (2008)
Компоненты EX-300-2 (2000)
Компоненты EX-400 Type A (2006)
Компоненты EX-400 Type B (2006)
Компоненты EX-60 (2003)
Компоненты EX-60-2 (2000)
Компоненты EX-60-3 (2008)
Компоненты ZAXIS 450, 470, 500, 520 (2010)
Компоненты ZX-110 (2008)
Компоненты ZX-120 (130) (2008)
Компоненты ZX-160W (2008)
Компоненты ZX-200 (2008)
Компоненты ZX-230 (2008)
Компоненты ZX-270 (2008)
Компоненты ZX-330 (2008)
Компоненты ZX-450 (2006)
Схема
>
Не выбрано
FRAME
ENGINE
RADIATOR
RESERVE TANK
AIR CLEANER
MUFFLER
FUEL TANK
PUMP DEVICE
SWING DEVICE
TRAVEL DEVICE
OIL TANK
OIL COOLER PIPINGS (1)
OIL COOLER PIPINGS (2)
OIL COOLER PIPINGS (3)
MAIN PIPINGS (1)
MAIN PIPINGS (2)
MAIN PIPINGS (3)
ENGINE CONTROL LEVER (1)
ENGINE CONTROL LEVER (2) <SDX>
ENGINE CONTROL LEVER (2) <SDX>
ENGINE CONTROL LEVER (2) <DX>
CONTROL LEVER
TRAVEL & OUTRIGGER LEVER
PILOT PIPINGS (1-1) <SDX>
PILOT PIPINGS (1-1) <DX>
PILOT PIPINGS (1-2)
PILOT PIPINGS (2) <SDX>
PILOT PIPINGS (2) <DX>
PILOT PIPINGS (3-1)
PILOT PIPINGS (3-2)
PILOT PIPINGS (3-3)
PILOT PIPINGS (4-1)
PILOT PIPINGS (4-2)
STEERING
STEERING PIPINGS (SUPERSTRUCTURE)
STEERING PIPINGS (SUPERSTRUCTURE)
AIR PIPINGS (1)
AIR PIPINGS (2)
CONTROL BOX (R)
CONTROL BOX (L)
GAUGE PANEL
ELECTRIC PARTS (1) <SDX>
ELECTRIC PARTS (1) <DX>
ELECTRIC PARTS (2) <SDX>
ELECTRIC PARTS (2) <DX>
ELECTRIC PARTS (3)
ELECTRIC PARTS (4)
ELECTRIC PARTS (5)
ELECTRIC PARTS (6) <SDX>
ELECTRIC PARTS (6) <DX>
WINDOW MASHER
CAB GROUP
CAB (1)
CAB (2)
CAB (3)
CAB (4)
CAB (5)
CAB (6)
SEAT
COVER (1)
COVER (2)
COVER (3)
COVER (4)
DOOR LOCK (1)
DOOR LOCK (2)
UNDER COVER
CAR HEATER
CAR HEATER PIPINGS
CHASSIS (2-0/R)
CHASSIS (BLADE)
POWER TRAIN
STEERING PIPINGS (CARRIER)
BRAKE PIPINGS
CONTROL PIPINGS
CENTER JOINT
OUTRIGGER
2-0/R PIPINGS (LEFT/RIGHT CONNECTION)
BLADE
BLADE PIPINGS
BOOM
STD. ARM 2.6M
BUCKET 0.6
FRONT PIPINGS
LUBRICATE PIPINGS
TOOLS
SPARE PARTS
FUEL FEED PUMP
2-0/R PIPINGS (LEFT/RIGHT INDEPENDENT)
CHASSIS <4-0/R CHASSIS>
CHASSIS <2-0/R & BLADE CHASSIS>
4-0/R PIPINGS CFRONT/REAR INDEPENDENT)
2-0/R AND BLADE PIPINGS
FENDER
SHORT ARM 2.0M
LONG ARM 3.1M
BUCKET 0.45
BUCKET 0.55
BUCKET 0.7
BUCKET 0.8
V-TYPE BUCKET 0.4
ONE-POINT RIPPER
RIPPER BUCKET 0.5
SLOPE-FINISHING BLADE
HOSE RUPTURE VALVE PIPINGS (BOOM)
HOSE RUPTURE VALVE PIPINGS (ARM)
SPARE PEDAL
PILOT PIPINGS (1) FOR SPARE PEDAL
PILOT PIPINGS (2) FOR SPARE PEDAL
FRONT PIPINGS FOR NPK BREAKER
FRONT PIPINGS FOR NPK BREAKER & CRASHER
FRONT PIPINGS FOR OKADA/FURUKANA BREAKER
FRONT PIPINGS FOR OKADA/FURUKAWA BREAKER AND CRASHER
CONFLUENT PIPINGS
NAME-PLATE (ENGLISH)
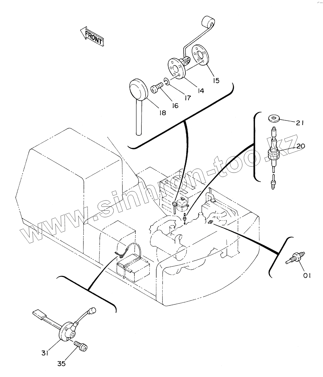
1
14
15
16
17
18
20
21
31
35
Позиция на иллюстрации
Заводской номер детали
Название детали
1
4187223
UNIT
14
4201926
FLOAT
15
4504289
PACKING
16
M430510
SCREW
17
A590905
WASHER, SPRING
18
4207240
CAP
20
4201927
SWITCH, LEVEL
21
4157648
WASHER, SEAL
31
4151888
SWITCH, LEVEL
35
J460514
SCREW, SEMS
Содержащиеся в справочниках-каталогах запасные части и детали не предлагаются к продаже, а носят исключительно информационный характер
Дополнительная информация
×
Название:
Номер:
Примечание: