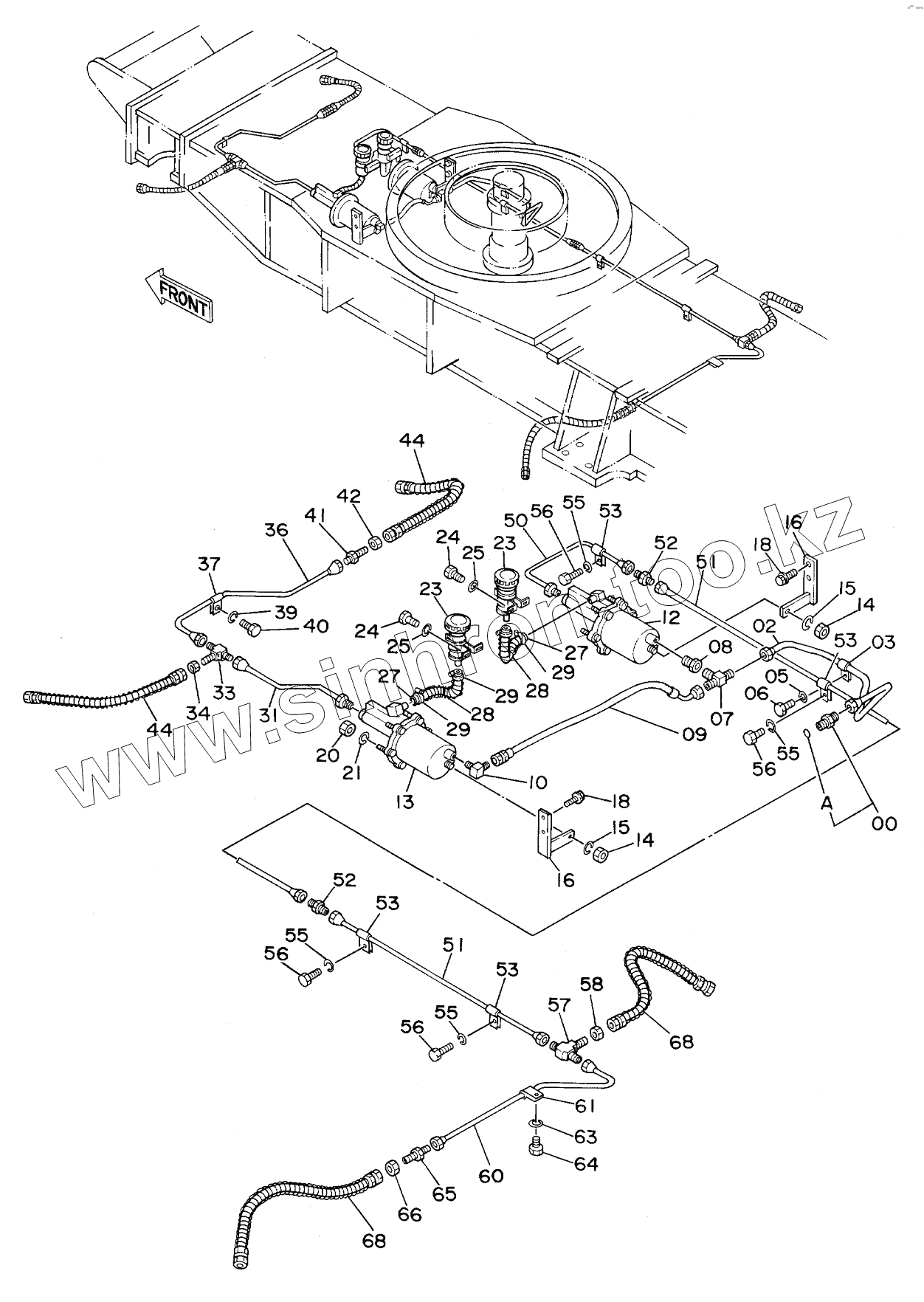
Каталог запасных частей к технике: Hitachi EX-160WD. BRAKE PIPINGS
00
00A
02
03
05
06
07
08
09
10
12
13
14
14
15
15
16
16
18
18
20
21
23
23
24
24
25
25
27
27
28
28
29
29
29
31
33
34
36
37
39
40
41
42
44
44
50
51
51
52
52
53
53
53
53
55
55
55
55
56
56
56
56
57
58
60
61
63
64
65
66
68
68
| Позиция на иллюстрации | Заводской номер детали | Название детали | |
|---|---|---|---|
| 00 | 4189438 | ADAPTER, S | |
| 00A | 957366 | O-RING | |
| 02 | 8043316 | PIPE | |
| 03 | 4000855 | CLIP, PIPE | |
| 05 | A590906 | WASHER, SPRING | |
| 06 | J900614 | BOLT | |
| 07 | 4208914 | TEE, S | |
| 08 | 94-1601 | REDUCER | |
| 09 | 4229836 | HOSE | |
| 10 | 4154657 | ELBOW, S | |
| 12 | 4186190 | BOOSTER | |
| 13 | 4180463 | BOOSTER | |
| 14 | M500807 | NUT | |
| 15 | A590908 | WASHER, SPRING | |
| 16 | 9731273 | BRACKET | |
| 18 | J011025 | BOLT, SEMS | |
| 20 | M500807 | NUT | |
| 21 | A590908 | WASHER, SPRING | |
| 23 | 4194439 | TANK, OIL | |
| 24 | J900612 | BOLT | |
| 25 | A590906 | WASHER, SPRING | |
| 27 | 4196455 | HOSE, RUBBER | |
| 28 | 4149557 | PROTECTOR | |
| 29 | 4514700 | CLIP, HOSE | |
| 31 | 804331 | PIPE | |
| 33 | 4179081 | TEE | |
| 34 | A501210 | HUT | |
| 36 | 8043318 | PIPE | |
| 37 | 4000853 | CLIP, PIPE | |
| 39 | A590906 | WASHER, SPRING | |
| 40 | J900614 | BOLT | |
| 41 | 4216822 | ADAPTER, S | |
| 42 | A501210 | HUT | |
| 44 | 4216819 | HOSE | |
| 50 | 8043319 | PIPE | |
| 51 | 8040887 | PIPE | |
| 52 | 4086602 | ADAPTER, S | |
| 53 | 4000853 | CLIP, PIPE | |
| 55 | A590906 | WASHER, SPRING | |
| 56 | J900614 | BOLT | |
| 57 | 4179081 | TEE | |
| 58 | A501210 | HUT | |
| 60 | 8043320 | PIPE | |
| 61 | 4000853 | CLIP, PIPE | |
| 63 | A590906 | WASHER, SPRING | |
| 64 | J900614 | BOLT | |
| 65 | 4216822 | ADAPTER, S | |
| 66 | A501210 | HUT | |
| 68 | 4216820 | HOSE |
Содержащиеся в справочниках-каталогах запасные части и детали не предлагаются к продаже, а носят исключительно информационный характер