Каталог запасных частей к технике: Hitachi EX-120-2. Cab (2) <STD>
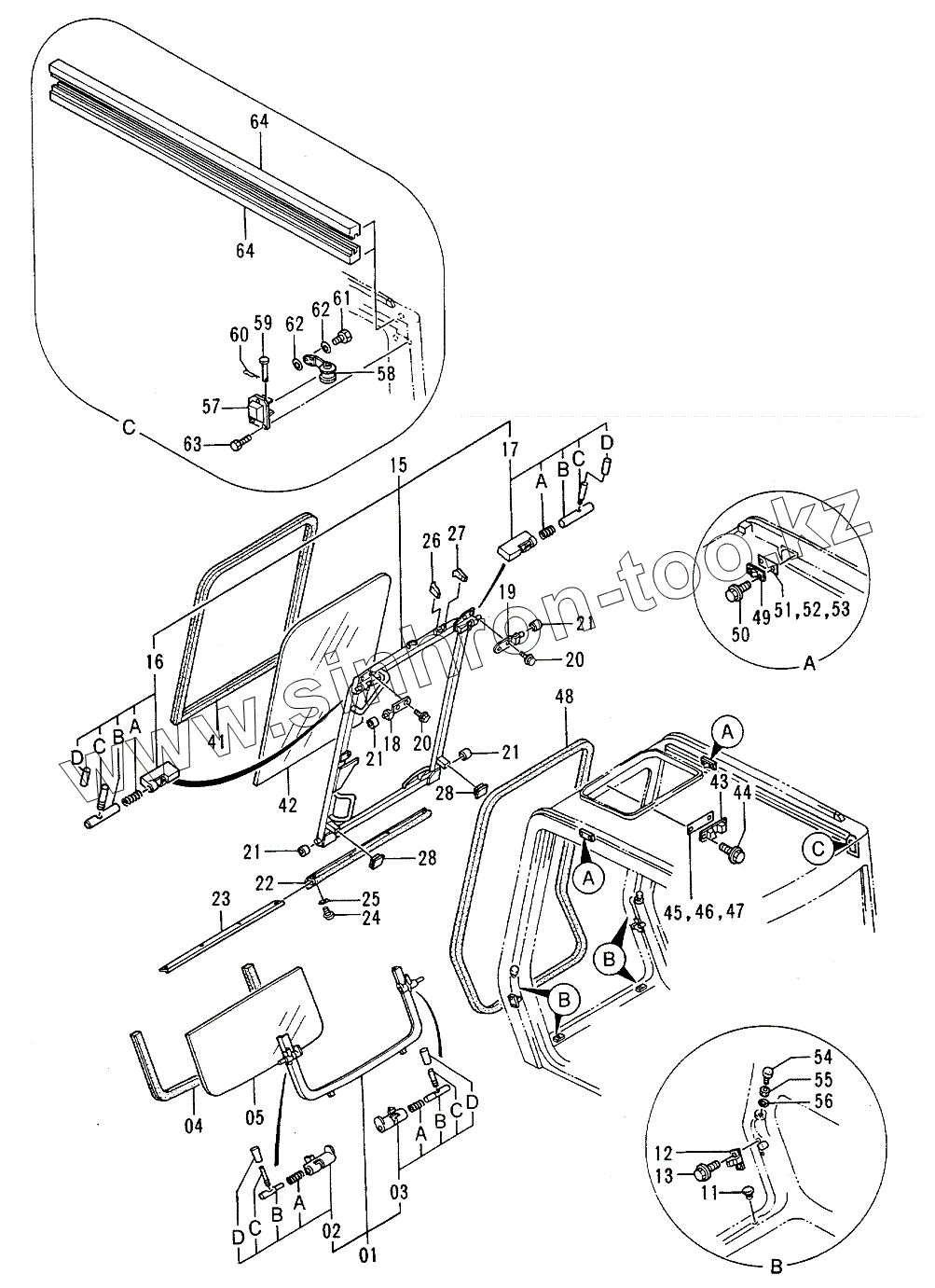
01
01
02
02A
02B
02C
02D
03
03A
03B
03C
03D
04
05
11
12
13
13
13
15
15
15
16
16A
16B
16C
16D
17
17A
17B
17C
17D
18
19
20
20
21
21
21
21
22
23
24
25
26
27
28
28
41
42
43
44
44
44
45
46
47
48
49
50
50
50
51
52
53
54
55
56
57
58
59
60
61
62
62
62
62
62
63
64
64
| Позиция на иллюстрации | Заводской номер детали | Название детали | |
|---|---|---|---|
| 4289520 | 4289520 | LOWER WINDOW ASSY | |
| 4320153 | 4320153 | LOWER WINDOW ASSY | |
| 01 | 4311738 | FRAME | |
| 01 | 4320154 | FRAME | |
| 02 | 4295478 | LOCK, L ASSY | |
| 02A | 4204546 | SPRING | |
| 02B | 4295479 | PIN | |
| 02C | 4295480 | LEVER | |
| 02D | 4295876 | COVER | |
| 03 | 4295486 | LOCK, R ASSY | |
| 03A | 4204546 | SPRING | |
| 03B | 4204547 | PIN | |
| 03C | 4295480 | LEVER | |
| 03D | 4295876 | COVER | |
| 04 | 4289522 | RUBBER, Z | |
| 05 | 4289521 | GLASS | |
| 11 | 4295489 | CUSHION | |
| 12 | 4204552 | STOPPER | |
| 13 | J680616 | SCREW, SEMS | |
| 13 | J020612 | BOLT, SEMS | |
| 4289517 | 4289517 | FRONT WINDOW ASSY | |
| 4320155 | 4320155 | FRONT WINDOW ASSY | |
| 15 | 4311737 | FRAME | |
| 15 | 4320156 | FRAME | |
| 16 | 4295491 | LOCK, L ASSY | |
| 16A | 494918 | SPRING A | |
| 16B | 4204556 | PIN | |
| 16C | 4295480 | LEVER | |
| 16D | 4295876 | COVER | |
| 17 | 4295473 | LOCK, R ASSY | |
| 17A | 494918 | SPRING A | |
| 17B | 4204556 | PIN | |
| 17C | 4295480 | LEVER | |
| 17D | 4295876 | COVER | |
| 18 | 4295492 | BRACKETS | |
| 19 | 4295493 | BRACKET, R | |
| 20 | J020820 | BOLT, SEMS | |
| 21 | 4204558 | ROLLER | |
| 22 | 4204559 | RUBBER | |
| 23 | 4295494 | PLATE | |
| 24 | 4295650 | SCREW | |
| 25 | А590103 | WASHER | |
| 26 | 4295545 | RUBBER | |
| 27 | 4295546 | RUBBER | |
| 28 | 4295547 | RUBBER | |
| 41 | 4289518 | RUBBER, H | |
| 42 | 4289519 | GLASS | |
| 43 | 4204564 | STOPPER | |
| 44 | 4295728 | SCREW, SEMS | |
| 44 | J020816 | BOLT, SEMS | |
| 45 | 4295548 | SHIM 1.0 | |
| 46 | 4295549 | SHIM 1.2 | |
| 47 | 4295550 | SHIM 1.6 | |
| 48 | 4295551 | RUBBER | |
| 49 | 4204595 | STOPPER | |
| 50 | 4295488 | SCREW, SEMS | |
| 50 | J020820 | BOLT, SEMS | |
| 51 | 4204596 | SHIM 1.0 | |
| 52 | 4204597 | SHIM 1.2 | |
| 53 | 4204598 | SHIM 1.6 | |
| 54 | 4204562 | STOPPER | |
| 55 | 4204563 | NUT | |
| 56 | А590110 | WASHER, PLANE | |
| 57 | 4295474 | COVER | |
| 58 | 4295475 | SPRING | |
| 59 | 4295476 | PIN | |
| 60 | 4022697 | PIN, LOCK | |
| 61 | J900610 | BOLT | |
| 62 | А590108 | WASHER, PLANE | |
| 62 | 4295621 | WASHER, PLANE | |
| 63 | J020616 | BOLT, SEMS | |
| 64 | 4295593 | RUBBER |
Содержащиеся в справочниках-каталогах запасные части и детали не предлагаются к продаже, а носят исключительно информационный характер