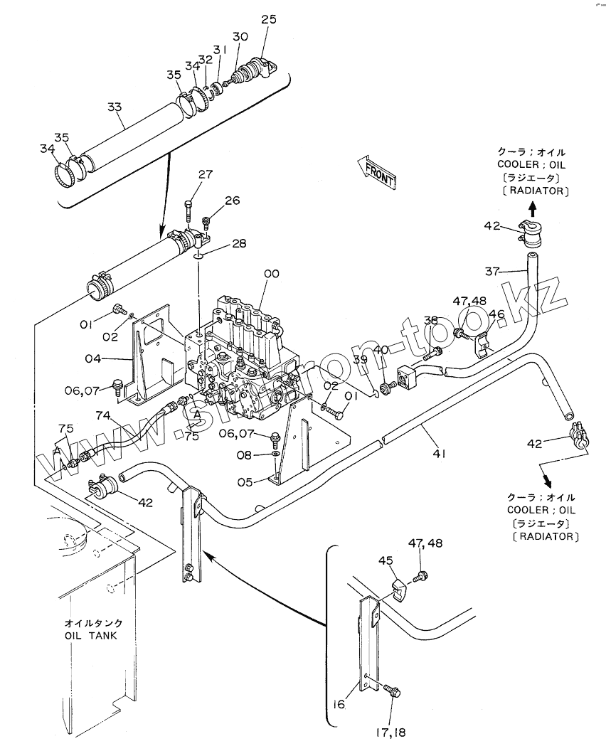
Каталог запасных частей к технике: Hitachi EX-120. OIL COOLER PIPINGS (2)
00
00
01
01
02
02
04
05
06
06
06
06
07
07
08
16
17
17
18
25
26
27
28
30
31
32
33
34
34
35
35
35
35
37
38
39
40
41
42
42
42
45
46
47
47
47
48
48
74
75
75
75A
75A
| Позиция на иллюстрации | Заводской номер детали | Название детали | |
|---|---|---|---|
| 00 | 4176905 | VALVE CONTROL | |
| 00 | 4224897 | VALVE CONTROL | |
| 01 | J901430 | BOLT | |
| 02 | A590914 | WASHER, SPRING | |
| 04 | 8037416 | BRACKET | |
| 05 | 8037415 | BRACKET | |
| 06 | J901235 | BOLT | |
| 06 | J011235 | BOLT, SEMS | |
| 07 | A590912 | WASHER, SPRING | |
| 08 | 4086891 | WASHER | |
| 16 | 9728910 | SUPPORT | |
| 17 | J901235 | BOLT | |
| 17 | J011235 | BOLT, SEMS | |
| 18 | A590912 | WASHER, SPRING | |
| 25 | 2021613 | MANIFOLD | |
| 26 | M341022 | BOLT, SOCKET | |
| 27 | M341065 | BOLT, SOCKET | |
| 28 | A811035 | O-RING | |
| 30 | 4188627 | VALVE | |
| 31 | 4188628 | RING | |
| 32 | 991721 | RING, RETAINING | |
| 33 | 4098558 | HOSE, RUBBER | |
| 34 | 4504491 | CLAMP, HOSE | |
| 35 | 4156850 | CLAMP, HOSE | |
| 35 | 4263764 | CLAMP, HOSE | |
| 37 | 9725244 | PIPE RETURN | |
| 38 | M341056 | BOLT, SOCKET | |
| 39 | 4203137 | O-RING | |
| 40 | 4202625 | VALVE | |
| 41 | 8035500 | PIPE RETURN | |
| 42 | 4071213 | COUPLING | |
| 45 | 4190127 | CLAMP, PIPE | |
| 46 | 4189860 | CLAMP, PIPE | |
| 47 | J901265 | BOLT | |
| 47 | J011265 | BOLT, SEMS | |
| 48 | A590912 | WASHER, SPRING | |
| 74 | 4203010 | HOSE, NYLON | |
| 75 | 4200465 | ADAPTER, S | |
| 75A | 957366 | O-RING |
Содержащиеся в справочниках-каталогах запасные части и детали не предлагаются к продаже, а носят исключительно информационный характер