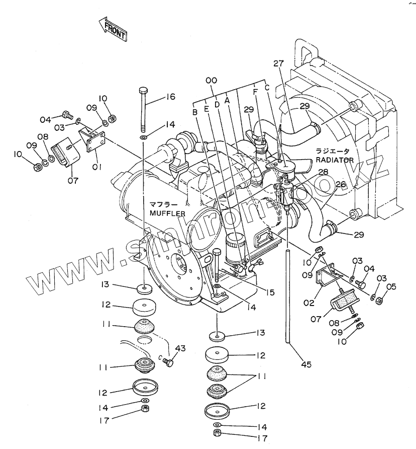
Каталог запасных частей к технике: Hitachi EX-120. ENGINE
00
00
00A
00B
00C
00D
00E
00F
01
02
03
03
03
04
04
05
07
07
08
08
09
09
09
09
10
10
10
10
11
11
11
12
12
12
12
13
13
14
14
14
14
15
16
17
17
26
27
28
29
29
29
43
45
| Позиция на иллюстрации | Заводской номер детали | Название детали | |
|---|---|---|---|
| 00 | 4176895 | ENGINE | |
| 00 | 4236387 | ENGINE | |
| 00A | 4179863 | BELT V | |
| 00B | 4183853 | FILTER OIL | |
| 00C | 4206130 | FILTER FUEL | |
| 00D | 4223445 | SWITCH LEVEL | |
| 00E | 4223446 | SWITCH PRESSURE | |
| 00F | 4223444 | SWITCH THERMOMETER | |
| 01 | 8021976 | BRACKET | |
| 02 | 8021977 | BRACKET | |
| 03 | A590910 | WASHER, SPRING | |
| 04 | M11025 | BOLT | |
| 05 | M511008 | NUT | |
| 07 | 2016999 | RUBBER CUSHION | |
| 08 | 4086894 | WASHER | |
| 09 | A590914 | WASHER, SPRING | |
| 10 | J950014 | NUT | |
| 11 | 4177883 | RUBBER | |
| 12 | 4169423 | STOPPER | |
| 13 | 4185675 | STOPPER | |
| 14 | 4114405 | WASHER | |
| 15 | J931613 | BOLT | |
| 16 | 4176282 | BOLT | |
| 17 | J951016 | NUT | |
| 26 | 2021730 | HOSE WATER | |
| 27 | 3033315 | HOSE WATER | |
| 28 | 4504198 | CLAMP, HOSE | |
| 29 | 4504199 | CLAMP, HOSE | |
| 43 | J901020 | BOLT | |
| 45 | 4171509 | HOSE, VINYL |
Содержащиеся в справочниках-каталогах запасные части и детали не предлагаются к продаже, а носят исключительно информационный характер