Вернуться на главную
Поиск
Каталоги запчастей к технике
Спецтехника
Hitachi
EX-100WD
TRAVEL PIPINGS (3)
Каталог запасных частей к технике: Hitachi EX-100WD. TRAVEL PIPINGS (3)
zoom-in
zoom-out
enlarge
shrink
circle-right
circle-left
file-text2
info
cart
Тип техники
Не выбрано
Легковые автомобили
Грузовые автомобили и прицепы
Автобусы
Сельхозтехника
Спецтехника
Двигатели
Мототехника
Марка
Не выбрано
Ammann
BOMAG
CARMIX
CASE IH
Changlin
ChengGong
Dimex
Doosan
DYNAPAC
Foton
HAMM
Hidromek
Hitachi
Hyundai
JCB
JLG
John Deere
Komatsu
LIEBHERR
LiuGong
Lonking (LongGong)
Luneng
MANITOU
Mitsuber
New Holland
PENGPU
RM-Terex
SANY
SDLG
SEM
Shantui
Shehwa HBXG
Soosan
TIGARBO
VOGELE
Volvo
WAY
WIRTGEN
XCMG
XGMA
Xiamen
YTO
Yuchai
Zoomlion
Автокран
АЗСМ
Алтайлесмаш
Амкодор
АОМЗ
Атек
АТЗ
Балканкар Рекорд
БелАЗ
Беловеж
Борекс
Брянский Арсенал
Булат
ВЭКС
ГАЗ
Геомаш
Гидромаш
Донекс
Дормаш
Дормашина
Дорэлектромаш
ДЭЗ
ЕлАЗ
ЗЗГТ
Ижнефтемаш
Канаш-электрокар
КЗКТ
ККЗ
Клевер
Клинцовский автокрановый завод
КМЗ
КМЗ 1 Мая
Ковровец
Коммаш
Кранэкс
КЭЗ
КЭМЗ
ЛЗА
МАЗ
МЗИК
МЗКМ
МЗКТ
Михневский РМЗ
МоАЗ
Мозырский МЗ
МТЗ
ОЗП
Онежец
ПАО "ТЗА"
ППС Детва
Промтрактор
ПТЗ
Раскат
СпецАгрегат
ТВЭКС
ТТМ
УВЗ
Угличмаш
УЗТМ
ХТЗ
ЧЗКМ
ЧСДМ
ЧТЗ
ЭКСКО
ЭКСМАШ
ЮрМаш
Модель
Не выбрано
EX-100-2 (2000)
EX-100-3 (2008)
EX-100WD (2008)
EX-120 (2008)
EX-120-2 (2008)
EX-160WD (2008)
EX-200 (2008)
EX-200-2 (2008)
EX-200-3
EX-220 (2008)
EX-220-2 (2008)
EX-270 (2008)
EX-300 (2008)
EX-300-2 (2000)
EX-400 Type A (2006)
EX-400 Type B (2006)
EX-60 (2003)
EX-60-2 (2000)
EX-60-3 (2008)
EX-70 (2017)
LX-110-7 (2008)
LX-130-7 (2008)
LX-150-2 (2008)
LX-160-7 (2008)
LX190-7/LX230-7 (2008)
Zaxis 190-3
ZAXIS 200-5A (2018)
ZAXIS 200LC-5A (2018)
ZAXIS 210H-5A (2018)
ZAXIS 210K-5A (2018)
ZAXIS 210LCH-5A (2018)
ZAXIS 210LCK-5A (2018)
ZAXIS 330-5G (2017)
ZAXIS 350H-5G (2017)
ZAXIS 48U-5A (2020)
ZAXIS 850-3
ZAXIS 870H-3
ZX-110 (2008)
ZX-160W (2008)
ZX-200 (2008)
ZX-230 (2008)
ZX-25 (2008)
ZX-270 (2008)
ZX-330 (2010)
ZX-330-3 (Part № PIHH-I-3) (2008)
ZX-330-3 (Part № PIHH-I-5) (2013)
ZX-330-3G (2008)
ZX-400R-3 (2010)
ZX-450 (2006)
ZX-600 (2007)
Компоненты EX-100-2 (2000)
Компоненты EX-100WD (2008)
Компоненты EX-120 (2008)
Компоненты EX-120-2 (2008)
Компоненты EX-160WD (2008)
Компоненты EX-200 (2008)
Компоненты EX-200-2 (2008)
Компоненты EX-200-3(LC, H)
Компоненты EX-220 (2008)
Компоненты EX-220-2 (2008)
Компоненты EX-270 (2008)
Компоненты EX-300 (2008)
Компоненты EX-300-2 (2000)
Компоненты EX-400 Type A (2006)
Компоненты EX-400 Type B (2006)
Компоненты EX-60 (2003)
Компоненты EX-60-2 (2000)
Компоненты EX-60-3 (2008)
Компоненты ZAXIS 450, 470, 500, 520 (2010)
Компоненты ZX-110 (2008)
Компоненты ZX-120 (130) (2008)
Компоненты ZX-160W (2008)
Компоненты ZX-200 (2008)
Компоненты ZX-230 (2008)
Компоненты ZX-270 (2008)
Компоненты ZX-330 (2008)
Компоненты ZX-450 (2006)
Схема
>
Не выбрано
FRAME
ENGINE
RADIATOR
AIR CLEANER
MUFFLER
FUEL TANK
PUMP DEVICE
SWING DEVICE
OIL TANK
OIL COOLER PIPINGS (1)
OIL COOLER PIPINGS (2)
OIL COOLER PIPINGS (3)
MAIN PIPINGS (1)
MAIN PIPINGS (2)
MAIN PIPINGS (3)
ENGINE CONTROL LEVER (1)
ENGINE CONTROL LEVER (2)
ENGINE CONTROL LEVER (2)
CONTROL LEVER
PILOT PIPINGS (1)
PILOT PIPINGS (2-1)
PILOT PIPINGS (2-2)
PILOT PIPINGS (3-1)
PILOT PIPINGS (3-2)
PILOT PIPINGS (3-2)
PILOT PIPINGS (3-3)
PILOT PIPINGS (4-1)
PILOT PIPINGS (4-2)
PILOT PIPINGS (4-3)
PILOT PIPINGS (4-4)
STEERING
STEERING PPINGS (SUPERSTRUCTURE)
AIR PIPINGS (1)
AIR PPINGS (2-1)
AIR PIPINGS (2-2)
CONTROL BOX (R)
CONTROL BOX (L)
CONTROL BOX (L)
GAUGE PANEL
ELECTRIC PARTS (1)
ELECTRIC PARTS (2)
ELECTRIC PARTS (3)
ELECTRIC PARTS (4)
ELECTRIC PARTS (5)
ELECTRIC PARTS (6)
CAB GROUP
CAB (1)
CAB (2)
CAB (3)
CAB (4)
CAB (5)
CAB (6)
SEAT
COVER (1)
COVER (2)
COVER (3)
COVER (4)
DOOR LOCK (1)
DOOR LOCK (2)
CAR HEATER
CAR HEATER PIPINGS
CHASSIS
CHASSIS
POWER TRAIN (4X4)
STEERING PIPINGS (CARRIER)
BRAKE PIPINGS
TRAVEL PIPINGS
TRAVEL PIPINGS (1)
TRAVEL PIPINGS (2)
TRAVEL PIPINGS (3)
CENTER JOINT
BOOM
STD. ARM 1.95M
BUCKET 0.4
FRONT PIPINGS
LUBRICATE PPINGS
TOOLS
SPARE PARTS
FENDER
LONG ARM 2.25M
BUCKET 0.17
BUCKET 0.25
BUCKET 0.33
BUCKET 0.45
BUCKET 0.5
SLOPE-FINISHING BLADE
CLAMSHELL BUCKET
OFFSET BOOM
MAIN PIPINGS (OFFSET BOOM) <WITH OUTRIGGER>
MAIN PIPINGS (OFFSET BOOM) <WITH0UT 0UTRISGER>
FRONT PIPINGS (OFFSET BOOM)
SPARE PEDAL (OFFSET BOOM. BREAKER. CRASHER)
PILOT PIPINGS FOR SPARE PEDAL <WITH OUTRIGGER>
PILOT PIPINGS FOR SPARE PEDAL <WITH0UT OUTRIGGER>
LUBRICATE PIPINGS (OFFSET BOOM)
BLADE
BLADE PIPINGS (SUPERSTRUCTURE)
BLADE PIPINGS (CARRIER)
Outrigger
Outrigger Pipings (Superstructure)
Outrigger Pipings (Carrier)
Independent Outrigger Pipings (Superstructure): 1
Independent Outrigger Pipings (Superstructure): 2
Independent Outrigger Pipings (Superstructure): 3
Independent Outrigger Pipings (Superstructure): 4
Independent Outrigger Pipings (Carrier)
Hose Rupture Valve Pipings (Boom)
Hose Rupture Valve Pipings (Arm)
Pipings (1) For Breaker, Crusher
Pipings (2) For Breaker, Crusher
Pipings (3) For Breaker, Crusher (NPK Breaker)
Pipings (3) For Breaker, Crusher (NPK Breaker & Crusher)
Pipings (3) For Breaker, Crusher (OKADA/FURUKAWA Breaker)
Pipings (3) For Breaker, Crusher (OKADA/FURUKAWA Breaker & Crusher)
Confluent Pipings (1)
Confluent Pipings (2)
Name-Plate
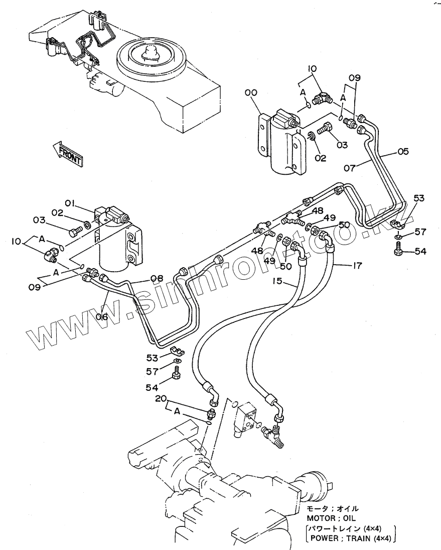
00
01
02
02
03
03
05
06
07
08
09
09
09A
09A
10
10
10A
10A
15
17
17
20
20A
48
48
49
49
50
50
53
53
54
54
57
57
Позиция на иллюстрации
Заводской номер детали
Название детали
00
4178119
CYL.
01
4178120
CYL.
02
4089822
WASHER
03
J932280
BOLT
05
8037218
PIPE
06
8037219
PIPE
07
8037220
PIPE
08
8037221
PIPE
09
4189438
ADAPTER, S
09A
957366
O-RING
10
4209704
ELBOW, S
10A
4509180
O-RING
15
4209719
HOSE
17
4209708
HOSE
17
4248625
HOSE
20
4200465
ADAPTER, S
20A
957366
O-RING
48
4215394
TEE, S
49
A590912
WASHER, SPRING
50
4209198
NUT
53
4043942
CLAMP, PIPE
54
J900822
BOLT
57
A590908
WASHER, SPRING
Содержащиеся в справочниках-каталогах запасные части и детали не предлагаются к продаже, а носят исключительно информационный характер
Дополнительная информация
×
Название:
Номер:
Примечание: