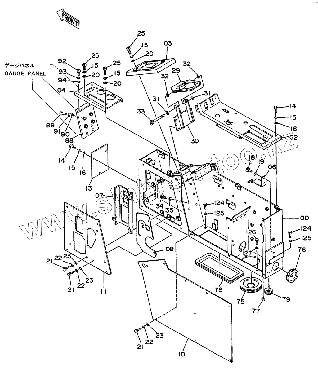
Каталог запасных частей к технике: Hitachi EX-100WD. CONTROL BOX (R)
6008900
2
3
4
6
7
8
10
11
13
14
14
15
15
15
15
15
16
16
18
19
20
20
20
21
21
21
22
22
22
23
23
23
25
25
25
25
29
30
31
31
32
32
33
34
35
75
76
77
78
79
88
89
90
91
92
93
94
124
124
125
125
126
127
| Позиция на иллюстрации | Заводской номер детали | Название детали | |
|---|---|---|---|
| 6008900 | 6008900 | STAND | |
| 2 | 7019017 | PANEL | |
| 3 | 8040438 | PANEL | |
| 4 | 8040356 | PANEL | |
| 6 | 9729088 | BRACKET | |
| 6 | 9730749 | BRACKET | |
| 7 | 8040401 | BRACKET | |
| 8 | 3040298 | GUIDE | |
| 10 | 7019016 | COVER | |
| 11 | 2025345 | COVER | |
| 13 | 4214105 | COVER | |
| 14 | J850616 | SCREW | |
| 15 | J251006 | WASHER, SPRING | |
| 16 | J250006 | WASHER, PLANE | |
| 18 | J900620 | BOLT | |
| 19 | A590906 | WASHER, SPRING | |
| 20 | J250006 | WASHER, PLANE | |
| 21 | J90O616 | BOLT | |
| 22 | A590106 | WASHER | |
| 23 | A590906 | WASHER, SPRING | |
| 25 | Н340616 | BOLT, SOCKET | |
| 25 | J850616 | SCREW | |
| 29 | 8038103 | BRACKET | |
| 30 | 8038102 | BRACKET | |
| 31 | A590112 | WASHER, PLANE | |
| 32 | 4191947 | SHIM | |
| 33 | К341200 | BOLT, SOCKET | |
| 34 | J901020 | BOLT | |
| 35 | A590910 | WASHER, SPRING | |
| 75 | 4217281 | BUSHING, RUBBER | |
| 76 | 4161992 | BUSHING, RUBBER | |
| 77 | 487081 | BUSHING, RUBBER | |
| 78 | 4206940 | BUSHING, RUBBER | |
| 79 | 4146559 | BUSHING, RUBBER | |
| 88 | 8040400 | BRACKET | |
| 89 | J900820 | BOLT | |
| 90 | A590108 | WASHER, PLANE | |
| 91 | A590908 | WASHER, SPRING | |
| 92 | J850616 | SCREW | |
| 93 | J251006 | WASHER, SPRING | |
| 94 | J250006 | WASHER, PLANE | |
| 124 | J901025 | BOLT | |
| 125 | A590910 | WASHER, SPRING | |
| 126 | J901030 | BOLT | |
| 127 | A590110 | WASHER, PLANE |
Содержащиеся в справочниках-каталогах запасные части и детали не предлагаются к продаже, а носят исключительно информационный характер