Вернуться на главную
Поиск
Каталоги запчастей к технике
Спецтехника
Hitachi
EX-100WD
BUCKET 0.17
Каталог запасных частей к технике: Hitachi EX-100WD. BUCKET 0.17
zoom-in
zoom-out
enlarge
shrink
circle-right
circle-left
file-text2
info
cart
Тип техники
Не выбрано
Легковые автомобили
Грузовые автомобили и прицепы
Автобусы
Сельхозтехника
Спецтехника
Двигатели
Мототехника
Марка
Не выбрано
Ammann
BOMAG
CARMIX
CASE IH
Changlin
ChengGong
Dimex
Doosan
DYNAPAC
Foton
HAMM
Hidromek
Hitachi
Hyundai
JCB
JLG
John Deere
Komatsu
LIEBHERR
LiuGong
Lonking (LongGong)
Luneng
MANITOU
Mitsuber
New Holland
PENGPU
RM-Terex
SANY
SDLG
SEM
Shantui
Shehwa HBXG
Soosan
TIGARBO
VOGELE
Volvo
WAY
WIRTGEN
XCMG
XGMA
Xiamen
YTO
Yuchai
Zoomlion
Автокран
АЗСМ
Алтайлесмаш
Амкодор
АОМЗ
Атек
АТЗ
Балканкар Рекорд
БелАЗ
Беловеж
Борекс
Брянский Арсенал
Булат
ВЭКС
ГАЗ
Геомаш
Гидромаш
Донекс
Дормаш
Дормашина
Дорэлектромаш
ДЭЗ
ЕлАЗ
ЗЗГТ
Ижнефтемаш
Канаш-электрокар
КЗКТ
ККЗ
Клевер
Клинцовский автокрановый завод
КМЗ
КМЗ 1 Мая
Ковровец
Коммаш
Кранэкс
КЭЗ
КЭМЗ
ЛЗА
МАЗ
МЗИК
МЗКМ
МЗКТ
Михневский РМЗ
МоАЗ
Мозырский МЗ
МТЗ
ОЗП
Онежец
ПАО "ТЗА"
ППС Детва
Промтрактор
ПТЗ
Раскат
СпецАгрегат
ТВЭКС
ТТМ
УВЗ
Угличмаш
УЗТМ
ХТЗ
ЧЗКМ
ЧСДМ
ЧТЗ
ЭКСКО
ЭКСМАШ
ЮрМаш
Модель
Не выбрано
EX-100-2 (2000)
EX-100-3 (2008)
EX-100WD (2008)
EX-120 (2008)
EX-120-2 (2008)
EX-160WD (2008)
EX-200 (2008)
EX-200-2 (2008)
EX-200-3
EX-220 (2008)
EX-220-2 (2008)
EX-270 (2008)
EX-300 (2008)
EX-300-2 (2000)
EX-400 Type A (2006)
EX-400 Type B (2006)
EX-60 (2003)
EX-60-2 (2000)
EX-60-3 (2008)
EX-70 (2017)
LX-110-7 (2008)
LX-130-7 (2008)
LX-150-2 (2008)
LX-160-7 (2008)
LX190-7/LX230-7 (2008)
Zaxis 190-3
ZAXIS 200-5A (2018)
ZAXIS 200LC-5A (2018)
ZAXIS 210H-5A (2018)
ZAXIS 210K-5A (2018)
ZAXIS 210LCH-5A (2018)
ZAXIS 210LCK-5A (2018)
ZAXIS 330-5G (2017)
ZAXIS 350H-5G (2017)
ZAXIS 48U-5A (2020)
ZAXIS 850-3
ZAXIS 870H-3
ZX-110 (2008)
ZX-160W (2008)
ZX-200 (2008)
ZX-230 (2008)
ZX-25 (2008)
ZX-270 (2008)
ZX-330 (2010)
ZX-330-3 (Part № PIHH-I-3) (2008)
ZX-330-3 (Part № PIHH-I-5) (2013)
ZX-330-3G (2008)
ZX-400R-3 (2010)
ZX-450 (2006)
ZX-600 (2007)
Компоненты EX-100-2 (2000)
Компоненты EX-100WD (2008)
Компоненты EX-120 (2008)
Компоненты EX-120-2 (2008)
Компоненты EX-160WD (2008)
Компоненты EX-200 (2008)
Компоненты EX-200-2 (2008)
Компоненты EX-200-3(LC, H)
Компоненты EX-220 (2008)
Компоненты EX-220-2 (2008)
Компоненты EX-270 (2008)
Компоненты EX-300 (2008)
Компоненты EX-300-2 (2000)
Компоненты EX-400 Type A (2006)
Компоненты EX-400 Type B (2006)
Компоненты EX-60 (2003)
Компоненты EX-60-2 (2000)
Компоненты EX-60-3 (2008)
Компоненты ZAXIS 450, 470, 500, 520 (2010)
Компоненты ZX-110 (2008)
Компоненты ZX-120 (130) (2008)
Компоненты ZX-160W (2008)
Компоненты ZX-200 (2008)
Компоненты ZX-230 (2008)
Компоненты ZX-270 (2008)
Компоненты ZX-330 (2008)
Компоненты ZX-450 (2006)
Схема
>
Не выбрано
FRAME
ENGINE
RADIATOR
AIR CLEANER
MUFFLER
FUEL TANK
PUMP DEVICE
SWING DEVICE
OIL TANK
OIL COOLER PIPINGS (1)
OIL COOLER PIPINGS (2)
OIL COOLER PIPINGS (3)
MAIN PIPINGS (1)
MAIN PIPINGS (2)
MAIN PIPINGS (3)
ENGINE CONTROL LEVER (1)
ENGINE CONTROL LEVER (2)
ENGINE CONTROL LEVER (2)
CONTROL LEVER
PILOT PIPINGS (1)
PILOT PIPINGS (2-1)
PILOT PIPINGS (2-2)
PILOT PIPINGS (3-1)
PILOT PIPINGS (3-2)
PILOT PIPINGS (3-2)
PILOT PIPINGS (3-3)
PILOT PIPINGS (4-1)
PILOT PIPINGS (4-2)
PILOT PIPINGS (4-3)
PILOT PIPINGS (4-4)
STEERING
STEERING PPINGS (SUPERSTRUCTURE)
AIR PIPINGS (1)
AIR PPINGS (2-1)
AIR PIPINGS (2-2)
CONTROL BOX (R)
CONTROL BOX (L)
CONTROL BOX (L)
GAUGE PANEL
ELECTRIC PARTS (1)
ELECTRIC PARTS (2)
ELECTRIC PARTS (3)
ELECTRIC PARTS (4)
ELECTRIC PARTS (5)
ELECTRIC PARTS (6)
CAB GROUP
CAB (1)
CAB (2)
CAB (3)
CAB (4)
CAB (5)
CAB (6)
SEAT
COVER (1)
COVER (2)
COVER (3)
COVER (4)
DOOR LOCK (1)
DOOR LOCK (2)
CAR HEATER
CAR HEATER PIPINGS
CHASSIS
CHASSIS
POWER TRAIN (4X4)
STEERING PIPINGS (CARRIER)
BRAKE PIPINGS
TRAVEL PIPINGS
TRAVEL PIPINGS (1)
TRAVEL PIPINGS (2)
TRAVEL PIPINGS (3)
CENTER JOINT
BOOM
STD. ARM 1.95M
BUCKET 0.4
FRONT PIPINGS
LUBRICATE PPINGS
TOOLS
SPARE PARTS
FENDER
LONG ARM 2.25M
BUCKET 0.17
BUCKET 0.25
BUCKET 0.33
BUCKET 0.45
BUCKET 0.5
SLOPE-FINISHING BLADE
CLAMSHELL BUCKET
OFFSET BOOM
MAIN PIPINGS (OFFSET BOOM) <WITH OUTRIGGER>
MAIN PIPINGS (OFFSET BOOM) <WITH0UT 0UTRISGER>
FRONT PIPINGS (OFFSET BOOM)
SPARE PEDAL (OFFSET BOOM. BREAKER. CRASHER)
PILOT PIPINGS FOR SPARE PEDAL <WITH OUTRIGGER>
PILOT PIPINGS FOR SPARE PEDAL <WITH0UT OUTRIGGER>
LUBRICATE PIPINGS (OFFSET BOOM)
BLADE
BLADE PIPINGS (SUPERSTRUCTURE)
BLADE PIPINGS (CARRIER)
Outrigger
Outrigger Pipings (Superstructure)
Outrigger Pipings (Carrier)
Independent Outrigger Pipings (Superstructure): 1
Independent Outrigger Pipings (Superstructure): 2
Independent Outrigger Pipings (Superstructure): 3
Independent Outrigger Pipings (Superstructure): 4
Independent Outrigger Pipings (Carrier)
Hose Rupture Valve Pipings (Boom)
Hose Rupture Valve Pipings (Arm)
Pipings (1) For Breaker, Crusher
Pipings (2) For Breaker, Crusher
Pipings (3) For Breaker, Crusher (NPK Breaker)
Pipings (3) For Breaker, Crusher (NPK Breaker & Crusher)
Pipings (3) For Breaker, Crusher (OKADA/FURUKAWA Breaker)
Pipings (3) For Breaker, Crusher (OKADA/FURUKAWA Breaker & Crusher)
Confluent Pipings (1)
Confluent Pipings (2)
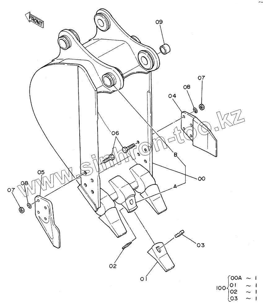
Name-Plate
9073764
8038746
4188013
4188013
4197033
1
1
2
2
3
3
4
5
6
7
7
8
8
9
100
Позиция на иллюстрации
Заводской номер детали
Название детали
9073764
9073764
BUCKET ASSY
8038746
8038746
BUCKET
4188013
4188013
ADAPTER, TOOTH
4197033
4197033
STOPPER
1
963228
POINT, TOOTH
2
963229
PIN, LOCK
3
963227
RUBBER, LOCK
4
2015428
CUTTER, SIDE
5
2015429
CUTTER, SIDE
6
J932050
BOLT
7
J951020
NUT
8
A590920
WASHER, SPRING
9
4175071
SPACER
100
9075345
KIT, POINT
Содержащиеся в справочниках-каталогах запасные части и детали не предлагаются к продаже, а носят исключительно информационный характер
Дополнительная информация
×
Название:
Номер:
Примечание: