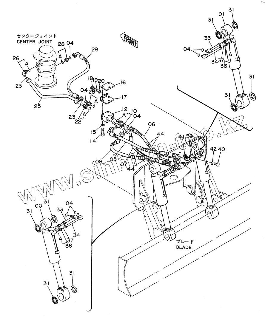
Каталог запасных частей к технике: Hitachi EX-100WD. BLADE PIPINGS (CARRIER)
00
01
04
04
04
04
04
05
06
07
08
10
10A
12
14
15
16
17
18
19
20
22
22A
23
23
25
26
26A
28
28
28A
28A
29
31
31
31
31
31
31
31
31
33
33
34
34
36
36
36A
36A
37
37
39
40
41
42
44
44
| Позиция на иллюстрации | Заводской номер детали | Название детали | |
|---|---|---|---|
| 00 | 4231943 | CYL., BLADE | |
| 01 | 4231944 | CYL., BLADE | |
| 04 | 4138938 | O-RING | |
| 05 | 4231213 | HOSE | |
| 06 | 4207381 | HOSE | |
| 07 | 4218088 | HOSE | |
| 08 | 4229813 | HOSE | |
| 10 | 4205383 | TEE, S | |
| 10A | 4506418 | O-RING | |
| 12 | 4195894 | VALVE, CHECK | |
| 14 | J900875 | BOLT | |
| 15 | A590908 | WASHER, SPRING | |
| 16 | 4218501 | PLATE | |
| 17 | 4231942 | BRACKET | |
| 18 | J901025 | BOLT | |
| 19 | A590910 | WASHER, SPRING | |
| 20 | J217083 | WASHER | |
| 22 | 4197530 | ADAPTER | |
| 22A | 4506418 | O-RING | |
| 23 | 4187308 | O-RING | |
| 25 | 8043534 | PIPE | |
| 26 | 4202404 | ELBOW, S | |
| 26A | 4506418 | O-RING | |
| 28 | 4189602 | ADAPTER, S | |
| 28A | 4506418 | O-RING | |
| 29 | 4210313 | HOSE | |
| 31 | 4094086 | SEAL, DUST | |
| 33 | 9732035 | PIPE | |
| 34 | 9732036 | PIPE | |
| 36 | 4197530 | ADAPTER | |
| 36A | 4506418 | O-RING | |
| 37 | 4187308 | O-RING | |
| 39 | 4189858 | СLАМР, РIРЕ | |
| 40 | J901250 | BOLT | |
| 41 | J950012 | NUT | |
| 42 | A590912 | WASHER, SPRING | |
| 44 | 4044420 | PROTECTOR |
Содержащиеся в справочниках-каталогах запасные части и детали не предлагаются к продаже, а носят исключительно информационный характер