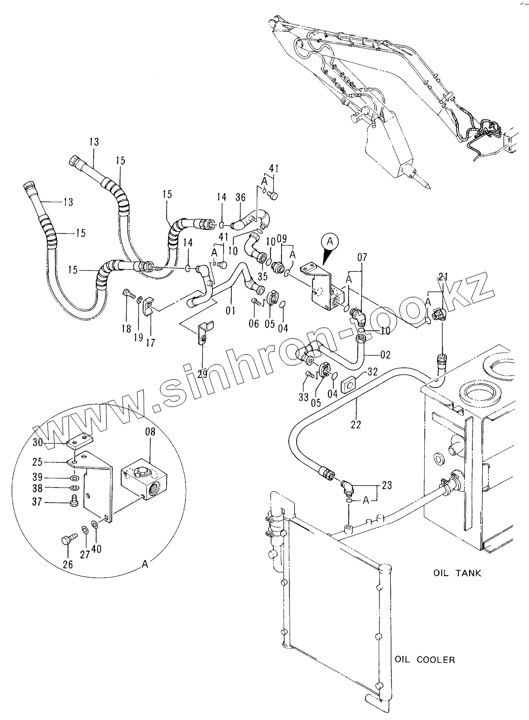
Каталог запасных частей к технике: Hitachi EX-100-3. MAIN PIPINGS FOR BREAKER & CRUSHER
01
02
02
02
04
04
05
05
06
07
07A
08
09
09A
10
10
10
13
13
14
14
15
15
15
15
17
18
19
21
21A
22
23
23A
25
26
27
29
30
32
32
32
33
33
33
35
36
37
38
39
40
41
41
41А
41А
| Позиция на иллюстрации | Заводской номер детали | Название детали | |
|---|---|---|---|
| 01 | 8055918 | PIPE | |
| 02 | 8052517 | PIPE | |
| 02 | 8061395 | PIPE | |
| 04 | 971489 | O-RING | |
| 05 | 986910 | FLANGE, SPLIT | |
| 06 | M341030 | BOLT, SOCKET | |
| 07 | 4198799 | ELBOW | |
| 07A | 4506429 | O-RING | |
| 08 | 4261540 | VALVE | |
| 09 | 4189535 | ADAPTER, S | |
| 09A | 4506429 | O-RING | |
| 10 | 4187328 | O-RING | |
| 13 | 4259445 | HOSE | |
| 14 | 4187308 | O-RING | |
| 15 | 4044420 | PROTECTOR | |
| 17 | 4190126 | CLAMP, PIPE | |
| 18 | J901265 | BOLT | |
| 19 | A590912 | WASHER, SPRING | |
| 21 | 4169596 | ELBOW, S | |
| 21A | 4506429 | O-RING | |
| 22 | 4268866 | HOSE | |
| 23 | 4065118 | ELBOW, S | |
| 23A | 4506424 | O-RING | |
| 25 | 3058297 | BRACKET | |
| 26 | J901025 | BOLT | |
| 27 | A590910 | WASHER, SPRING | |
| 29 | 9738074 | SEAT, SCREW | |
| 30 | 4285493 | SEAT, SCREW | |
| 32 | 4288139 | PLATE | |
| 32 | 4343541 | PLATE | |
| 33 | M341056 | BOLT, SOCKET | |
| 33 | M341075 | BOLT, SOCKET | |
| 35 | 9738478 | PIPE | |
| 36 | 9732454 | PIPE | |
| 37 | J901222 | ВОLТ | |
| 38 | A590912 | WASHER, SPRING | |
| 39 | A590112 | WASHER, PLANE | |
| 40 | A590110 | WASHER, PLANE | |
| 41 | 4092534 | PLUG | |
| 41А | 4509180 | O-RING |
Содержащиеся в справочниках-каталогах запасные части и детали не предлагаются к продаже, а носят исключительно информационный характер