Вернуться на главную
Поиск
Каталоги запчастей к технике
Спецтехника
Hitachi
EX-100-3
FRONT PIPINGS (1)
Каталог запасных частей к технике: Hitachi EX-100-3. FRONT PIPINGS (1)
zoom-in
zoom-out
enlarge
shrink
circle-right
circle-left
file-text2
info
cart
Тип техники
Не выбрано
Легковые автомобили
Грузовые автомобили и прицепы
Автобусы
Сельхозтехника
Спецтехника
Двигатели
Мототехника
Марка
Не выбрано
Ammann
BOMAG
CARMIX
CASE IH
Changlin
ChengGong
Dimex
Doosan
DYNAPAC
Foton
HAMM
Hidromek
Hitachi
Hyundai
JCB
JLG
John Deere
Komatsu
LIEBHERR
LiuGong
Lonking (LongGong)
Luneng
MANITOU
Mitsuber
New Holland
PENGPU
RM-Terex
SANY
SDLG
SEM
Shantui
Shehwa HBXG
Soosan
TIGARBO
VOGELE
Volvo
WAY
WIRTGEN
XCMG
XGMA
Xiamen
YTO
Yuchai
Zoomlion
Автокран
АЗСМ
Алтайлесмаш
Амкодор
АОМЗ
Атек
АТЗ
Балканкар Рекорд
БелАЗ
Беловеж
Борекс
Брянский Арсенал
Булат
ВЭКС
ГАЗ
Геомаш
Гидромаш
Донекс
Дормаш
Дормашина
Дорэлектромаш
ДЭЗ
ЕлАЗ
ЗЗГТ
Ижнефтемаш
Канаш-электрокар
КЗКТ
ККЗ
Клевер
Клинцовский автокрановый завод
КМЗ
КМЗ 1 Мая
Ковровец
Коммаш
Кранэкс
КЭЗ
КЭМЗ
ЛЗА
МАЗ
МЗИК
МЗКМ
МЗКТ
Михневский РМЗ
МоАЗ
Мозырский МЗ
МТЗ
ОЗП
Онежец
ПАО "ТЗА"
ППС Детва
Промтрактор
ПТЗ
Раскат
СпецАгрегат
ТВЭКС
ТТМ
УВЗ
Угличмаш
УЗТМ
ХТЗ
ЧЗКМ
ЧСДМ
ЧТЗ
ЭКСКО
ЭКСМАШ
ЮрМаш
Модель
Не выбрано
EX-100-2 (2000)
EX-100-3 (2008)
EX-100WD (2008)
EX-120 (2008)
EX-120-2 (2008)
EX-160WD (2008)
EX-200 (2008)
EX-200-2 (2008)
EX-200-3
EX-220 (2008)
EX-220-2 (2008)
EX-270 (2008)
EX-300 (2008)
EX-300-2 (2000)
EX-400 Type A (2006)
EX-400 Type B (2006)
EX-60 (2003)
EX-60-2 (2000)
EX-60-3 (2008)
EX-70 (2017)
LX-110-7 (2008)
LX-130-7 (2008)
LX-150-2 (2008)
LX-160-7 (2008)
LX190-7/LX230-7 (2008)
Zaxis 190-3
ZAXIS 200-5A (2018)
ZAXIS 200LC-5A (2018)
ZAXIS 210H-5A (2018)
ZAXIS 210K-5A (2018)
ZAXIS 210LCH-5A (2018)
ZAXIS 210LCK-5A (2018)
ZAXIS 330-5G (2017)
ZAXIS 350H-5G (2017)
ZAXIS 48U-5A (2020)
ZAXIS 850-3
ZAXIS 870H-3
ZX-110 (2008)
ZX-160W (2008)
ZX-200 (2008)
ZX-230 (2008)
ZX-25 (2008)
ZX-270 (2008)
ZX-330 (2010)
ZX-330-3 (Part № PIHH-I-3) (2008)
ZX-330-3 (Part № PIHH-I-5) (2013)
ZX-330-3G (2008)
ZX-400R-3 (2010)
ZX-450 (2006)
ZX-600 (2007)
Компоненты EX-100-2 (2000)
Компоненты EX-100WD (2008)
Компоненты EX-120 (2008)
Компоненты EX-120-2 (2008)
Компоненты EX-160WD (2008)
Компоненты EX-200 (2008)
Компоненты EX-200-2 (2008)
Компоненты EX-200-3(LC, H)
Компоненты EX-220 (2008)
Компоненты EX-220-2 (2008)
Компоненты EX-270 (2008)
Компоненты EX-300 (2008)
Компоненты EX-300-2 (2000)
Компоненты EX-400 Type A (2006)
Компоненты EX-400 Type B (2006)
Компоненты EX-60 (2003)
Компоненты EX-60-2 (2000)
Компоненты EX-60-3 (2008)
Компоненты ZAXIS 450, 470, 500, 520 (2010)
Компоненты ZX-110 (2008)
Компоненты ZX-120 (130) (2008)
Компоненты ZX-160W (2008)
Компоненты ZX-200 (2008)
Компоненты ZX-230 (2008)
Компоненты ZX-270 (2008)
Компоненты ZX-330 (2008)
Компоненты ZX-450 (2006)
Схема
>
Не выбрано
FRAME
COUNTER WEIGHT
ENGINE
RADIATOR
RESERVE TANK
AIR CLEANER
MUFFLER
FUEL PIPINGS
FUEL TANK
FUEL FEED PUMP <OPTION>
FUEL DOUBLE FILTER <OPTION>
PUMP DEVICE
SWING DEVICE
OIL TANK
OIL COOLER PIPINGS (1)
OIL COOLER PIPINGS (2)
OIL COOLER PIPINGS (3)
MAIN PIPINGS (1)
MAIN PIPINGS (2)
MAIN PIPINGS (3)
MAIN PIPINGS (4)
SWING PIPINGS
ENGINE CONTROL MOTOR
ENGINE CONTROL CABLE
ENGINE CONTROL LEVER <OPTION>
CONTROL LEVER (1) (035001 -)
CONTROL LEVER (2) (035001 - 035909)
CONTROL LEVER (2) (035910 -)
CONTROL LEVER (3) (035001 -)
PILOT PIPINGS (1-1)
PILOT PIPINGS (1-2)(STD)
PILOT PIPINGS (1-2)(USA)
PILOT PIPINGS (1-3)
PILOT PIPINGS (2-1)
PILOT PIPINGS (2-2)
PILOT PIPINGS (3-1)
PILOT PIPINGS (3-2)
PILOT PIPINGS (3-3)
PILOT PIPINGS (4-1)
PILOT PIPINGS (4-2)
PILOT PIPINGS (5-1)(STD)
PILOT PIPINGS (5-1)(USA)
PILOT PIPINGS (5-2)(STD)
PILOT PIPINGS (5-2)(USA)
PILOT PIPINGS (6-1)
PILOT PIPINGS (6-2)
CONSOLE (R)
CONSOLE (L)(STD)
CONSOLE (L)(USA)
SWITCH BOX
GAUGE PANEL
RADIO (STD)
RADIO (USA)
ELECTRIC PARTS (1)
ELECTRIC PARTS (2)(STD)
ELECTRIC PARTS (2)(USA)
ELECTRIC PARTS (3-1)
ELECTRIC PARTS (3-2)
ELECTRIC PARTS (3-3)
ELECTRIC PARTS (3-4)
MOTION ALARM (USA)
WINDOW WASHER (035001 - 036479)
WINDOW WASHER (036480 -)
CAR HEATER (035001 - 035143)
CAR HEATER (035144 - 036556)
CAR HEATER (036557 -)
CAR HEATER PARTS (035001 - 035143)
CAR HEATER PARTS (035144 - 036556)
CAR HEATER PARTS (036557 -)
HEATER PIPINGS
CAB GROUP (1)
CAB GROUP (2)
REARVIEW MIRROR
CAB
CAB (1)
CAB (2)
CAB (3)
CAB (4)
CAB (5)
CAB (6)
REAR COVER (INSIDE OF CAB)
FLOOR PARTS
SEAT (STD)
SEAT (USA)
SEAT SUSPENSION (STD)
SEAT SUSPENSION (USA)
SEAT BELT
COVER (1-1)
COVER (1-2)
COVER (1-3)
COVER (1-4)
COVER (1-5)
COVER (2-1)
COVER (2-2)
DOOR LOCK (1) (035001 - D94/10)
DOOR LOCK (1) (D94/11 -)
DOOR LOCK (2) (035001 - D94/10)
DOOR LOCK (3) (D94/11 -)
DOOR LOCK (4) (D94/11 -)
TRACK FRAME
SWING BEARING
TRAVEL DEVICE
FRONT IDLER
ADJUSTER
UPPER ROLLER
LOWER ROLLER
TRACK-LINK (500G)
CENTER JOINT
TRAVEL PIPINGS
TRAVEL PIPINGS COVER
BOOM
STD. ARM (2.26M)
BUCKET (0.45)<JIS94>
FRONT PIPINGS (1)
FRONT PIPINGS (2)
LUBRICATE PIPINGS
OFFSET BOOM (1)
OFFSET BOOM (2)
CONTROL PEDAL <OFFSET BOOM>
PILOT PIPINGS <OFFSET BOOM>
MAIN PIPINGS <OFFSET BOOM>
FRONT PIPINGS <OFFSET BOOM> 1
FRONT PIPINGS <OFFSET BOOM> 2
FRONT PIPINGS <OFFSET BOOM> 3
LUBRICATE PIPINGS <OFFSET BOOM>
TRACK FRAME (RUBBER CRAWLER)
FRONT IDLER (RUBBER CRAWLER)
ADJUSTER (RUBBER CRAWLER)
LOWER ROLLER (RUBBER CRAWLER)
RUBBER CRAWLER
MULTI LEVER PIPINGS (1)
MULTI LEVER PIPINGS (2)
MULTI LEVER PIPINGS (3)
MULTI LEVER PIPINGS (4)
WINDOW GUARD (USA)
AIR CONDITIONER (1) (035001 - 035236)
AIR CONDITIONER (1) (035237 -)
AIR CONDITIONER (2)
AIR-CON. UNIT
AIR-CON. CONTROLLER (035001 - 035769)
AIR-CON. CONTROLLER
HOT & COOL BOX
TROPICAL COVER
TRACK-LINK (500GP)(RUBBER PAD)
TRACK-LINK (600G)
TRACK-LINK (700G)
TRACK-LINK (510F)
TRACK-LINK (700A)
SHORT ARM (1.96M)
LONG ARM (2.81M)
FRONT PIPINGS (2)(LONG ARM)
LUBRICATE PIPINGS (LONG ARM)
BUCKET-HOOK PARTS
BUCKET (0.19)<JIS94>
BUCKET (0.3)<JIS94>
BUCKET (0.4)<JIS94>
BUCKET (0.5)<JIS94>
BUCKET (0.59)<JIS94>
ONE-POINT RIPPER
SLOPE-FINISHING BLADE
CLAMSHELL BUCKET (1)
CLAMSHELL BUCKET (2)
CLAMSHELL BUCKET (3)
CLAMSHELL PIPINGS (035001 -)
HOSE RUPTURE VALVE PIPINGS (BOOM) 1
HOSE RUPTURE VALVE PIPINGS (BOOM) 2
HOSE RUPTURE VALVE PIPINGS (BOOM) 3
HOSE RUPTURE VALVE PIPINGS (ARM) 1
HOSE RUPTURE VALVE PIPINGS (ARM) 2
HOSE RUPTURE VALVE PIPINGS (ARM) 3
CONTROL PEDAL (BREAKER & CRUSHER)
PILOT PIPINGS (BREAKER & CRUSHER)
MAIN PIPINGS FOR BREAKER & CRUSHER
FRONT PIPINGS FOR BREAKER & CRUSHER
PIPINGS FOR NPK BREAKER & CRUSHER
PIPINGS FOR OKADA/FURUKAWA BREAKER
PIPINGS FOR OKADA/FURUKAWA BREAKER & CRUSHER
TOOLS
SPARE PARTS (35001-D94/11)
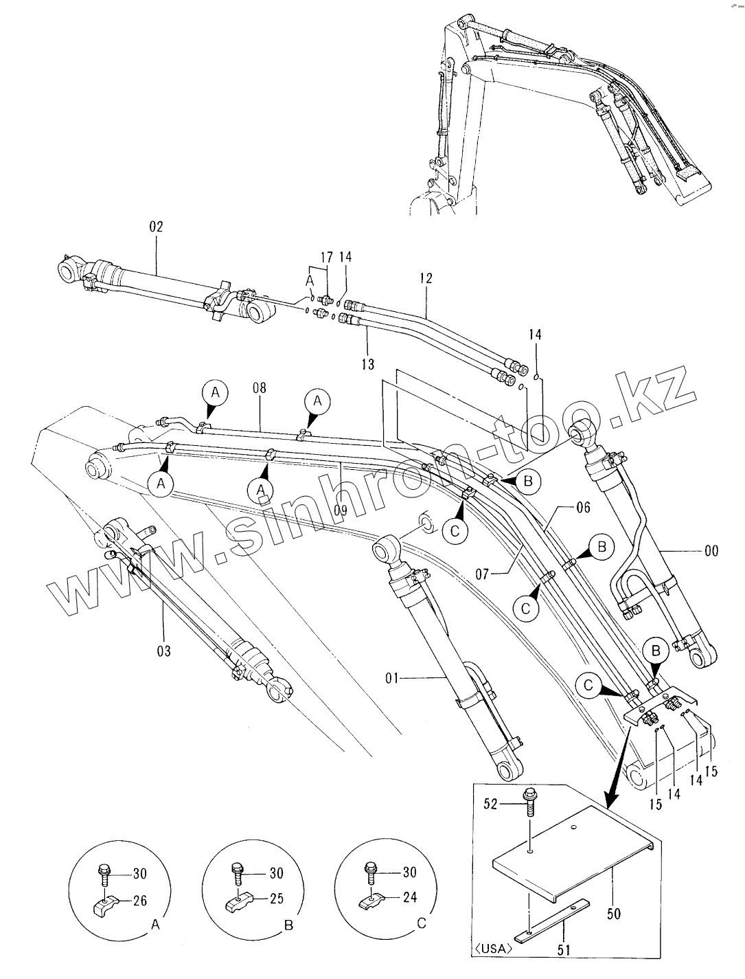
4257931
1
2
3
6
7
8
9
12
13
14
14
14
14
15
15
17
17A
24
25
26
30
30
30
50
51
52
Позиция на иллюстрации
Заводской номер детали
Название детали
4257931
4257931
CYL., BOOM
1
4257930
CYL., BOOM
2
4257932
CYL, , ARM
3
4269538
CYL., BUCKET
6
8048510
PIPE
7
8048511
PIPE
8
8048512
PIPE
9
8048513
PIPE
12
4260311
HOSE
13
4260310
HOSE
14
4187308
O-RING
15
4138938
O-RING
17
4189619
ADAPTER, S
17A
4506424
O-RING
24
4189858
СLАМР, РIРЕ
25
4141806
CLAMP, PIPE
26
4190125
CLAMP, PIPE
30
J011255
BOLT, SEMS
50
8053452
COVER
51
4294678
SEAT, SCREW
52
J021065
BOLT, SEMS
Содержащиеся в справочниках-каталогах запасные части и детали не предлагаются к продаже, а носят исключительно информационный характер
Дополнительная информация
×
Название:
Номер:
Примечание: