Вернуться на главную
Поиск
Каталоги запчастей к технике
Спецтехника
Hitachi
EX-100-2
ELECTRIC PARTS (2) <N.EUROPE>
Каталог запасных частей к технике: Hitachi EX-100-2. ELECTRIC PARTS (2) <N.EUROPE>
zoom-in
zoom-out
enlarge
shrink
circle-right
circle-left
file-text2
info
cart
Тип техники
Не выбрано
Легковые автомобили
Грузовые автомобили и прицепы
Автобусы
Сельхозтехника
Спецтехника
Двигатели
Мототехника
Марка
Не выбрано
Ammann
BOMAG
CARMIX
CASE IH
Changlin
ChengGong
Dimex
Doosan
DYNAPAC
Foton
HAMM
Hidromek
Hitachi
Hyundai
JCB
JLG
John Deere
Komatsu
LIEBHERR
LiuGong
Lonking (LongGong)
Luneng
MANITOU
Mitsuber
New Holland
PENGPU
RM-Terex
SANY
SDLG
SEM
Shantui
Shehwa HBXG
Soosan
TIGARBO
VOGELE
Volvo
WAY
WIRTGEN
XCMG
XGMA
Xiamen
YTO
Yuchai
Zoomlion
Автокран
АЗСМ
Алтайлесмаш
Амкодор
АОМЗ
Атек
АТЗ
Балканкар Рекорд
БелАЗ
Беловеж
Борекс
Брянский Арсенал
Булат
ВЭКС
ГАЗ
Геомаш
Гидромаш
Донекс
Дормаш
Дормашина
Дорэлектромаш
ДЭЗ
ЕлАЗ
ЗЗГТ
Ижнефтемаш
Канаш-электрокар
КЗКТ
ККЗ
Клевер
Клинцовский автокрановый завод
КМЗ
КМЗ 1 Мая
Ковровец
Коммаш
Кранэкс
КЭЗ
КЭМЗ
ЛЗА
МАЗ
МЗИК
МЗКМ
МЗКТ
Михневский РМЗ
МоАЗ
Мозырский МЗ
МТЗ
ОЗП
Онежец
ПАО "ТЗА"
ППС Детва
Промтрактор
ПТЗ
Раскат
СпецАгрегат
ТВЭКС
ТТМ
УВЗ
Угличмаш
УЗТМ
ХТЗ
ЧЗКМ
ЧСДМ
ЧТЗ
ЭКСКО
ЭКСМАШ
ЮрМаш
Модель
Не выбрано
EX-100-2 (2000)
EX-100-3 (2008)
EX-100WD (2008)
EX-120 (2008)
EX-120-2 (2008)
EX-160WD (2008)
EX-200 (2008)
EX-200-2 (2008)
EX-200-3
EX-220 (2008)
EX-220-2 (2008)
EX-270 (2008)
EX-300 (2008)
EX-300-2 (2000)
EX-400 Type A (2006)
EX-400 Type B (2006)
EX-60 (2003)
EX-60-2 (2000)
EX-60-3 (2008)
EX-70 (2017)
LX-110-7 (2008)
LX-130-7 (2008)
LX-150-2 (2008)
LX-160-7 (2008)
LX190-7/LX230-7 (2008)
Zaxis 190-3
ZAXIS 200-5A (2018)
ZAXIS 200LC-5A (2018)
ZAXIS 210H-5A (2018)
ZAXIS 210K-5A (2018)
ZAXIS 210LCH-5A (2018)
ZAXIS 210LCK-5A (2018)
ZAXIS 330-5G (2017)
ZAXIS 350H-5G (2017)
ZAXIS 48U-5A (2020)
ZAXIS 850-3
ZAXIS 870H-3
ZX-110 (2008)
ZX-160W (2008)
ZX-200 (2008)
ZX-230 (2008)
ZX-25 (2008)
ZX-270 (2008)
ZX-330 (2010)
ZX-330-3 (Part № PIHH-I-3) (2008)
ZX-330-3 (Part № PIHH-I-5) (2013)
ZX-330-3G (2008)
ZX-400R-3 (2010)
ZX-450 (2006)
ZX-600 (2007)
Компоненты EX-100-2 (2000)
Компоненты EX-100WD (2008)
Компоненты EX-120 (2008)
Компоненты EX-120-2 (2008)
Компоненты EX-160WD (2008)
Компоненты EX-200 (2008)
Компоненты EX-200-2 (2008)
Компоненты EX-200-3(LC, H)
Компоненты EX-220 (2008)
Компоненты EX-220-2 (2008)
Компоненты EX-270 (2008)
Компоненты EX-300 (2008)
Компоненты EX-300-2 (2000)
Компоненты EX-400 Type A (2006)
Компоненты EX-400 Type B (2006)
Компоненты EX-60 (2003)
Компоненты EX-60-2 (2000)
Компоненты EX-60-3 (2008)
Компоненты ZAXIS 450, 470, 500, 520 (2010)
Компоненты ZX-110 (2008)
Компоненты ZX-120 (130) (2008)
Компоненты ZX-160W (2008)
Компоненты ZX-200 (2008)
Компоненты ZX-230 (2008)
Компоненты ZX-270 (2008)
Компоненты ZX-330 (2008)
Компоненты ZX-450 (2006)
Схема
>
Не выбрано
FRAME
COUNTERWEIGHT
ENGINE
RADIATOR
RESERVE TANK
AIR CLEANER
MUFFLER
FUEL PIPINGS
FUEL TANK
FUEL FEED PUMP (OPTION)
FUEL DOUBLE FILTER (OPTION) D93/07
FUEL DOUBLE FILTER (OPTION) D93/08-
PUMP DEVICE
SWING DEVICE
OIL TANK
OIL COOLER PIPINGS (1)
OIL COOLER PIPINGS (2)
OIL COOLER PIPINGS (3)
MAIN PIPINGS (1)
MAIN PIPINGS (2)
MAIN PIPINGS (3)
MAIN PIPINGS (4)
SWING PIPINGS
ENGINE CONTROL MOTOR
ENGINE CONTROL CABLE
CONTROL LEVER (1)
CONTROL LEVER (2)
CONTROL LEVER (2)
CONTROL LEVER (3)
PILOT PIPINGS (1-1)
PILOT PIPINGS (1-2) (STD) (N.EUROPE)
PILOT PIPINGS (1-2) <USA>
PILOT PIPINGS (2-1)
PILOT PIPINGS (2-2)
PILOT PIPINGS (3-1)
PILOT PIPINGS (3-2)
PILOT PIPINGS (3-3)
PILOT PIPINGS (4-1)
PILOT PIPINGS (4-2) <STD>
PILOT PIPINGS (4-2) <N.EUROPE>
PILOT PIPINGS (4-2) <USA>
PILOT PIPINGS (5-1) <STD>
PILOT PIPINGS (5-1) <N.EUROPE> <STD>
PILOT PIPINGS (5-1) <USA>
PILOT PIPINGS (5-2) <STD><N.EUROPE>
PILOT PIPINGS (5-2) <USA>
PILOT PIPINGS (6-1)
PILOT PIPINGS (6-1)
PILOT PIPINGS (6-2)
CONSOLE (R)
CONSOLE (L) <STD>
CONSOLE (L) <N.EUROPE>
CONSOLE (L) <USA>
SWITCH BOX
GAUGE PANEL <STD><USA>
GAUGE PANEL <N.EUROPE>
RADIO <STD>
RADIO <N.EUROPE> <USA>
ELECTRIC PARTS (1)
ELECTRIC PARTS (2) <STD>
ELECTRIC PARTS (2) <N.EUROPE>
ELECTRIC PARTS (2) <USA>
ELECTRIC PARTS (3-1)
ELECTRIC PARTS (3-2) <STD><USA>
ELECTRIC PARTS (3-2) <N.EUROPE>
ELECTRIC PARTS (3-3)
ELECTRIC PARTS (3-4)
MOTION ALARM <USA>
WINDOW WASHER
CAR HEATER
CAR HEATER PARTS
CAR HEATER PIPINGS
CAB GROUP (1)31706
CAB GROUP (1)
CAB GROUP (1)
CAB GROUP (2)
REARVIEW MIRROR
CAB <STD><USA>
CAB <N.EUROPE>
CAB (1)
CAB (2) <STD><USA>
CAB (2) <N.EUROPE>
CAB (3)
CAB (3)
CAB (4)
CAB (5)
CAB (6) <STD><USA>
CAB (6) <N.EUROPE>
CAB (7) SUNVISOR <N.EUROPE>
REAR COVER (INSIDE OF CAB)
FLOOR PARTS
SEAT <STD>, <N.EUROPE>, <USA>
SEAT <USA> 32434-
SEAT SUSPENSION <STD><N.EUROPE>
SEAT SUSPENSION <STD><N.EUROPE>
SEAT SUSPENSION <USA>
SEAT SUSPENSION <USA>
SEAT STAND <STD><N.EUROPE>
SEAT STAND <USA>32580
SEAT BELT <STD><N.EUROPE>
SEAT BELT <STD><N.EUROPE>
SEAT BELT <USA>
SEAT BELT <USA>
COVER (1-1)
COVER (1-2)
COVER (1-3)
COVER (1-4)
COVER (1-5)
COVER (2-1)
COVER (2-2)
DOOR LOCK (1)
DOOR LOCK (2)
TRACK FRAME
SWING BEARING
TRAVEL DEVICE
FRONT IDLER
ADJUSTER
UPPER ROLLER
LOWER ROLLER
TRACK-LINK 500G
CENTER JOINT
TRAVEL PIPINGS
TRAVEL PIPINGS COVER
BOOM
STD. ARM 2.26M
BUCKET 0.4
FRONT PIPINGS (1)
FRONT PIPINGS (2)
LUBRICATE PIPINGS
OFFSET BOOM (1)
OFFSET BOOM (2)
CONTROL PEDAL (OFFSET BOOM, BREAKER & RUSHER)
PILOT PIPINGS (OFFSET BOOM, BREAKER & CRUSHER)
MAIN PIPINGS (OFFSET BOOM)
FRONT PIPINGS (OFFSET BOOM): 1
FRONT PIPINGS (OFFSET BOOM): 2
FRONT PIPINGS (OFFSET BOOM): 3
LUBRICATE PIPINGS (OFFSET BOOM)
TRACK FRAME (RUBBER CRAWLER)
FRONT IDLER (RUBBER CRAWLER)
ADJUSTER (RUBBER CRAWLER)
LOWER ROLLER (RUBBER CRAWLER)
RUBBER CRAWLER
MULTI LEVER PIPINGS (1)
MULTI LEVER PIPINGS (2)
MULTI LEVER PIPINGS (3)
MULTI LEVER PIPINGS (4)
AIR CONDITIONER (1)
AIR CONDITIONER (1)
AIR CONDITIONER (2)
AIR CONDITIONER (2)
AIR CONDITIONER (2)
AIR-CON. UNIT
AIR-CON. UNIT
AIR-CON. CONTROLLER
AIR-CON. CONTROLLER
TROPICAL COVER
WINDOW GUARD <USA>
TRACK-LINK 500GP (RUBBER PAD)
TRACK-LINK 600G
TRACK-LINK 700G
TRACK-LINK 510F
TRACK-LINK 700A
SHORT ARM 1.96M
LONG ARM 2.81M
FRONT PIPINGS (2) <LONG ARM>
LUBRICATE PIPINGS <LONG ARM>
BUCKET 0.17,
BUCKET 0.25,
BUCKET 0.33,
BUCKET 0.45,
BUCKET 0.5,
ONE-POINT RIPPER
SLOPE-FINISHING BLADE
CLAMSHELL BUCKET (1)
CLAMSHELL BUCKET (2)
CLAMSHELL BUCKET (3)
CLAMSHELL PIPINGS
HOSE RUPTURE VALVE PIPINGS (BOOM) D94/01
HOSE RUPTURE VALVE PIPINGS (BOOM) D94/02-
HOSE RUPTURE VALVE PIPINGS (BOOM) D94/01
HOSE RUPTURE VALVE PIPINGS (BOOM) D94/02-
HOSE RUPTURE VALVE PIPINGS (BOOM) D94/01
HOSE RUPTURE VALVE PIPINGS (BOOM) D94/02-
HOSE RUPTURE VALVE PIPINGS (ARM) D94/01
HOSE RUPTURE VALVE PIPINGS (ARM) D94/02-
HOSE RUPTURE VALVE PIPINGS (ARM) D94/01
HOSE RUPTURE VALVE PIPINGS (ARM) D94/02-
HOSE RUPTURE VALVE PIPINGS (ARM) 094/01
HOSE RUPTURE VALVE PIPINGS (ARM) D94/02-
MAIN PIPINGS FOR BREAKER & CRUSHER
FRONT PIPINGS FOR BREAKER & CRUSHER
PIPINGS FOR NPK BREAKER & CRUSHER
PIPINGS FOR OKADA/FURUKAWA BREAKER
PIPINGS FOR OKADA/FURUKAWA BREAKER & CRUSHER
TOOLS
SPARE PARTS
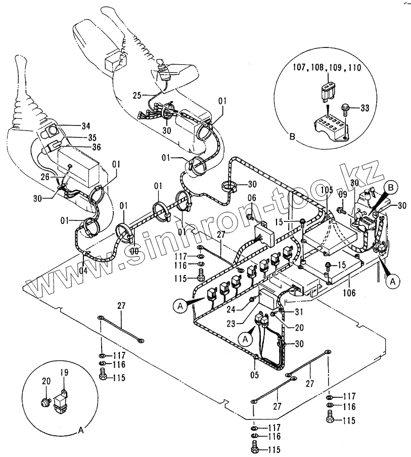
4296401
1
1
1
1
1
1
1
4
5
6
9
15
15
19
20
20
23
23
24
25
26
27
27
27
27
30
30
30
30
30
30
31
33
34
35
36
105
106
106
106
107
108
109
110
115
115
115
115
116
116
116
116
117
117
117
117
Позиция на иллюстрации
Заводской номер детали
Название детали
4296401
4296401
HARNESS, WIRE
1
4121859
CLIP, BAND
4
4190275
CLIP
5
4254600
CLIP
6
J460616
SCREW, SEMS
9
J450620
SCREW, SEMS
15
J460616
SCREW, SEMS
19
4251588
RELAY
20
J460616
SCREW, SEMS
23
4191999
RELAY
23
4325797
RELAY
24
J460616
SCREW, SEMS
25
4277927
HARNESS, WIRE
26
4277941
HARNESS, WIRE
27
4281293
HARNESS, WIRE
30
4055312
CLIP, BAND
31
4000859
CLIP, PIPE
33
J460620
SCREW, SEMS
34
4277999
SWITCH
35
4042098
CAP
36
4278125
SWITCH
105
9104910
UNIT, EC
106
9104905
UNIT, PVC
106
9131887
UNIT, PVC
106
9116366
UNIT, PVC
107
4249690
FUSE
108
4195593
FUSE
109
4195594
FUSE
110
4195596
FUSE
115
J901016
BOLT
116
A590910
WASHER, SPRING
117
A590110
WASHER, PLANE
Содержащиеся в справочниках-каталогах запасные части и детали не предлагаются к продаже, а носят исключительно информационный характер
Дополнительная информация
×
Название:
Номер:
Примечание: