Каталог запасных частей к технике: Hidromek HMK 300LC. QUICK COUPLING ASSEMBLY (OP)
1
2
3
4
5
6
7
8
8
9
9
10
10
11
11
12
13
13
13
14
14
14
15
16
17
18
19
20
21
22
22
23
23
24
25
26
27
27
28
28
29
29
30
30
31
31
31
31
31
31
32
32
32
33
33
33
33
34
35
36
37
37
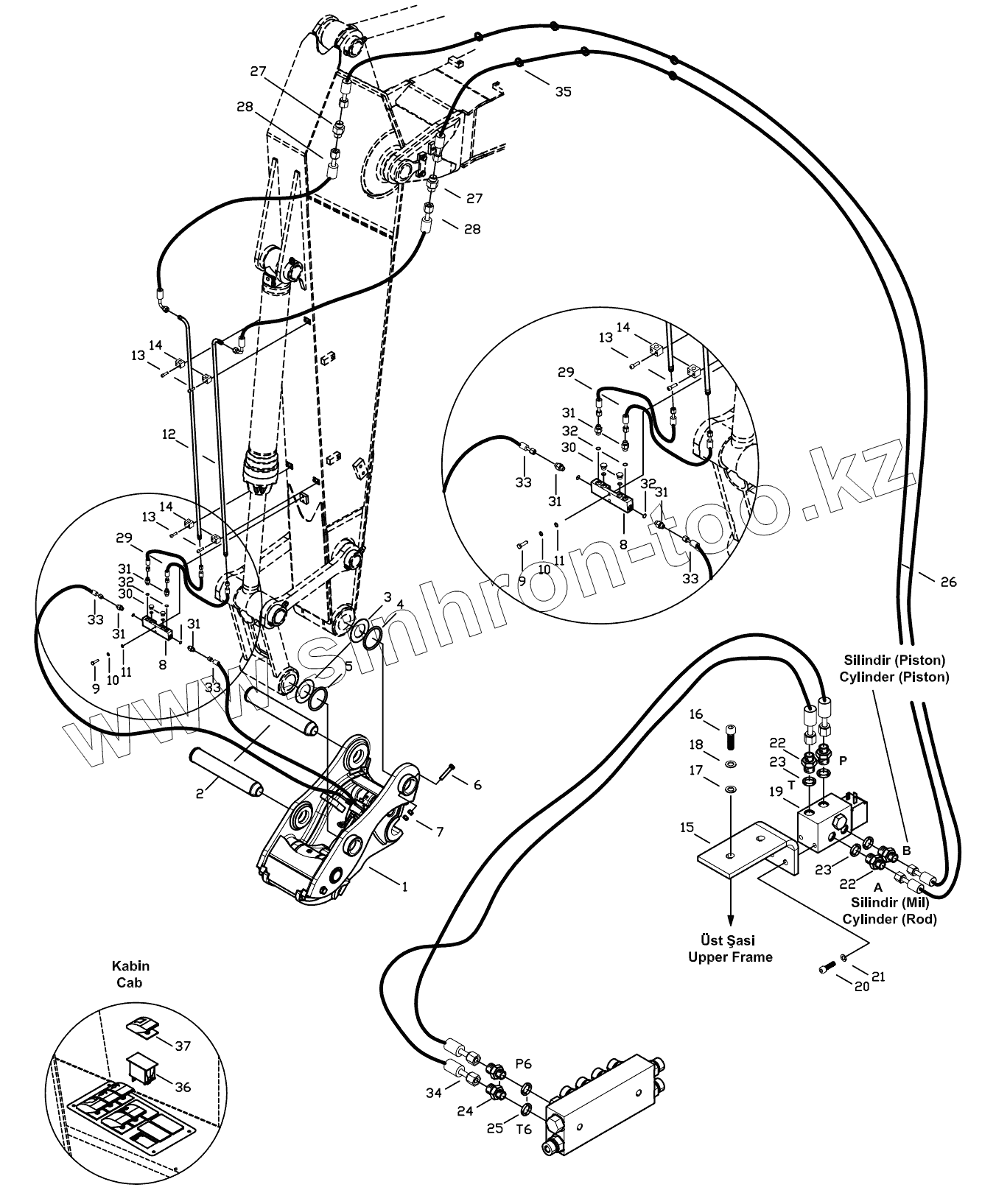
| Позиция на иллюстрации | Заводской номер детали | Название детали | |
|---|---|---|---|
| H250110000 | H250110000 | Quick Coupling Ass'y | |
| 1 | H250110100 | Quick Coupling Mnt. | |
| 2 | H255001500 | Pin | |
| 3 | H255002600 | Shim | |
| 4 | H255303400 | O-Ring | |
| 5 | H345303400 | O-Ring | |
| 6 | N10/0381430 | Bolt, Hex. | |
| 7 | N02/3570314 | Nut, Hex. | |
| 8 | H340114700 | BLOCK | |
| 9 | N01/0232486 | Bolt, Hex. | |
| 10 | N03/1310010 | Washer, Spr. | |
| 11 | N03/0020121 | Washer, Pln. | |
| 12 | H340114800 | PIPE | |
| 13 | N01/5870326 | BOLT M6x35 | |
| 14 | N07/2016003 | Clamp, body | |
| 15 | H250114500 | Plate | |
| 16 | N01/5890866 | Bolt, Cyl. Hd. | |
| 17 | N03/1360010 | Washer, Spr. | |
| 18 | N03/0020121 | Washer, Pln. | |
| 19 | H340112400 | Valve, Quick Coup. | |
| 20 | N01/5870458 | Bolt, Cyl. Hd. | |
| 21 | N03/1310010 | Washer, Spr. | |
| 22 | N16/K114348 | Connector | |
| 23 | N10/2001322 | O-Ring | |
| 24 | N16/K114348 | Connector | |
| 25 | N10/2001322 | O-Ring | |
| 26 | 99Q0982180 | Hose Ass'y | |
| 27 | N16/K200321 | Connector | |
| 28 | 99Q198238 | Hose Ass'y | |
| 29 | 99N098212 | Hose Ass'y | |
| 30 | N16/X120004 | Plug | |
| 31 | N16/K114341 | Connector | |
| 32 | N10/2001024 | O-Ring | |
| 33 | 99N398224 | Hose Ass'y | |
| 34 | 99Q098250 | Hose | |
| 35 | 510/12200 | Strap | |
| 36 | 520/21030 | Switch, Wiper Water | |
| 37 | 520/30920 | Button | |
| 37 | 520/31180 | Button |
Содержащиеся в справочниках-каталогах запасные части и детали не предлагаются к продаже, а носят исключительно информационный характер