Вернуться на главную
Поиск
Каталоги запчастей к технике
Спецтехника
Hidromek
HMK 300LC
OPERATOR SEAT
Каталог запасных частей к технике: Hidromek HMK 300LC. OPERATOR SEAT
zoom-in
zoom-out
enlarge
shrink
circle-right
circle-left
file-text2
info
cart
Тип техники
Не выбрано
Легковые автомобили
Грузовые автомобили и прицепы
Автобусы
Сельхозтехника
Спецтехника
Двигатели
Мототехника
Марка
Не выбрано
Ammann
BOMAG
CARMIX
CASE IH
Changlin
ChengGong
Dimex
Doosan
DYNAPAC
Foton
HAMM
Hidromek
Hitachi
Hyundai
JCB
JLG
John Deere
Komatsu
LIEBHERR
LiuGong
Lonking (LongGong)
Luneng
MANITOU
Mitsuber
New Holland
PENGPU
RM-Terex
SANY
SDLG
SEM
Shantui
Shehwa HBXG
Soosan
TIGARBO
VOGELE
Volvo
WAY
WIRTGEN
XCMG
XGMA
Xiamen
YTO
Yuchai
Zoomlion
Автокран
АЗСМ
Алтайлесмаш
Амкодор
АОМЗ
Атек
АТЗ
Балканкар Рекорд
БелАЗ
Беловеж
Борекс
Брянский Арсенал
Булат
ВЭКС
ГАЗ
Геомаш
Гидромаш
Донекс
Дормаш
Дормашина
Дорэлектромаш
ДЭЗ
ЕлАЗ
ЗЗГТ
Ижнефтемаш
Канаш-электрокар
КЗКТ
ККЗ
Клевер
Клинцовский автокрановый завод
КМЗ
КМЗ 1 Мая
Ковровец
Коммаш
Кранэкс
КЭЗ
КЭМЗ
ЛЗА
МАЗ
МЗИК
МЗКМ
МЗКТ
Михневский РМЗ
МоАЗ
Мозырский МЗ
МТЗ
ОЗП
Онежец
ПАО "ТЗА"
ППС Детва
Промтрактор
ПТЗ
Раскат
СпецАгрегат
ТВЭКС
ТТМ
УВЗ
Угличмаш
УЗТМ
ХТЗ
ЧЗКМ
ЧСДМ
ЧТЗ
ЭКСКО
ЭКСМАШ
ЮрМаш
Модель
Не выбрано
102B Maestro-ZF (2012)
102S MAESTRO (2012)
HMK 102B (2005)
HMK 102B ALPHA (2017)
HMK 102S (2005)
HMK 102S ALPHA (2017)
HMK 200W (2005)
HMK 220LC-2 (2006)
HMK 230LC3 (2019)
HMK 300LC (2019)
HMK 62SS
Схема
>
Не выбрано
BREAKER PIPING MOUNTING (1) (OP)
BREAKER PIPING MOUNTING (2) (OP)
BREAKER PIPING MOUNTING (2) (OP)
BREAKER MOUNTING (OP)
QUICK COUPLING ASSEMBLY (OP)
QUICK COUPLING MOUNTING (OP)
QUICK COUPLING CYLINDER (OP)
DOUBLE ACTING PIPING (1) (OP)
DOUBLE ACTING PIPING MOUNTING (2) (OP)
DOUBLE ACTING VALVE (OP)
BOOM SAFETY LOCK SYSTEM (OP)
ARM SAFETY LOCK SYSTEM (OP)
OVERLOAD WARNING SYSTEM (OP)
RIPPER (OP)
BEACON MOUNTING (OP)
REAR WORK LAMP MOUNTING (OP)
FRONT WORK LAMP MOUNTING (OP)
WINDOW GUARD (OP)
IMMOBILIZER (OP)
COWLING MOUNTING (1)
COWLING MOUNTING (2)
COWLING MOUNTING (3)
COWLING MOUNTING (4)
COWLING MOUNTING (5)
COWLING MOUNTING (6)
UPPER FRAME MOUNTING
BATTERY BOX MOUNTING
ANTI-SLIP WALKWAY
ENGINE MOUNTING
SHORT ENGINE ASSEMBLY
SERVICE CYLINDER HEAD ASSEMBLY
SERVICE CYLINDER BLOCK ASSEMBLY
LINER AND PISTON KIT
SERVICE CRANKSHAFT ASSEMBLY
ENGINE OVERHAUL GASKET KIT
ROCKER COVER AND BREATHER
CYLINDER HEAD
CYLINDER BLOCK
OIL PAN - FILLER - GAUGE
FLYWHEEL AND HOUSING
PISTON - CONNROD - CRANKSHAFT
CAMSHAFT - VALVE
TIMING GEAR
ATTACHING PARTS
OIL PUMP AND STRAINER
OIL FILTER
OIL COOLER
OIL LINE
FUEL LINE AND WATER SEPARATOR
FUEL FД°LTER AND HOSE
FUEL INJECTION PUMP GENERAL
INJECTION PUMP
GOVERNOR (1/2)
GOVERNOR (2/2)
AUTOMATIC TIMER
FUEL FEED PUMP
INJECTION PUMP COUPLING
INJECTION PIPE AND NOZZLE
FUEL RETURN HOSE
WATER PUMP AND FAN MOUNTING
WATER PIPE AND THERMOSTAT
INLET MANIFOLD
EXHAUST MANIFOLD
TURBOCHARGER
STARTER
ALTERNATOR AND REGULATOR
PLATE AND LABEL
CHASSIS HARNESS EQUIPMENT
COUPLING ASSEMBLY
AIR INTAKE MOUNTING
EXHAUST MOUNTING
COOLING SYSTEM
RADIATOR
FUEL TANK MOUNTING AND FUEL LINE
FUEL TANK MOUNTING AND FUEL LINE
ENGINE CONTROL MOUNTING
AIRCONDITION MOUNTING
AIRCONDITION MOUNTING
HEATER MOUNTING
AIRCONDITION UNIT
MAIN PIPING MOUNTING (1/3)
MAIN PIPING MOUNTING (2/3)
MAIN PIPING MOUNTING (3/3)
MAIN CONTROL VALVE (1)
MAIN CONTROL VALVE (2)
MAIN CONTROL VALVE (3)
MAIN CONTROL VALVE (4)
MAIN CONTROL VALVE (5)
MAIN CONTROL VALVE (6)
MAIN CONTROL VALVE (7)
MAIN CONTROL VALVE (8)
HYDRAULIC PUMP
GEAR PUMP
PROPORTIONAL REDUCING VALVE
PUMP REGULATOR
REDUCTION GEAR - SWING UNIT
SWING MOTOR - SWING UNIT
LOWER PIPING MOUNTING
REDUCTION GEAR - TRAVEL UNIT
MOTOR ASSEMBLY - TRAVEL UNIT
TURNING JOINT
PILOT PIPING MOUNTING 1 (1/2)
PILOT PIPING MOUNTING 1 (2/2)
PILOT PIPING MOUNTING 2 (1/2)
PILOT PIPING MOUNTING 2 (1/2)
PILOT PIPING MOUNTING 2 (2/2)
PILOT PIPING MOUNTING 2 (2/2)
PILOT PIPING MOUNTING 3
REMOTE CONTROL VALVE (R/L)
REMOTE CONTROL VALVE (R/L)
PEDAL
3-SOLENOID PRIORITY VALVE
3-SOLENOID VALVE
ATTACHMENT PIPING
BOOM CYLINDER (R/L)
BUCKET CYLINDER
ARM CYLINDER
HYDRAULIC TANK MOUNTING
UPPER DRAIN AND RETURN PIPING MOUNTING
UPPER DRAIN AND RETURN PIPING MOUNTING
LOWER FRAME MOUNTING
UPPER ROLLER
LOWER ROLLER
IDLER ASSEMBLY
ADJUSTER ASSEMBLY
TRACK CHAIN ASSEMBLY
BOOM MOUNTING
ARM MOUNTING
GENERAL PURPOSE BUCKET
WORKING ATTACHMENT CONTROL
LUBRICATION PIPING MOUNTING
LUBRICATION PIPING MOUNTING
CAB MOUNTING
CAB (1)
CAB (1)
CAB (2)
CAB (3)
CONSOLE BOX (R/H)
CONSOLE BOX (L/H)
CAB INTERIROR MOUNTING (1)
CAB INTERIROR MOUNTING (1)
CAB INTERIOR MOUNTING (2)
CAB INTERIOR MOUNTING (2)
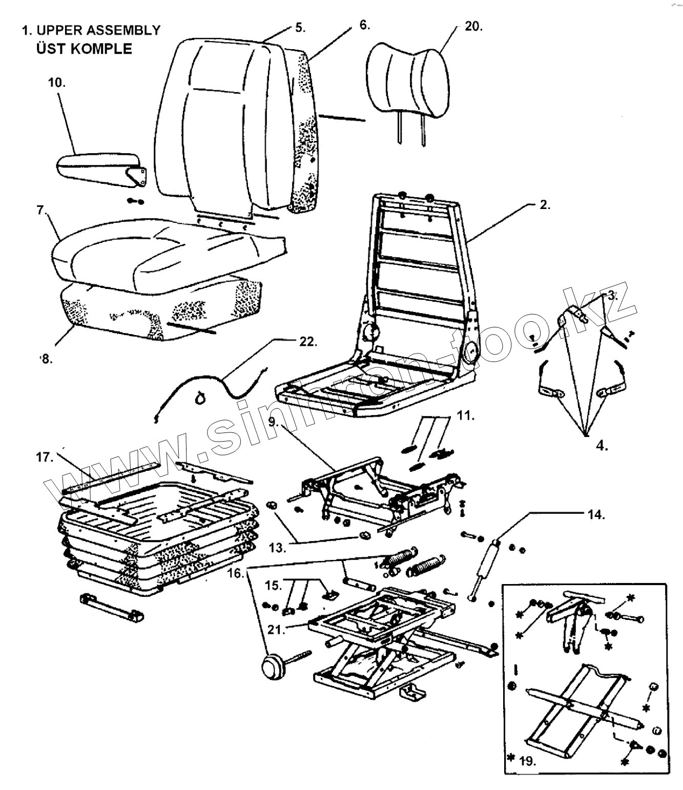
OPERATOR SEAT
ELECTRIC (1)
ELECTRIC (1)
ELECTRIC (2)
ELECTRIC (3)
MAIN HARNESS
ENGINE HARNESS
CAB MAIN HARNESS
CAB MAIN HARNESS
Tether Belt KIT
Spring KIT
1
2
3
4
5
6
7
8
9
10
11
13
14
15
16
17
19
20
21
22
Позиция на иллюстрации
Заводской номер детали
Название детали
Tether Belt KIT
Tether Belt KIT
Tether Belt KIT
Н346101902
Н346101902
Seat Ass'y
Spring KIT
Spring KIT
Spring KIT
1
Н349065001
Upper Ass'y KIT
2
Н349065002
Seat Frame Ass'y
3
Н349065003
Seat Belt KIT
4
Н349065004
Seat Belt and
5
Н349065005
Back Cover Ass'y KIT
6
Н349065006
Back Foam KIT
7
Н349065007
Seat Cover Ass'y KIT
8
Н349065008
Seat Foam KIT
9
Н349065009
Height Riser KIT
10
Н349065010
Armrest KIT
11
Н349065011
Height Riser
13
Н349065012
Handle KIT
14
Н349065013
Damper KIT
15
Н349065014
Up / Bumpstop KIT
16
Н349065015
Weight Adjuster KIT
17
Н349065016
Suspension Cover
19
Н349065017
Bearing KIT
20
Н349065018
Headrest KIT
21
Н349065019
Suspension Ass'y
22
Н349065020
Cable KIT
Содержащиеся в справочниках-каталогах запасные части и детали не предлагаются к продаже, а носят исключительно информационный характер
Дополнительная информация
×
Название:
Номер:
Примечание: