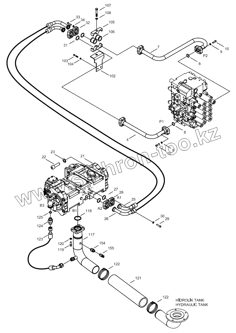
Каталог запасных частей к технике: Hidromek HMK 300LC. MAIN PIPING MOUNTING (3/3)
4
7
8
8
9
9
10
10
21
21
22
23
25
26
27
28
29
30
31
32
33
34
102
103
104
105
106
107
108
117
117
118
119
120
121
122
122
123
124
125
154
155
| Позиция на иллюстрации | Заводской номер детали | Название детали | |
|---|---|---|---|
| 4 | H253000200 | Pipe W.A. | |
| 7 | H253000600 | Pipe Ass'y | |
| 8 | N10/2003335 | O-Ring | |
| 9 | N01/5891202 | Bolt, Cyl. Head | |
| 10 | N03/1360011 | Washer, Spr. | |
| 21 | H253001200 | Hydraulic Pump | |
| 21 | H253001201 | Hydraulic Pump | |
| 22 | N01/5892054 | Bolt, Cyl. Hd. | |
| 23 | N03/1360015 | Washer, Spr. | |
| 25 | H253001400 | Hose Ass'y | |
| 26 | H253001500 | Hose Ass'y | |
| 27 | N10/2003335 | O-Ring | |
| 28 | N16/J460104 | Flange, Split | |
| 29 | N01/5891202 | Bolt, Cyl. Head | |
| 30 | N03/1360011 | Washer, Spr. | |
| 31 | N10/2003335 | O-Ring | |
| 32 | N16/J460104 | Flange, Split | |
| 33 | N01/5891226 | Bolt, Cyl. Hd. | |
| 34 | N03/1360011 | Washer, Spr. | |
| 102 | H253003600 | Support | |
| 103 | N01/0232462 | Bolt, Hex. | |
| 104 | N03/1310011 | Washer, Spr. | |
| 105 | H343003200 | Clamp | |
| 106 | H340102500 | Rubber | |
| 107 | N01/0381310 | Bolt, Hex. | |
| 108 | N03/1310014 | Washer, Spr. | |
| 117 | H253004100 | Pipe Ass'y | |
| 117 | H253011500 | Pipe Ass'y | |
| 118 | N10/2006935 | O-Ring | |
| 119 | N01/5891178 | Bolt, Cylinder Head | |
| 120 | N03/1360011 | Washer, Spr. | |
| 121 | H253004900 | Hose, Suction | |
| 122 | N07/8309710 | Clamp | |
| 123 | 99N094210 | Hose Ass'y | |
| 124 | N16/K114344 | Connector | |
| 125 | N10/2002436 | O-Ring | |
| 154 | H343008600 | ADAPTER | |
| 155 | 515/22145 | Sensor, Temperature |
Содержащиеся в справочниках-каталогах запасные части и детали не предлагаются к продаже, а носят исключительно информационный характер