Каталог запасных частей к технике: Hidromek HMK 300LC. COOLING SYSTEM
1
2
3
4
5
6
7
8
9
9
10
10
10
10
11
11
11
11
12
13
13
14
15
15
15
16
16
16
17
18
18
19
20
20
20
20
20
21
21
22
23
23
23
24
24
24
25
25
26
27
27
27
27
28
30
30_1
30_1
30_2
30_2
30_3
30_3
30_4
30_4
30_5
30_5
31
32
33
34
35
36
37
38
39
39
40
41
42
42
42
42
43
43
44
45
46
47
48
48
49
50
51
52
53
54
54
55
56
57
57
58
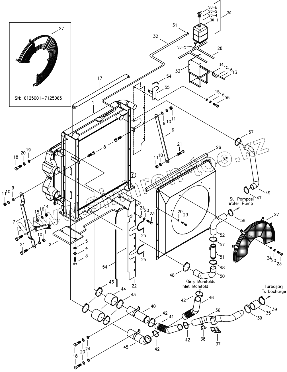
| Позиция на иллюстрации | Заводской номер детали | Название детали | |
|---|---|---|---|
| 1 | H252410100 | Radiator Ass'y | |
| 2 | H252410800 | Rubber, Radiator | |
| 3 | N01/0381238 | Bolt, Hex. | |
| 4 | N03/1310014 | Washer, Spr. | |
| 5 | N03/0100029 | Washer | |
| 6 | H252410900 | Support, Rad., FR | |
| 7 | H252411000 | Support, Rad., RR | |
| 8 | N01/0232882 | Bolt, Hex. | |
| 9 | N03/0100023 | Washer, Pln. | |
| 10 | N03/1310012 | Washer, Spr. | |
| 11 | N02/3560242 | Nut | |
| 12 | H252411100 | Support, Hose | |
| 13 | N01/0222114 | Bolt, Hex. | |
| 14 | N02/3570182 | Nut, Hex. | |
| 15 | N03/0100016 | Washer, Pln. | |
| 16 | N03/1310010 | Washer, Spr. | |
| 17 | H252411200 | Cover, Radiator | |
| 18 | N01/0232462 | Bolt, Hex. | |
| 19 | N03/0020121 | Washer, Pln. | |
| 20 | N03/1310011 | Washer, Spr. | |
| 21 | N01/0232858 | Bolt, Hex. | |
| 22 | H252411400 | Support, Hose | |
| 23 | N01/0232438 | Bolt, Hex. | |
| 24 | N03/0100020 | Washer, Pln. | |
| 25 | 98Y040140 | Gromet | |
| 26 | H252411500 | Gasket | |
| 27 | H342421700 | Fan Gud, W.A. | |
| 27 | H342421701 | Fan Guard, W.A. | |
| 28 | H342409200 | Rubber Band, Tank | |
| 30 | H342405201 | Rezervoir Tank | |
| 30_1 | H349080050 | Tank | |
| 30_1 | H259080050 | Tank | |
| 30_2 | H349080051 | Cover | |
| 30_2 | H349080057 | Cover | |
| 30_3 | H349080054 | Packing | |
| 30_3 | H349080058 | Packing | |
| 30_4 | H349080052 | Hose | |
| 30_4 | H259080051 | Hose | |
| 30_5 | H349080053 | Sensor, Coolant Lev. | |
| 30_5 | H349080060 | Sensor, Coolant Lev. | |
| 31 | N07/4010016 | Clamp | |
| 32 | 799/00450 | Hortum | |
| 33 | H342408700 | Holder WA , Rez. Tank | |
| 34 | H342409100 | Holder | |
| 35 | H252411600 | Hose, I/C, Inlet | |
| 36 | H252411700 | Pipe, I/C, Inlet | |
| 37 | H252411800 | Bracket WA, Upper | |
| 38 | H242411900 | Bracket WA, Lower | |
| 39 | N07/4060080 | Clamp | |
| 40 | H252412000 | Pipe, I/C, Inlet | |
| 41 | H252412100 | Hose, Reservoir | |
| 42 | N07/4080100 | Clamp | |
| 43 | N07/4090110 | Clamp | |
| 44 | H252412200 | Hose, Inter Cooler | |
| 45 | H252412300 | Pipe, WA, I/C, Outlet | |
| 46 | H252412400 | Hose, I/C, Outlet | |
| 47 | H259001548 | Clamp | |
| 48 | H259001548 | Clamp | |
| 49 | H252412600 | Hose, Rad., Inlet | |
| 50 | H252412700 | Hose, Rad., Outlet | |
| 51 | H252412800 | Hose WA, Rad., Outlet | |
| 52 | H252412900 | Hose, Rad., Outlet | |
| 53 | H252413000 | Shroud WA, Fan | |
| 54 | 98Z020010 | Wheather Strip | |
| 55 | H252413400 | Bracket, Radiator | |
| 56 | N01/0222078 | Bolt, Hex. | |
| 57 | H259001550 | Clamp | |
| 58 | H259001551 | Clamp |
Содержащиеся в справочниках-каталогах запасные части и детали не предлагаются к продаже, а носят исключительно информационный характер