Вернуться на главную
Поиск
Каталоги запчастей к технике
Спецтехника
Hidromek
HMK 230LC3
MAIN CONTROL VALVE (2)
Каталог запасных частей к технике: Hidromek HMK 230LC3. MAIN CONTROL VALVE (2)
zoom-in
zoom-out
enlarge
shrink
circle-right
circle-left
file-text2
info
cart
Тип техники
Не выбрано
Легковые автомобили
Грузовые автомобили и прицепы
Автобусы
Сельхозтехника
Спецтехника
Двигатели
Мототехника
Марка
Не выбрано
Ammann
BOMAG
CARMIX
CASE IH
Changlin
ChengGong
Dimex
Doosan
DYNAPAC
Foton
HAMM
Hidromek
Hitachi
Hyundai
JCB
JLG
John Deere
Komatsu
LIEBHERR
LiuGong
Lonking (LongGong)
Luneng
MANITOU
Mitsuber
New Holland
PENGPU
RM-Terex
SANY
SDLG
SEM
Shantui
Shehwa HBXG
Soosan
TIGARBO
VOGELE
Volvo
WAY
WIRTGEN
XCMG
XGMA
Xiamen
YTO
Yuchai
Zoomlion
Автокран
АЗСМ
Алтайлесмаш
Амкодор
АОМЗ
Атек
АТЗ
Балканкар Рекорд
БелАЗ
Беловеж
Борекс
Брянский Арсенал
Булат
ВЭКС
ГАЗ
Геомаш
Гидромаш
Донекс
Дормаш
Дормашина
Дорэлектромаш
ДЭЗ
ЕлАЗ
ЗЗГТ
Ижнефтемаш
Канаш-электрокар
КЗКТ
ККЗ
Клевер
Клинцовский автокрановый завод
КМЗ
КМЗ 1 Мая
Ковровец
Коммаш
Кранэкс
КЭЗ
КЭМЗ
ЛЗА
МАЗ
МЗИК
МЗКМ
МЗКТ
Михневский РМЗ
МоАЗ
Мозырский МЗ
МТЗ
ОЗП
Онежец
ПАО "ТЗА"
ППС Детва
Промтрактор
ПТЗ
Раскат
СпецАгрегат
ТВЭКС
ТТМ
УВЗ
Угличмаш
УЗТМ
ХТЗ
ЧЗКМ
ЧСДМ
ЧТЗ
ЭКСКО
ЭКСМАШ
ЮрМаш
Модель
Не выбрано
102B Maestro-ZF (2012)
102S MAESTRO (2012)
HMK 102B (2005)
HMK 102B ALPHA (2017)
HMK 102S (2005)
HMK 102S ALPHA (2017)
HMK 200W (2005)
HMK 220LC-2 (2006)
HMK 230LC3 (2019)
HMK 300LC (2019)
HMK 62SS
Схема
>
Не выбрано
ENGINE MOUNTING
AIR INTAKE SYSTEM
EXHAUST MOUNTING
COOLING SYSTEM
RADIATOR ASSY
FUEL SYSTEM
PRE-FUEL FILTER ASSY (OP)
FUEL FEED PUMP ASSY
AIRCONDITION AND HEATER MOUNTING
AIRCONDITION AND HEATER UNIT
UPPER FRAME AND UNDER COVER MOUNTING
COUNTER WEIGHT MOUNTING
COUNTER WEIGHT MOUNTING (LR)
GUARD RAIL MOUNTING
TOOL BOX MOUNTING
ANTI-SLIP WALKWAY
COWLING ASSY, RH
DOOR MOUNTING, RH
DOOR MOUNTING, RH, TROPICAL (OP)
COWLING ASSY, LH
DOOR MOUNTING, LH
DOOR MOUNTING, LH, TROPICAL (OP)
COWLING ASSY, M.C.V.
ENGINE HOOD MOUNTING
TANK COVER MOUNTING
LOWER FRAME MOUNTING
LOWER FRAME MOUNTING, WITH DOZER BLADE
UPPER ROLLER ASSY (TYPE A)
UPPER ROLLER ASSY (TYPE B)
LOWER ROLLER ASSY (TYPE A)
LOWER ROLLER ASSY (TYPE B)
IDLER ASSY
ADJUSTER ASSEMBLY
TRACK CHAIN ASSY (600mm)
TRACK CHAIN ASSY (500mm)
TRACK CHAIN ASSY (700mm)
TRACK CHAIN ASSY (800mm)
TRACK CHAIN ASSY (600mm, DOUBLE GROUSER)
DOZER BLADE MOUNTING (600mm)
CAB AND CAB MOUNTING
DOORS
WINDOWS
CAB ACCESSORIES
CONSOLE ASSY, FRONT
CONSOLE ASSY, REAR
CONSOLE ASSY, RH
CONSOLE ASSY, LH
OPERATOR SEAT MOUNTING
OPERATOR SEAT ASSY, WITH AIR SUSPENSION
OPERATOR SEAT ASSEMBLY, WITH AIR SUSPENSION & HEATER (OP)
PLATFORM ASSY
ROOF GUARD MOUNTING, FOPS II (OP)
FRONT GUARD MOUNTING, FOR ROCK, TWO PIECES, FOGS (OP)
FRONT GUARD MOUNTING, FOR STONES & DEBRIS, FOGS (OP)
FRONT GUARD MOUNTING, FOR STONES, TWO PIECES, FOGS (OP)
FRONT GUARD MOUNTING, FOR ROCK & STONES, TWO PIECES, FOGS (OP)
VISOR (OP)
BOOM MOUNTING
BOOM MOUNTING, 2 PIECES (5.6m)
BOOM MOUNTING (LR)
BOOM ASSY (5.7m)
BOOM ASSY, 2 PIECES (5.6m)
BOOM ASSY (8.5m, LR)
ARM MOUNTING
ARM MOUNTING (LR)
ARM ASSY (2.92m)
ARM ASSY (2.4m)
ARM ASSY (6.1m, LR)
ARM ASSY (3.5m)
BUCKET LINKAGE
BUCKET LINKAGE (LR)
LINK (SINGLE STOPPER) (OP)
LINK (DOUBLE STOPPER) (OP)
BUCKET, DUAL RADIUS (1.1m3)
BUCKET, DUAL RADIUS (1.3m3)
BUCKET, DUAL RADIUS (1.2m3)
BUCKET, DUAL RADIUS (1.0m3)
BUCKET, DUAL RADIUS (0.9m3)
BUCKET, DUAL RADIUS (0.82m3)
BUCKET, DUAL RADIUS (0.68m3)
BUCKET, DUAL RADIUS (0.54m3)
BUCKET, DUAL RADIUS (0.4m3)
BUCKET, DUAL RADIUS (0.6m3, LR)
BUCKET, DUAL RADIUS (0.45m3, LR)
BUCKET, GENERAL PURPOSE (1.2m3)
BUCKET, GENERAL PURPOSE (1.0m3)
BUCKET, GENERAL PURPOSE (0.84m3)
BUCKET, GENERAL PURPOSE (0.69m3)
BUCKET, GENERAL PURPOSE (0.54m3)
BUCKET, GENERAL PURPOSE (0.41m3, OP)
BUCKET, ROCK TYPE (1.0m3)
BUCKET, ROCK TYPE (0.85m3)
BUCKET, DITCH CLEANING (1.3m3)
BUCKET, DITCH CLEANING (0.97m3)
BUCKET, DITCH CLEANING (0.45m3, LR)
BUCKET, SKELETON (1.0m3)
BUCKET, TRAPEZOID
BUCKET, DUAL RADIUS (0.5m3, LR)
BUCKET, GENERAL PURPOSE (1.3m3, LR)
QUICK COUPLER ASSY (OP)
QUICK COUPLER ASSY, MECHANIC (OP)
BREAKER MOUNTING (B230, OP)
BREAKER ASSY (B230, OP)
RIPPER (OP)
LOG ATTACHMENT (OP)
BUCKET CYLINDER GUARD (OP)
BOOM CYLINDER GUARD (OP)
HYDRAULIC PUMP MOUNTING
HYDRAULIC TANK ASSY
UPPER FRAME HYD. PIPING, BASE
UPPER FRAME HYD. PIPING, ATTACHMENT
UPPER FRAME HYD. PIPING, TRAVEL&SWING
UPPER FRAME HYD. PIPING, BASE, WITH DOZER BLADE
UPPER FRAME HYD. PIPING, ATTACHMENT, WITH DOZER BLADE
UPPER FRAME HYD. PIPING, TRAVEL&SWING, WITH DOZER BLADE
UPPER FRAME HYD. PIPING, BASE, 2 PIECES BOOM
UPPER FRAME HYD. PIPING, ATTACHMENT, 2 PIECES BOOM
UPPER FRAME HYD. PIPING, TRAVEL&SWING, 2 PIECES BOOM (1)
UPPER FRAME HYD. PIPING, TRAVEL&SWING, 2 PIECES BOOM (2)
UPPER FRAME HYD. PIPING, BASE, WITH DOZER BLADE, 2 PIECES BOOM
UPPER FRAME HYD. PIPING, ATTACHMENT, WITH DOZER BLADE, 2 PIECES BOOM
UPPER FRAME HYD. PIPING, TRAVEL&SWING, WITH DOZER BLADE, 2 PIECES BOOM (1)
UPPER FRAME HYD. PIPING, TRAVEL&SWING, WITH DOZER BLADE, 2 PIECES BOOM (2)
DRAIN AND RETURN HYD. PIPING
LOWER FRAME HYD. PIPING (TYPE A)
LOWER FRAME HYDRAULIC PIPING, TRAVEL
LOWER FRAME HYDRAULIC PIPING, DOZER
PILOT HYD. PIPING, BASE (1)
PILOT HYD. PIPING, BASE (2)
PILOT HYD. PIPING, ATTACHMENT (1)
PILOT HYD. PIPING, ATTACHMENT (2)
PILOT HYD. PIPING, M.C.V.
PILOT HYD. PIPING, WITH DOZER BLADE
ATTACHMENT HYD. PIPING, BOOM (5.7m)
ATTACHMENT HYD. PIPING, TWO PIECES BOOM (OP)
ATTACHMENT HYD. PIPING, LR BOOM (8.5m OP)
ATTACHMENT HYD. PIPING, ARM (2.4m)
ATTACHMENT HYD. PIPING, TWO PIECES BOOM (OP)
ATTACHMENT HYD. PIPING, ARM (3.5m)
ATTACHMENT HYD. PIPING, LR ARM (6.1m)
SINGLE ACTING HYD. PIPING, WITH PEDAL CONTROL, FRAME (OP)
SINGLE ACTING HYD. PIPING, WITH PEDAL CONTROL, TWO PIECES BOOM, FRAME (OP)
SINGLE/DOUBLE ACTING HYD. PIPING, WITH JOYSTICK CONTROL, BOOM (OP)
SINGLE/DOUBLE ACTING HYD. PIPING, WITH JOYSTICK CONTROL, 2 PIECES BOOM (OP)
SINGLE/DOUBLE ACTING HYD. PIPING, WITH JOYSTICK CONTROL, ARM (2.4m) (OP)
SINGLE/DOUBLE ACTING HYD. PIPING, WITH JOYSTICK CONTROL, ARM (2.92m) (OP)
SINGLE/DOUBLE ACTING HYD. PIPING, WITH JOYSTICK CONTROL, ARM (3.5m) (OP)
DOUBLE ACTING HYD. PIPING, WITH JOYSTICK CONTROL, FRAME (OP)
DOUBLE ACTING HYD. PIPING, WITH JOYSTICK CONTROL, HIGH FLOW, FRAME (OP)
DOUBLE ACTING HYD. PIPING, WITH JOYSTICK CONTROL, FRAME (2 PIECES BOOM, OP)
DOUBLE ACTING HYDRAULIC INSTALLATION, JOYSTICK CONTROLLED, TWO PIECE BOOM, HIGH FLOW, CHASSIS (OP)
QUICK COUPLER HYD. PIPING, BOOM, 40-250/250-250 BAR (OP)
QUICK COUPLER HYD. PIPING, ARM, 40-250/250-250 BAR (OP)
QUICK COUPLER HYD. PIPING, FRAME, 40-250 BAR (OP)
QUICK COUPLER HYD. PIPING, FRAME, 250-250 BAR (OP)
ADDITIONAL LINE HYD. PIPING, WITH JOYSTICK CONTROL, BOOM (OP)
ADDITIONAL LINE HYD. PIPING, WITH JOYSTICK CONTROL, 2 PIECES BOOM (OP)
ADDITIONAL LINE HYD. PIPING, WITH JOYSTICK CONTROL, ARM (2.3m) (OP)
ADDITIONAL LINE HYD. PIPING, WITH JOYSTICK CONTROL, ARM (2.92m) (OP)
ADDITIONAL LINE HYD. PIPING, WITH JOYSTICK CONTROL, ARM (3.5m) (OP)
ADDITIONAL LINE HYD. PIPING, WITH JOYSTICK CONTROL, FRAME (OP)
ADDITIONAL LINE HYD. PIPING, WITH JOYSTICK CONTROL, FRAME (WITH DOZER, OP)
ATTACHMENT GREASE LUB SYSTEM, BOOM
ATTACHMENT GREASE LUB SYSTEM, 2 PIECES BOOM
ATTACHMENT GREASE LUB SYSTEM, ARM (2.4m)
ATTACHMENT GREASE LUB SYSTEM, ARM (2.92m)
ATTACHMENT GREASE LUB SYSTEM, ARM (3.5m)
ATTACHMENT GREASE LUB SYSTEM (LR)
CENTRALIZED LUBRICATION SYSTEM 1
CENTRALIZED LUBRICATION SYSTEM 2
BOOM SAFETY LOCK SYSTEM (OP)
ARM SAFETY LOCK SYSTEM (OP)
OVERLOAD WARNING SYSTEM (WITH RELIEF VALVE, OP)
OVERLOAD WARNING SYSTEM (WITHOUT RELIEF VALVE, OP)
HYDRAULIC PUMP
GEAR PUMP
PROPORTIONAL REDUCING VALVE
PUMP REGULATOR
GEAR PUMP, STEERING & BRAKE
MAIN CONTROL VALVE (1)
MAIN CONTROL VALVE (2)
MAIN CONTROL VALVE (3)
MAIN CONTROL VALVE (4)
SWING UNIT
SWING UNIT, MOTOR
SWING UNIT, REDUCTION GEAR
TRAVEL UNIT (TYPE A)
TRAVEL UNIT, MOTOR (TYPE A)
TRAVEL UNIT, REDUCTION GEAR (TYPE A)
TURNING JOINT
TURNING JOINT, WITH DOZER BLADE
JOYSTICK, RH
JOYSTICK, LH
JOYSTICK, RH (OP)
JOYSTICK, LH (OP)
JOYSTICK, DOZER & OUTRIGGER (OP)
TRAVEL PEDAL VALVE
DOUBLE ACTING PEDAL AND VALVE (OP)
SOLENOID VALVE, 1 SECTION
SOLENOID VALVE, 1 SECTION (REGENERATIVE VALVE)
SOLENOID VALVE, 2 SECTION
QUICK COUPLER VALVE (40/250)
QUICK COUPLER VALVE (250/250)
SOLENOID VALVE, 4 SECTION
BOOM CYLINDER, RH
BOOM CYLINDER, LH
ARM CYLINDER
BUCKET CYLINDER
QUICK COUPLER CYLINDER (OP)
DOZER CYLINDER, RH (OP)
DOZER CYLINDER, LH (OP)
ELECTRIC PARTS (1)
ELECTRIC PARTS (2)
ELECTRIC PARTS (3)
MAIN HARNESS
ENGINE HARNESS, FRAME
OPERATOR CAB HARNESS
OPERATOR CAB INTERIOR HARNESS
BEACON LAMP MOUNTING (OP)
BEACON LAMP MOUNTING, WITH LED (OP)
LIGHTING GROUP, WITH HALOGEN
LIGHTING GROUP, WITH LED
SMARTLINK (2G, OP)
SMARTLINK (4.5G, OP)
CAMERA MOUNTING, REAR VIEW (OP)
CAMERA MOUNTING, SIDE VIEW (OP)
WARNING HORN, TRAVEL (OP)
ENGINE
ROCKER ARM COVER
CYLINDER HEAD 1
CYLINDER HEAD 2
CYLINDER BLOCK
CYLINDER BLOCK ACCESSORIES
CAM SHAFT & VALVE
TIMING GEAR
GEAR CASE COVER
FLYWHEEL HOUSING
CRANKSHAFT, PISTON & FLYWHEEL
POWER TAKE OFF COVER
ENGINE OVERHAUL GASKET KIT
CYLINDER HEAD GASKET KIT
OIL PAN
OIL LEVEL GAUGE
OIL FILTER & COOLER
OIL PUMP & STRAINER
OIL & VACUUM PIPING
VENTILATION SYSTEM
WATER PUMP
THERMOSTAT
FAN & FAN BELT
FAN GUARD
PULLEY
FUEL FEED PUMP & ELECTROMAGNETIC PUMP
INJECTION PUMP GASKET
FUEL INJECTION SYSTEM 1
FUEL INJECTION SYSTEM 2
FUEL INJECTION SYSTEM 3
FUEL FILTER
STARTER
GENERATOR
ENGINE WIRING HARNESS
HARNESS FIXING PARTS
ELECTRIC CONTROL PARTS 1
ELECTRIC CONTROL PARTS 2
ELECTRIC CONTROL & OTHER PARTS
INLET MANIFOLD
EXHAUST MANIFOLD
TURBOCHARGER SYSTEM
EGR
EGR WATER PIPING
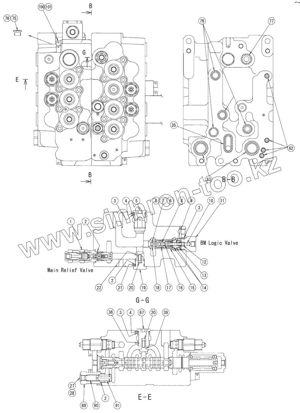
1
2
2
2
3
3
3
4
4
5
6
6
7
8
9
10
11
12
13
14
15
16
17
18
19
20
20
21
22
27
28
35
36
39
67
75
76
77
78
82
83
89
90
91
100
101
Позиция на иллюстрации
Заводской номер детали
Название детали
1
H349015223
VALVE, PRESSURE RELIEF
2
H349015008
O-Ring
3
H349015001
O-Ring
4
H349015002
Back-Up Ring
5
H349015017
Cap
6
H349015068
Back-Up Ring
7
H349015069
O-Ring
8
H349015119
Check
9
H349015121
Spring
10
H349015087
Piston
11
H349015073
Cap
12
H349015074
Piston
13
H349015123A
SLEEVE
14
H349015122
O-Ring
15
H349015072A
SLEEVE
16
H349015120
Spring
17
H349015071
Spring
18
H349015070A
POPPET
19
H349015075
Cap
20
H349015036
Spring
21
H349015076
Back-Up Ring
22
H349015077
Check
27
H349015004
Cap
28
H349015003
O-Ring
35
H349015027
O-Ring
36
H349015035
Nylon Chip
39
H349015038
Check
67
H349015018
Cap
75
H349015067
Cap
76
H349015066
O-Ring
77
H349015030
O-Ring
78
H349015029
O-Ring
82
H349015012
O-Ring
83
H349015014
O-Ring
89
H349015049
Cap
90
H349015048
Spring
91
H349015047
Poppet
100
H349015053
Hex Soc. Head Bolt
101
H349015054
Spring Washer
Содержащиеся в справочниках-каталогах запасные части и детали не предлагаются к продаже, а носят исключительно информационный характер
Дополнительная информация
×
Название:
Номер:
Примечание: