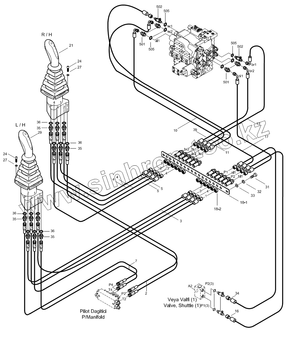
Каталог запасных частей к технике: Hidromek HMK 220LC-2. PILOT PIPING MOUNTING 1
2
2
2
2
2
3
3
3
3
3
4
4
4
4
4
4
5
5
7
10
11
13
16
17
18.1
18.2
21
24
24
27
27
29
31
32
33
34
35
35
35
35
36
36
36
36
39
501
501
502
502
505
505
505
| Позиция на иллюстрации | Заводской номер детали | Название детали | |
|---|---|---|---|
| 2 | 97N091237 | Hose Ass'y | |
| 3 | 97N091236 | Hose Ass'y | |
| 4 | 97N091239 | Hose Ass'y | |
| 5 | 97N091240 | Hose Ass'y | |
| 7 | 97N091239 | Hose Ass'y | |
| 10 | 97Q091230 | Hose Ass'y | |
| 11 | 97N091230 | Hose Ass'y | |
| 13 | 97Q091230 | Hose Ass'y | |
| 16 | 97N091238 | Hose Ass'y | |
| 17 | 97Q091235 | Hose Ass'y | |
| 18 | H343200201 | Support Ass'y | |
| 18.1 | H343203000 | Support | |
| 18.2 | N16/K200301 | Connector | |
| 21 | H343200301 | Joistic Ass'y, R/H | |
| 24 | N01/5870376 | Bolt, Cyl. Hd. | |
| 27 | N03/1360008 | Washer, Spr. | |
| 29 | H343200901 | Joistic Ass'y, L/H | |
| 31 | N01/0232462 | Bolt, Hex. | |
| 32 | N03/1310011 | Washer, Spr. | |
| 33 | N03/0100020 | Washer, Pln. | |
| 34 | 97N091238 | Hose Ass'y | |
| 35 | N16/K310365 | Connector | |
| 36 | N10/2001119 | O-Ring | |
| 39 | 97Q091230 | Hose Ass'y | |
| 501 | N16/K114341 | Connector | |
| 502 | N16/T020202 | Tee | |
| 505 | N10/2001024 | O-Ring |
Содержащиеся в справочниках-каталогах запасные части и детали не предлагаются к продаже, а носят исключительно информационный характер