Каталог запасных частей к технике: Hidromek HMK 220LC-2. GENERAL PURPOSE BUCKET
1A
1B
1С
1D
1E
1F
1.1A
1.1B
1.1C
1.1D
1.1E
1.1F
1.2
1.3
1.4
1.5
1.6
1.7
1.7
1.8
1.8
1.9
1.9
1.10
1.11
1.12
1.13
1.14
1.15
1.16
1.17
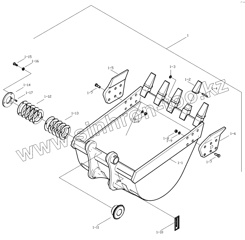
| Позиция на иллюстрации | Заводской номер детали | Название детали | |
|---|---|---|---|
| 1A | H340300101 | Gen.Purp. Buc. Ass'y | |
| 1B | H340305001 | Gen.Purp. Buc. Ass'y | |
| 1С | H340310001 | Gen.Purp. Buc. Ass'y | |
| 1D | H340315001 | Gen.Purp. Buc. Ass'y | |
| 1E | H345300101 | Gen.Purp. Buc. Ass'y | |
| 1F | H340320001 | Gen.Purp. Buc. Ass'y | |
| 1.1A | H340300201 | Gen.Purp. Buc. W.A. | |
| 1.1B | H340305101 | Gen.Purp. Buc. W.A. | |
| 1.1C | H340310101 | Gen.Purp. Buc. W.A. | |
| 1.1D | H340315101 | Gen.Purp. Buc. W.A. | |
| 1.1E | H345300201 | Gen.Purp. Buc. W.A. | |
| 1.1F | H340320101 | Gen.Purp. Buc. W.A. | |
| 1.2 | H345302800 | Point | |
| Point | Point | Point | |
| Point | Point | Point | |
| Point | Point | Point | |
| Point | Point | Point | |
| 1.3 | H345302900 | Washer, Tooth | |
| Washer | Washer | Washer | |
| Washer | Washer | Washer | |
| Washer | Washer | Washer | |
| Washer | Washer | Washer | |
| 1.4 | H345303000 | Pin, Tooth | |
| Pin | Pin | Pin | |
| Pin | Pin | Pin | |
| Pin | Pin | Pin | |
| Pin | Pin | Pin | |
| 1.5 | H345303100 | Cutter, Slide, R/H | |
| 1.6 | H345303200 | Cutter, Slide, L/H | |
| 1.7 | N01/0385028 | Bolt, Hex. | |
| 1.8 | N03/1310017 | Washer, Spr. | |
| 1.9 | N02/3580410 | Nut, Hex. | |
| 1.10 | H347000600 | Decal, Attachment | |
| 1.11 | H345303502 | Spacer | |
| 1.12 | H345002400 | Shim | |
| 1.13 | H345002500 | Shim | |
| 1.14 | H345303600 | Plate | |
| 1.15 | N01/0381226 | Bolt, Hex. | |
| 1.16 | N03/1310014 | Washer, Spr. | |
| 1.17 | H345303700 | Pin, Lock |
Содержащиеся в справочниках-каталогах запасные части и детали не предлагаются к продаже, а носят исключительно информационный характер